Als Hauptwärmeerzeuger im Gebäude des Handwerksbetriebs Christ in Jossgrund dient eine Wärmepumpe, die sowohl solar unterstützt als auch mit fossiler Brennwerttechnik arbeitet. Die Systemlösung versorgt unterschiedlich genutzte Gebäudeteile mit stark schwankenden Lasten. Das Wohn- und Geschäftsgebäude mit Büro-, Ausstellungs- und Lagerbereichen hat rund 500 m² beheizte Wohnfläche. Diese entfällt zu rund zwei Dritteln auf das Mehrgenerationenhaus der Handwerksfamilie und der Rest auf die Büroräume des Familienbetriebs. Bei Bedarf müssen neben der Wohnfläche etwa 100 m² Ausstellungsfläche im Erdgeschoss sowie bei sehr kalten Wetterlagen zusätzlich eine 300 m² große Lagerhalle beheizt werden.
Erweiterung und Austausch der Fenster
Das Wohn- und Betriebsgebäude des Unternehmens wurde 1990 errichtet und im Jahr 2016 im Rahmen einer Dachaufstockung erweitert, sodass es heute Wohnraum für zwei Generationen bietet. Im Zuge dieser Umbaumaßnahme wurden im gesamten gemischt genutzten Gebäude neue Fenster eingebaut und in beiden Wohneinheiten sowie im Büro ein Mix aus Fußbodenheizung und Heizkörpern installiert. In der Ausstellung wird die Wärme dagegen nicht nur über Heizkörper, sondern auch über einen Luftheizer Wolf LH 40 mit 21 bis 38 kW Heizleistung übertragen.
Zwei Luftheizer werden ausschließlich dann in der Lagerhalle eingesetzt, wenn Wärme benötigt wird. Der ursprünglich eingebaute Wolf-Ölkessel CNK 50 aus dem Jahr 1990 hatte eine Heizleistung von 50 kW. Diese Auslegung ist auf den hohen Wärmebedarf zurückzuführen, den die Luftheizer erbringen müssen, um schnell große Wärmemengen in der Ausstellung und im Lager bereitstellen zu können. Die insgesamt drei Luftheizer werden über einen eigenen Heizkreis versorgt, der bei Bedarf manuell zu- und abgeschaltet werden kann.
 
 Bild: Martin Morgenweck
Solarthermie und PV-Strom
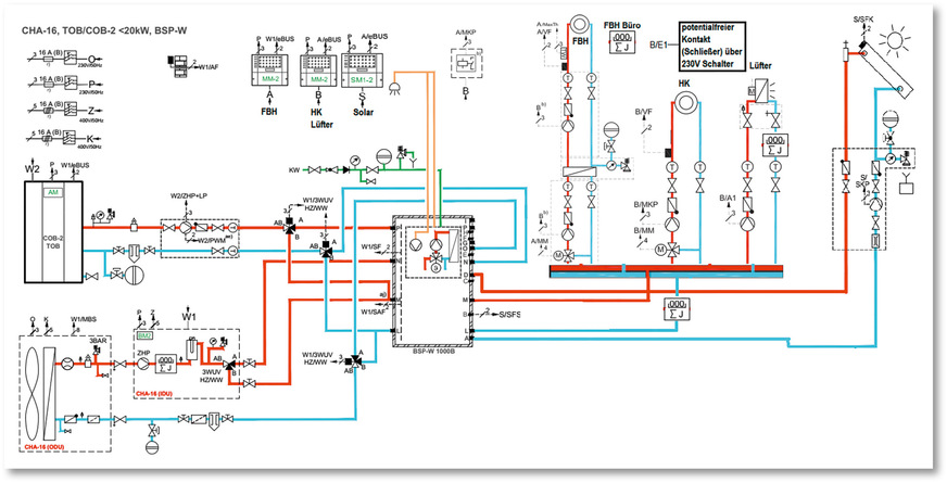
Im Jahr 2007 wurden zur Heizungsunterstützung sieben thermische Solarkollektormodule Wolf F3 auf dem Dach des Büro- und Ausstellungstraktes installiert, die hydraulisch über eine Rücklaufanhebung an die Ölheizung angebunden wurden. Die Solarwärme wurde in einem Pufferspeicher mit Frischwasserstation zwischengespeichert. Die Vor- und Rücklauftemperatur für die Heizkörper und Luftheizer betrug 60 °C / 40 °C. Die alte Ölheizung wurde durch die solarthermisch unterstützte Wolf-Wärmepumpe CHA-16/20 zur Bereitstellung der Hauptwärmelast ersetzt, wobei das Heizverteilsystem im Gebäude nicht verändert wurde.
Um noch mehr Energie aus der Umwelt zu gewinnen, wurde im Jahr 2021 eine Photovoltaikanlage mit einer Leistung von 30 kWp auf dem Dach der Lagerhalle installiert. Ihr Ertrag wird zum größten Teil selbst genutzt und der nicht genutzte Teil ins öffentliche Stromnetz eingespeist. Ein Stromspeicher ist nicht vorhanden.
Raumweise Heizlastermittlung
Um die neue Heizung bedarfsgerecht auszulegen, wurde im ersten Schritt die Heizlast des Gebäudes raumweise bestimmt. Aus der Summe der einzelnen Heizlasten errechnete sich die Größe des zentralen Wärmeerzeugers: Auf der Grundlage der Normaußentemperatur in Jossgrund von –12 °C beträgt die Heizlast der Wohn- und Bürofläche – ohne Warmwasserbereitung, Ausstellungs- und Lagerraumfläche – insgesamt 16 kW.
Zusätzlich zur Heizlast wurde der erforderliche Volumenstrom für die vorhandenen Heizkörper bei einer Vorlauftemperatur von maximal 45 °C ermittelt. Das Ziel der Auslegung war, die Wärmepumpe möglichst effizient über lange Zeiträume im effizienten Teillastbetrieb zu betreiben, daher fiel die Wahl auf eine Wolf CHA-16/20.
Fossiles Brennwertgerät statt Heizstab
Die Normaußentemperatur von –12 °C wird, gemäß Klimakarte des Bundesverbands Wärmepumpe bwp, im hessischen Main-Kinzig-Kreis nur an wenigen Stunden des Jahres tatsächlich erreicht. Das Thermometer fällt vor allem in den späten Nacht- und Morgenstunden auf diesen Wert oder darunter. Erhöhte Lasten fallen auch dann an, wenn zusätzlich zur Wohnfläche in kurzer Zeit die Ausstellung aufgeheizt werden soll oder die Lagerräume zum Frostschutz „überschlagen“ temperiert werden müssen.
An solchen Tagen würde bei einer monoenergetischen Heizlösung der elektrische Heizstab der Wärmepumpe zugeschaltet, um das Gebäude effizient und behaglich mit Wärme und Warmwasser zu versorgen. Im Hause Christ wurde stattdessen ein Öl-Brennwertgerät Wolf COB-2-29 mit einer Leistung von 29 kW installiert. Daher geht der elektrische Heizstab der Wärmepumpe nicht in Betrieb, bietet jedoch ein zusätzliches Sicherheits-Back-up.
 
 Bild: Philip Christ
Solarthermie und Eigenstromnutzung
Die bestehenden Solarkomponenten wurden zur Heizungsunterstützung in die Anlage integriert. Die Solarthermieanlage sorgt von etwa April bis Oktober für die Bereitstellung von warmem Wasser. Die Wärmepumpe unterstützt lediglich und springt an sonnigen Tagen gar nicht erst an. Die Solaranlage ist, mit Unterstützung durch die Wärmepumpe, dafür ausgelegt, den 1000-l-Pufferspeicher BSP W 1000 von Wolf auf bis zu 80 °C aufzuheizen. Die auf dem Dach erzeugte Solarwärme wird über eine in den Speicher integrierte Wendel auf das Wasser im Puffer übertragen und von dort wiederum auf die einzelnen Heizkreise. Fällt die Temperatur im Pufferspeicher ab, heizt ihn die Wärmepumpe bei Bedarf nach. Die Wärme für das Trinkwarmwasser wird nur bei Bedarf über eine Frischwasserstation aus dem Pufferspeicher entnommen.
Die neue Heiztechnik des Betriebs nutzt bei PV-Überschuss den selbst produzierten Strom zur Erwärmung des Pufferspeichers. Dann wird zuerst der Warmwassersollwert um den eingestellten Wert übertemperiert. Ist dieser Wert erreicht, wird im Heizfall auch im Bereich „Heizung“ im Pufferspeicher die Temperatur um den eingestellten Wert angehoben. So ist auch an bewölkten, aber hellen Tagen eine Solarnutzung ohne Solarthermie möglich! Dann steht zu Zeiten, wenn die Photovoltaikanlage keinen Strom für die Wärmepumpe bereitstellen kann – wenn es beispielsweise bereits dunkel ist – „vorproduzierte“ Wärme zur Verfügung.
Echter COP-Wert von 4,0 – Umfeldverbräuche inklusive
Die Wärmeversorgung erfolgt witterungsgeführt und bedarfsgenau. Das Bedienmodul Wolf BM-2 mit Außentemperaturfühler regelt die Vorlauftemperatur der Heizkreise modulierend auf Basis der Außentemperatur. Trotz – im Vergleich zum Ausgangszustand – mehr installierter Technik ist im Heizraum mehr Platz. Zudem wird die Temperatur über die Wolf Smartset App in allen Räumlichkeiten gesteuert und überwacht. Ein weiteres Plus: Die Vorlauftemperaturen sind deutlich niedriger als vor der Umstellung. Für die Heizkreise der Heizkörper beträgt die maximale Vor- und Rücklauftemperatur heute 45/35 °C und für die Fußbodenheizung 35/28 °C.
Von der Inbetriebnahme der Wärmepumpe im Februar bis Ende April erzielte die Wolf CHA bereits eine durchschnittliche Jahresarbeitszahl (COP = Coefficient of Performance) von 4,0 inklusive aller Umfeldverbräuche, also wurden pro eingesetzter Kilowattstunde Strom 4 kWh Wärme erzeugt. Zudem war es nicht notwendig, den Ölbrenner der Hybridanlage in Betrieb zu nehmen.
 
 Bild: Philip Christ
 
 Bild: Wolf
 
 Bild: Philip Christ
 
 Bild: Philip Christ
 
     
     
       
     
     
     
     
    