Springe auf Hauptinhalt Springe auf Hauptmenü Springe auf SiteSearch
Neues Regelwerk, Teil 8

Druckerhöhungsanlagen nach DIN 1988-500

Druckerhöhungsanlagen mit drehzahlgeregelten Pumpen nach DIN 1988-500 ermöglichen die Umsetzung der heutigen erhöhten Anforderungen an Komfort, Hygiene, Energieeffizienz und Wirtschaftlichkeit. Vor- und Enddruckbehälter sind in aller Regel nicht mehr notwendig und die Druckhaltung bleibt konstant. Anfang der 90er Jahre wurden elektronisch drehzahlgeregelte Pumpen entwickelt, die in einer Kaskade angeordnet sind. Diese Form der Druckerhöhung hat in der Trinkwasserinstallation die anderen Techniken, bei denen die Druckhaltung durch ein Luftpolster von einem Kompressor in einem Druckwindkessel aufgebracht ist, vollständig abgelöst. Ebenso sind die großvolumigen Vordruck- und Enddruck-Membran-Druckbehälter lediglich noch in Bestandsanlagen zu finden. Neuanlagen oder Erneuerungen im Bestand werden mit Druckerhöhungsanlagen und drehzahlgeregelten Pumpen errichtet. Vordruck- und Enddruckbehälter sind aus hygienischen Gründen nicht mehr erwünscht und aus technischer Sicht auch nicht mehr notwendig. Als Grundlage dieses Fachartikels dienen der DIN/Beuth- und ZVSHK-Kommentar zur DIN 1988-500. Der Inhalt der Mitgliederausgabe des ZVSHK sowie der DIN/Beuth-Ausgabe sind identisch (Bild 1).

Für die Planung und Ausführung von Druckerhöhungsanlagen (DEA) wurden die Anforderungen aus DIN 1988-5 vom Dezember 1988 ohne weitere Überarbeitung in die europäische Norm DIN EN 806-2 „Planung“ im Abschnitt 15 Druckerhöhungsanlagen übernommen. Die Grundlage für DIN 1988-5 war damals das DVGW-Arbeitsblatt W 314 „Druckerhöhungsanlagen in Grundstücken; technische Bestimmungen für Auslegung, Ausführung und Betrieb“ vom März 1974. Bis ca. 1970 wurden ausschließlich Druckerhöhungsanlagen verwendet, bei denen die Druckhaltung durch ein Luftpolster von einem Kompressor in einem Druckwindkessel aufgebracht wurde. Weil die Luft die Eigenschaft hat, sich in Wasser zu lösen, ist eine ständige Luftzufuhr notwendig. Dies brachte neben dem technischen Aufwand und hohem Platzbedarf ein Problempotenzial hinsichtlich der Trinkwasserhygiene mit sich, weil die vom Kompressor verdichtete Luft zwangsläufig einen Ölnebel enthielt.

Wegen der Druckschwankungen im Leitungsnetz, der unzulänglichen hygienischen Bedingungen und der komplizierten Druckpolsterregelung mit dem Druckwindkessel erfolgte die Trennung von Wasser und Luft durch Membran-Druckbehälter. Weil diese Anlagentechniken aus dem Jahr 1988 nicht mehr dem technischen Fortschritt und den hygienischen Anforderungen genügen, wurden in der nationalen Ergänzungsnorm DIN 1988-500 die Regeln für die Errichtung von Druckerhöhungsanlagen festgelegt.

Die DIN/Beuth- und ZVSHK-Kommentare zur DIN 1988-500. Die Inhalte ­beider Ausgaben sind ­identisch.
Die DIN/Beuth- und ZVSHK-Kommentare zur DIN 1988-500. Die Inhalte ­beider Ausgaben sind ­identisch.

Druckerhöhungsanlagen für Löschwassereinrichtungen

Druckerhöhungsanlagen für Feuerlösch- und Brandschutzanlagen werden für Löschwasser-Wandhydranten nach DIN 14462 und für Sprinkleranlagen nach DIN EN 12845 bemessen. Zur Erklärung, wann die Druckerhöhungsanlagen nach DIN 1988-500 oder nach DIN 14462 bzw. DIN EN 12845 auszulegen sind, nachfolgend zwei Beispiele:

1. Der Spitzenvolumenstrom der Trinkwasserinstallation ist größer als der Löschwasserbedarf. In diesem Fall können die Wandhydranten Typ S und die Trinkwasserinstallation über eine DEA versorgt werden. Die DEA muss für den Spitzenvolumenstrom nach DIN 1988-500 bemessen werden (Bild 2).

2. Der Spitzenvolumenstrom der Trinkwasserinstallation ist größer als der Löschwasserbedarf für die Wandhydranten Typ S im Gebäude. In diesem Fall können die Wandhydranten Typ S und die Trinkwasserinstallation über eine DEA versorgt werden. Außerdem befinden sich Wandhydranten vom Typ F in einer frostgefährdeten Tiefgarage. Diese müssen über eine Füll- und Entleerungsstation (F+E) angeschlossen und über eine separate DEA versorgt werden. Die DEA muss für den Spitzenvolumenstrom nach DIN 1988-500 bemessen werden. Die DEA für die Wandhydranten in der Tiefgarage ist nach DIN 14462 zu bemessen (Bild 3).

2 Druckerhöhungsanlage (DEA) nach DIN 1988-500 für Wandhydranten Typ S (Spitzenvolumenstrom > Löschwasserbedarf).
2 Druckerhöhungsanlage (DEA) nach DIN 1988-500 für Wandhydranten Typ S (Spitzenvolumenstrom > Löschwasserbedarf).
3 Separate DEA für die Trinkwasserinstallation und für die Wandhydranten Typ S.
3 Separate DEA für die Trinkwasserinstallation und für die Wandhydranten Typ S.

Nachweis für den Einbau einer Druckerhöhungsanlage

Bevor eine Entscheidung getroffen wird, ob eine Druckerhöhungsanlage notwendig ist, um das Gebäude ganzjährig mit dem Mindestfließdruck an der hydraulisch ungünstigst gelegenen Entnahmestelle zu versorgen, sind nachfolgende Überprüfungen erforderlich: Das Wasserversorgungsunternehmen ist schriftlich anzufragen, mit welchem Mindest-Versorgungsdruck an der Übergabestelle (in der Regel die Anschlussvorrichtung an der Anschlussleitung) während einer Zeit hohen Verbrauchs gerechnet werden kann. Wie aus der Stellungnahme hervorgeht, ist bei üblichen Druckverhältnissen in der Anschlussleitung (SPLN 2 bar bis 3,5 bar), der Mindest-Versorgungsdruck meist nur in der Lage, die Entnahmearmaturen in bis zu viergeschossigen Gebäuden ausreichend mit Wasser zu versorgen. In druckkritischen Situationen muss daher durch eine differenzierte Berechnung nachgewiesen werden, dass der Mindest-Versorgungsdruck, der vom Wasserversorgungsunternehmen angegeben wurde, noch ausreichend ist, um das Gebäude ohne Druckerhöhungsanlage zu versorgen.

Im Rahmen dieses rechnerischen Nachweises müssen druckverlustarme Wasserzähler und Apparate sowie Entnahmearmaturen mit geringen Mindestfließdruckforderungen verwendet werden. Der Druckverlust in Wasserzählern und Apparaten muss jeweils differenziert berechnet werden. In Einzelfällen kann es sinnvoll sein, Rohrwerkstoffe mit relativ geringen Rohrreibungsdruckverlusten und/oder Form- und Verbindungsstücke mit geringen Widerstandszahlen (z-Werte) zu verwenden.

Die Vergrößerung einiger Nennweiten von Stockwerks- und Einzelanschlussleitungen im obersten Stockwerk (in der hydraulisch ungünstigsten Stockwerksinstallation) kann eine weitere Möglichkeit sein, um mit konventionellen Mitteln zu versuchen, mit dem zur Verfügung stehenden Druck auszukommen, damit auf eine Druckerhöhungsanlage verzichtet werden kann. Gleichfalls kann es erforderlich sein, in den oberen Geschossen wegen der hohen Druckverluste auf hydraulisch gesteuerte Durchfluss-Trinkwassererwärmer zu verzichten und strömungsgünstige Speicher-Trinkwassererwärmer einzusetzen.

Eine überschlägige Berechnung zur Ermittlung des verfügbaren Rohrreibungsgefälles mit Richtwerten für Apparatedruckverluste und Mindestfließdruckforderungen zeigt, dass bei einem vereinfachten Berechnungsbeispiel der verfügbare Mindestversorgungsdruck von 3500 hPA an der HAE nicht ausreichend ist (Bild 4). Bei einer differenzierten Berechnung für dasselbe Beispiel ist der verfügbare Mindestversorgungsdruck jedoch ausreichend. Eine Druckerhöhungsanlage ist nach diesem differenzierten Berechnungsbeispiel nicht notwendig.

Berechnung des verfügbaren Rohrreibungsdruckgefälles.
Berechnung des verfügbaren Rohrreibungsdruckgefälles.

Spülen der DEA vor Inbetrieb­nahme

Bei der Inbetriebsetzung ist eine Druckerhöhungsanlage und die nachfolgende Rohrleitung bis zu den Entnahmearmaturen nach DIN EN 806-4 gründlich zu spülen, damit ein anschließender hygienischer Betrieb gewährleistet ist. Das ZVSHK-Merkblatt „Spülen, Desinfizieren und Inbetriebnahme“ bietet hierzu eine ausführliche Ausführungsunterstützung. Bevor die Druckerhöhungsanlage in Betrieb gesetzt und die Trinkwasserinstallation gespült wird, ist die Druckerhöhungs­anlage auf der Druckseite vom Rohrnetz zu trennen und separat zu spülen. Das Spülwasser muss in die Entwässerung abgeleitet werden und darf nicht in die Trinkwasserinstallation gelangen (Bild 5).

Spülen einer Druckerhöhungsanlage vor Inbetriebnahme.
Spülen einer Druckerhöhungsanlage vor Inbetriebnahme.

Förderstrom und Förderdruck

Damit eine Druckerhöhungsanlage die Anforderungen an Komfort, Hygiene, Energie­effizienz und Wirtschaftlichkeit erfüllen kann, muss die Anlagengröße hinsichtlich des Hausinstallation-Anlagendrucks und des Förderstroms den spezifischen Anforderungen der zu versorgenden Trinkwasserinstallation angepasst werden. Bei unmittelbar angeschlossenen Druckererhöhungsanlagen und mittelbar angeschlossenen Druckerhöhungsanlagen mit Vorbehältern ohne Ausgleichsfunktion, muss der Förderstrom (QP) dem Spitzenvolumenstrom (QD) entsprechen.

In der Anschlussleitung und in den Verteilleitungen bis zu einer Druckerhöhungsanlage dürfen die Fließgeschwindigkeiten nicht größer werden als 2 m/s. Die Festlegung von maximal zulässigen Fließgeschwindigkeitsänderungen von 0,15 m/s bei Ein- und Ausschalten der Pumpen bzw. 0,5 m/s bei plötzlichem Ausfall aller Pumpen, resultieren aus Festlegungen DIN 1988-5 und wurden in DIN 1988-500 übernommen. Diese Anforderungen betreffen ausschließlich unmittelbar angeschlossene Druckerhöhungsanlagen mit fester Drehzahl. Unmittelbar angeschlossene Druckerhöhungsanlagen mit mehreren drehzahlgeregelten Pumpen erfüllen grundsätzlich immer die vorstehenden Anforderungen (Bild 6). Der Aufstellungsort für eine unmittelbar angeschlossene DEA darf nur so weit nach oben gelegt werden, dass am eingangsseitigen Anschlussstutzen der DEA der Mindestfließdruck PFl,vor größer ist als 1 bar und er sollte mindestens so hoch gewählt werden, dass PFl,nach ≤ 10 bar ist.

Die schwarze Linie zeigt den Druckverlauf am abnehmerseitigen Ende der Anschluss­leitung beim Anlaufen und Abschalten der kaskadengesteuerten Pumpenbauart nach DIN 1988-5. Die blaue ­Linie zeigt den tatsächlichen Druckverlauf einer drehzahlgeregelten DEA-Pumpe nach DIN 1988-500.
Die schwarze Linie zeigt den Druckverlauf am abnehmerseitigen Ende der Anschluss­leitung beim Anlaufen und Abschalten der kaskadengesteuerten Pumpenbauart nach DIN 1988-5. Die blaue ­Linie zeigt den tatsächlichen Druckverlauf einer drehzahlgeregelten DEA-Pumpe nach DIN 1988-500.

Damit kann der zulässige Betriebsdruck in der Trinkwasserinstallation (10 bar) für Apparate, Absperr- und Entnahmearmaturen eingehalten werden. Wenn sich aufgrund der örtlichen Gegebenheiten höhere Drücke einstellen können, müssen in den betreffenden Bereichen Rohre, Verbinder, Leitungsarmaturen usw. eingesetzt werden, die für die höheren Betriebsdrücke geeignet sind. Gegebenenfalls müssen Druckminderer eingesetzt werden, um sicherzustellen, dass der Ruhedruck in Stockwerksleitungen aus Festigkeitsgründen 10 bar und vor den Entnahmearmaturen aus Schallschutzgründen 5 bar nicht übersteigt. Die Leitungsbereiche hinter Druckminderventilen sind ggf. mit Sicherheitsventilen gegen unzulässigen Überdruck abzusichern (Bild 7).

Druckverhältnisse vor und ­hinter einer Drucker­höhungsanlage.
Druckverhältnisse vor und ­hinter einer Drucker­höhungsanlage.

Aufteilung in Druckzonen

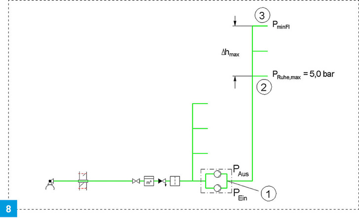
Aus Gründen der Energieeinsparung ist es sinnvoll, eine Trinkwasserinstallation in unterschiedliche Druckzonen einzuteilen. Nur die Bereiche der Trinkwasserinstallation, die mit dem Mindest-Versorgungsdruck nicht ständig versorgt werden können, sollten an Druckerhöhungsanlagen angeschlossen werden. Aufgabe der Planung ist es, für das jeweilige Gebäude die wirtschaftlich und energetisch günstigste Einteilung in Druckzonen und die Wahl entsprechend geeigneter Aufstellungsorte für die Druckerhöhungsanlagen festzulegen. Die maximal zulässige Höhenausdehnung einer Druckzone Δhmax, ohne Verwendung von Druckminderventilen, kann auf der Grundlage von „Bernoulli-Betrachtungen“ zwischen dem Druckstutzen der DEA (1) und der hydraulisch günstigsten (2) bzw. ungünstigsten Entnahmearmatur (3) ermittelt werden (Bild 8).

Der Einschaltdruck PEin der DEA muss den Mindestfließdruck PminFl an der hydraulisch ungünstigsten Entnahmearmatur (3) sicherstellen. Die maximal zulässige Höhenausdehnung der Druckzone beträgt bei Einsatz einer drehzahlgeregelten Druckerhöhungsanlage Δhmax = 33 m. Bei einer Geschosshöhe von 3 m kann die Druckzone maximal 11 Geschosse umfassen.

Bei zentraler Warmwasserversorgung mit Zirkulation muss in jeder Druckzone jeweils eine Trinkwassererwärmungsanlage vorgesehen werden. Andere Lösungen führen u. U. zu großen Fließdruckunterschieden zwischen den Kalt- und Warmwasseranschlüssen von Mischarmaturen. Die Gebrauchstauglichkeit wird dadurch in Frage gestellt, da eine konstante Mischtemperatur in der Regel nicht mehr eingestellt werden kann.

Zirkulationssysteme, die über mehrere Druckstufen geführt werden, können wegen der Druckverhältnisse nicht mehr hydraulisch abgeglichen werden. Es muss erwartet werden, dass in ganzen Druckzonen keine Zirkulation stattfindet. Die Sicherstellung von Temperaturen oberhalb von 55 °C ist dann in weiten Bereichen des Zirkulationssystems nicht mehr möglich (Bild 9).

Auslegung einer Druckzone.
Auslegung einer Druckzone.
Anordnung der Trinkwassererwärmungsanlagen in Druckzonen.
Anordnung der Trinkwassererwärmungsanlagen in Druckzonen.

Anschlussart

Grundsätzlich wird der Anschluss einer Druckerhöhungsanlage an die Trinkwasser­installation in „unmittelbar“ oder „mittelbar“ unterschieden. Auf Vor- und Nachdruckbehälter, die noch in DIN 1988-5 beschrieben werden, kann bei Einsatz von Druckerhöhungsanlagen mit drehzahlgeregelten Pumpen verzichtet werden. Lediglich Steuerbehälter auf der Druckseite der DEA mit einem Volumen < 10 Liter finden noch Anwendung. Der unmittelbare Anschluss ist die direkte Verbindung der Druckerhöhungsanlage mit der von der Versorgungsleitung abzweigenden Anschlussleitung. Da bei dem geschlossenen System eine hygienische Beeinträchtigung des Trinkwassers von außen nicht zu befürchten ist, ist der unmittelbare Anschluss dem mittelbaren Anschluss vorzuziehen. Der Förderdruck der DEA ist bei einem unmittelbaren Anschluss um den verbleibenden Fließdruck vor der Druckerhöhungsanlage PFl,vor geringer als bei einem mittelbaren Anschluss und deshalb energetisch günstiger (Bild 10).

Unmittelbarer Anschluss ­einer Druckerhöhungs­anlage.
Unmittelbarer Anschluss ­einer Druckerhöhungs­anlage.

Druckregelung

Damit durch Druckminderer nicht unnötig Energie vernichtet wird, sollten möglichst keine Druckminderer vor Druckerhöhungsanlagen bei unmittelbaren Anschlüssen eingebaut werden. Druckminderventile werden zwingend erforderlich, wenn der maximale Versorgungsdruck (SP) durch kurzzeitige oder saisonale Schwankungen deutlich größer wird als der notwendige Fließdruck am ausgangsseitigen Anschlussstutzen der DEA (PFl,nach) (Bild 11).

DEA mit vordruckseitigem Druckminderventil, da der maximale Versorgungsdruck (SP) kurzzeitig größer werden kann als PFl,nach.
DEA mit vordruckseitigem Druckminderventil, da der maximale Versorgungsdruck (SP) kurzzeitig größer werden kann als PFl,nach.

Druckbehälter

Die bekannten Druckbehälter nach Druck­erhöhungsanlagen aus DIN 1988-5, Ausgabe 1988 sind bei drehzahlgeregelten Druck­erhöhungsanlagen technisch nicht mehr notwendig und finden folglich hier keine Anwendung. Es gilt lediglich noch Leckageverluste oder Volumenänderungen durch Temperaturschwankungen auszugleichen. Hierzu finden durchströmte Membranausdehnungsgefäße mit einem Inhalt (Bild 12]). Ein atmosphärisch belüfteter Vorbehälter ist ausschließlich für den mittelbaren Anschluss einzusetzen. In diesem ist die Sicherungs­armatur „Freier Auslauf Typ AB“ integriert.

Druckerhöhungsanlage mit Membranausdehnungsgefäß.
Druckerhöhungsanlage mit Membranausdehnungsgefäß.

Reservepumpe – Redundanz

Als Redundanz wird die Mehrfachauslegung technischer Geräte zum Schutz vor Ausfallerscheinungen bezeichnet. Der in der Praxis häufig übliche Einsatz einer Pumpe mit Reservepumpe erfüllt den Umstand einer Geräteredundanz nicht zwangsläufig. Fallen zum Beispiel ein Drucksensor oder die Steuereinheit aus, ist eine ungehinderte Wasserversorgung trotz einer Mehrpumpenanlage nicht mehr gegeben. Zur Erhöhung der Betriebssicherung kann es ggf. sinnvoll sein, auch die Mess-, Steuer- und/oder Regelungsglieder redundant auszulegen.

Für Kleinobjekte z. B. Ein- und Zweifami­lienhäuser, die topografisch ungünstig auf einer Anhöhe liegen und nicht mit dem Versorgungsdruck aus dem öffentlichen Wasserversorger versorgt werden können, entfällt die Forderung nach Redundanz. Der Grund für diese Erleichterung ist, dass nur ein kleiner Personenkreis von kurzzeitiger Nichtversorgung betroffen ist und eine Störungsbeseitigung in der Regel kurzfristig erfolgen kann.

Aufstellungsort

Die Druckerhöhungsanlage ist in einer technischen Zentrale oder in einem frostfreien, gut belüfteten, abschließbaren und anderweitig nicht genutzten Raum unterzubringen. Schädliche Gase dürfen nicht in den Aufstellraum eindringen. Hersteller begrenzen die zulässige Umgebungstemperatur von Druckerhöhungsanlagen in der Regel auf 30°C. Wenn die Druckerhöhungsanlage in einer gemeinschaftlich genutzten Technikzentrale aufgestellt wird, ist unbedingt darauf zu achten, dass das Trinkwasser nicht unzulässig von der Umgebungstemperatur erwärmt wird.

Bei der Ermittlung der zu erwartenden Lufttemperatur im Aufstellungsraum, sind alle Wärmequellen zu berücksichtigen. Die Wärmeabgabe der Druckerhöhungsanlage darf dabei nicht vernachlässigt werden. In Abhängigkeit von der Energieeffizienzklasse der Motoren werden 10 bis 20 % der elektrischen Nennleistung als Wärmeenergie an den Aufstellungsraum abgegeben. Hinsichtlich des Schallschutzes ist ein Aufstellort zu wählen, der nicht in unmittelbarer Nähe von Wohnräumen liegt. Außerdem ist ­eine schallgedämmte Ausführung der Druckerhöhungsanlage oder eine DEA mit geräuscharmen Nassläuferpumpen zu empfehlen. An den Pumpen der Druckerhöhungsanlage müssen saug- und druckseitig akustisch wirksame Kompensatoren eingebaut werden, um Körperschallübertragungen zu vermeiden.

Inbetriebnahme

Mit einer Funktionsprüfung der Druckerhöhungsanlage schließt die Leistungserfüllung ab und ist gleichzeitig die Voraussetzung für eine mängelfreie Abnahme der Anlage. Bei der Abnahme und Übergabe hat der Anlagenersteller – Installateur – nach VOB DIN 18381, dem Grundeigentümer bzw. Betreiber eine Betriebs-, Wartungs- und Bedienungsanleitung zu übergeben und den Betreiber in die Bedienung der Anlage einzuweisen, mit der Betriebsweise vertraut zu machen und auf Sicherheitsvorschriften und Sicherungsgeräte hinzuweisen. Nach dem Werkvertragsrecht ist die Einweisung einmalig als Nebenleistung durchzuführen. Mehrfache Einweisungen, die der Auftragnehmer nicht zu vertreten hat, sind nach der VOB „Besondere Leistungen“. Die Einweisung ist aus haftungsrechtlichen Gründen zu protokollieren.

Inspektion und Wartung

Der Hersteller von Druckerhöhungsanlagen ist verpflichtet, eine Bedienungs- und Wartungsanleitung mitzuliefern, die die grundlegenden Hinweise enthält, die bei Aufstellung, Betrieb und Wartung zu beachten sind. Diese Verpflichtung leitet sich auch aus der EG-Maschinenrichtlinie ab, die u. a. grundsätzliche Sicherheitsanforderungen an Pumpen und Pumpenaggregate stellt. Der Betreiber hat die Informationen aus der Bedienungs- und Wartungsanleitung, die er bei der Übergabe erhält, zu beachten. Ihre Beachtung sowie die Forderung nach einem bestimmungsgemäßen Betrieb ermöglichen dem Betreiber die Erfüllung der vertraglichen Verpflichtungen nach der Trinkwasserverordnung und den allgemein anerkannten Regeln der Technik sowie der allgemeinen Verkehrssicherungspflichten nach BGB § 536, wonach z. B. der Vermieter die Mietsache (Wohnung) in einem verkehrssicheren Zustand halten muss; hierzu gehört auch die Instandsetzung der Druckerhöhungsanlagen.

Grundsätzlich sollte der Betreiber darauf hingewiesen werden, dass er keine Selbst­hilfearbeiten an Druckerhöhungsanlagen durchführen und sich nur auf die Inspektionsarbeiten beschränken darf, die in der Betriebs- und Wartungsanleitung aufgeführt sind. Wesentliche Veränderungen oder Eingriffe, die die Sicherheit der Anlage oder die Gesundheit der Nutzer gefährden, sind hierbei angesprochen. Solche Arbeiten sind durch das Fachhandwerk (Installateure) oder durch die Kundendienste der Hersteller durchzuführen.

Den Betreibern sollte dringend empfohlen werden, mit einem Fachbetrieb oder dem Wartungsdienst des Herstellers einen Wartungsvertrag abzuschließen. Damit wird nicht nur die ordnungsgemäße Wartung garantiert, sondern auch sichergestellt, dass im Störungsfall umgehend Fachpersonal mit den entsprechenden Gerätschaften in kürzester Zeit zur Verfügung steht.

Der Wartungsvertrag sollte immer abgeschlossen werden, wenn der Betrieb bei Pumpenanlagen keine längere, unplanmäßige Unterbrechung gestattet, wie Druckerhöhungsanlagen in Mehrfamilienhäusern. Für die Behebung von Störungen sollte eine Liste mit Anschriften und Telefonnummern des Wartungsdienstes und für eventuelle Nachfragen die des Installateurs oder Pumpenherstellers, die auf dem aktuellen Stand gehalten wird, in den Bedienungsanleitungen hinterlegt oder besser auf einem Hinweisschild in der Nähe der Druckerhöhungsanlage angebracht sein.

Fazit

Wenn eine Druckerhöhungsanlage in einem Gebäude notwendig ist, sollten die Planungsgrundlagen aus DIN 1988-500 angewendet werden. Mit drehzahlgeregelten Pumpen wird sichergestellt, dass die heutigen Anforderungen an Komfort, Hygiene, Energieeffi­zienz und Wirtschaftlichkeit erfüllt werden.
In der SBZ-Ausgabe 06/2013 wird das Thema DIN 1988-600 Trinkwasserinstallation in Verbindung mit Feuerlösch- und Brandschutz­anlagen behandelt.

INFO

SBZ-Artikelserie zur TRWI

Teil 1: Neues Regelwerk zur TRWI jetzt komplett SBZ 20/12
Teil 2: DIN EN 1717 und DIN 1988-100 „Schutz des Trinkwassers“ SBZ 21/12
Teil 3: DIN EN 806-1 „Allgemeines“ SBZ 22/12
Teil 4: DIN EN 806-2 und DIN 1988-200 SBZ 23/12
Teil 5: DIN 1988-300 und DIN EN 806-3 „Ermittlung der Rohrdurchmesser“ SBZ 24/12
Teil 6: DIN EN 806-4 „Installation“ SBZ 01+02/13
Teil 7: DIN EN 806-5 „Betrieb und Wartung“ SBZ 03/13
Teil 8: DIN 1988-500 „Druckerhöhungsanlagen mit ­drehzahlgeregelten Pumpen“ SBZ 04/13
Teil 9: DIN 1988-600 „Trinkwasser-­Installationen in Verbindung mit Feuerlösch- und Brandschutzanlagen“ SBZ 06/13
Teil 10: DIN 14462 „Löschwassereinrichtungen“ SBZ 07/13

Autor

Franz-Josef Heinrichs war lange ­Jahre Referent für Sanitärtechnik im Zentralverband ­Sanitär Heizung ­Klima,

53757 St. Augustin

Mail: f.heinrichs@zentralverband-shk.de

Tags