Springe auf Hauptinhalt Springe auf Hauptmenü Springe auf SiteSearch
Neues Regelwerk, Teil 3

Allgemeine Festlegungen ach DIN EN 806-1

Die DIN EN 806-1 mit der Kommentierung zu „Allgemeines“ beschreibt technische Begriffe, grafische Symbole und Kurzzeichen, die übergreifend für alle anderen Normenteile von DIN EN 806, DIN EN 1717 und DIN 1988 anzuwenden sind. Zeichnerische Darstellungen in Ausführungs- oder Revisionsplänen müssen künftig mit den grafischen Symbolen und Kurzzeichen dieser Norm erstellt werden. Deshalb sollten alle, die sich mit Trinkwasserinstallationen beschäftigen, den Inhalt dieser Norm kennen und als einheitliche Fachsprache beherrschen. Als Grundlage dieses Fachartikels dient der DIN/Beuth- und ZVSHK-Kommentar zur DIN EN 806-1 (Bild 1) . Der Inhalt der Mitgliederausgabe des ZVSHK und der der DIN/Beuth-Ausgabe sind identisch.

Der Geltungsbereich der Wasserversorgung in Grundstücken und Gebäuden wird mit der europäischen Normenreihe DIN EN 806, Teile 1-5, DIN EN 1717 sowie den na­tionalen Ergänzungen der Normenreihe DIN 1988, Teile 100 – 700 mit dem Begriff „Trinkwasserinstallation“ festgelegt. Somit gehört zum Anwendungsbereich neben der Trinkwasserinstallation im Gebäude auch der Anwendungsbereich auf dem Grundstück und entsprechend der im Bild A.1 der DIN EN 806-1 dargestellten Anschlussleitung mit zugehörigen Armaturen.

Die Definitionen und Anforderungen in den Geltungsbereichen der Normen haben allerdings keine Auswirkungen auf Eigentumsverhältnisse oder Verantwortlichkeiten für Rohrleitungen oder Anlagen. Mit den Regelungen der Normen werden technische Anforderungen beschrieben, die bei Planung, Installation, Änderung, Prüfung, Betrieb und Instandhaltung zu beachten sind, damit ein bestimmungsgemäßer und hygienisch sicherer Betrieb dauerhaft sichergestellt ist.

Geltungsbereich

Der Geltungsbereich der Trinkwasserinstallation ist gleichbedeutend in der Trinkwasserverordnung in der AVBWasserV und in den Regelwerken DIN EN 1717, DIN EN 806 sowie DIN 1988 festgelegt. Bei öffentlichen Wasserversorgungsanlagen beginnt die Trinkwasserinstallation hinter der Hauptabsperreinrichtung (HAE) (Bild 2) . Bei Eigenwasserversorgungsanlagen beginnt die Trinkwasserinstallation an der Stelle, an der Wasser in der Trinkwasserbeschaffenheit gemäß den Anforderungen der Trinkwasserverordnung und DIN 2001-1 in die Verbrauchsleitung gelangt (Bild 3) . Die Stelle der Einhaltung der Anforderungen der Trinkwasserverordnung ist bei allen Entnahmestellen für Kalt- und Warmwasser festgelegt. Bei angeschlossenen Geräten oder Apparaten ist hinter der Sicherheitseinrichtung die Stelle der Einhaltung (Bild 4) .

Zuständigkeiten

Nach der Trinkwasserverordnung §3 „Begriffsbestimmungen“ werden die Verantwortungsbereiche des Unternehmers oder sonstigen Inhabers einer öffentlichen Wasserversorgungsanlage (Buchstaben a und b) von dem einer Wasserverteilungsanlage (Buchstabe e) eindeutig unterschieden. Mit den Buchstaben a und b des §3 der TrinkwV wird die Verantwortung an die klassischen zentralen oder dezentralen Wasserversorger delegiert. Die Verantwortung der Wasserversorgungsunternehmen endet nach AVBWasserV §10 „Hausanschluss“ an der Hauptabsperreinrichtung. Hinter der Hauptabsperreinrichtung beginnt die Trinkwasserinstallation (ständige Wasserverteilung), die nach ­TrinkwV mit dem Buchstaben e des §3 der TrinkwV bezeichnet wird. Die Verantwortung trägt der Eigentümer.

Nach AVBWasserV ist der Anschlussnehmer für die ordnungsgemäße Errichtung, Erweiterung, Änderung und Unterhaltung dieser Anlage verantwortlich. Die Errichtung der Anlage und wesentliche Veränderungen dürfen allerdings nur durch das Wasserversorgungsunternehmen oder ein in ein Installateurverzeichnis eines Wasserversorgungsunternehmens eingetragenes Installationsunternehmen erfolgen. Auch die Qualifikation der Planer von Trinkwasserinstallationen ist in der Norm angesprochen mit dem Hinweis, dass europäische Regeln hierzu noch zu erarbeiten sind.

Ziele

Die beschriebenen Ziele betreffen nicht nur die Trinkwasserqualität, die Hygiene und Gesundheit, sondern auch die Lebensdauer der Anlage, die Funktionalität und Gebrauchstauglichkeit während der Lebensdauer der Anlage. Weil zur Gesundheit und zum Wohlbefinden auch ein ruhiges Wohnen gehört, ist die Geräuschminimierung bei den Zielen aufgenommen. Das heißt, dass störende Geräusche in Trinkwasserinstallationen vermieden werden müssen. Deshalb sollten Auslaufarmaturen und Auslaufvorrichtungen der Armaturengruppe I oder II entsprechen und ein Prüfzeichen einer anerkannten Prüfstelle hinsichtlich des eingehaltenen Armaturengeräuschpegels aufweisen.

Ein weiteres wichtiges Ziel ist, dass in der öffentlichen Wasserversorgung keine Verunreinigungen des Trinkwassers erfolgen, die im Folgenden negative Auswirkungen auf die Trinkwasserinstallation im Gebäude haben können. Trinkwasserverschwendung, z.B. die Verwendung im Gewerbe oder in der Industrie zum Kühlen oder Spülen von Kanälen, muss ebenso vermieden werden, wie Wasserverluste, das heißt, tropfende Wasserhähne oder durchlaufendes Wasser an Urinalen oder Toilettenanlagen.

Missbrauch von Trinkwasser liegt vor, wenn Medikamente wie Fluor oder Jod in die öffentliche Wasserversorgung beigemischt werden. Im Wasserhaushaltsgesetz WHG §1a ist der Grundsatz festgelegt, dass Gewässer (Wasser) als Bestandteil des Naturhaushalts und als Lebensraum für Menschen, Tiere und Pflanzen zu sichern sind. Eine Bewirtschaftung muss dem Wohl der Allgemeinheit dienen und Beeinträchtigungen der ökologischen Funktion müssen unterbleiben. Deshalb ist „jedermann“ zu einer sorgfältigen Nutzung in dem Sinne verpflichtet, Verunreinigungen, Verschwendung oder Missbrauch zu vermeiden. Als „jedermann“ sind übrigens auch die Betreiber in der Pflicht, für einen ordnungs- und bestimmungsgemäßen Betrieb der Trinkwasserinstallation Sorge zu tragen.

Begriffe

Die meisten der aufgeführten Begriffe sind nicht neu, sondern stammen aus der DIN 1988-1 Allgemeines, die auch damals schon die Grundlage für alle anderen Normen dieser Normenreihe darstellte. Lediglich der Begriff „Sammelzuleitung“ ist neu. Es ist die „horizontale Verbrauchsleitung zwischen der Hauptabsperrarmatur und der Steigleitung“. Die Sammelzuleitung ist der Teilbereich der Verbrauchsleitung, der horizontal meist im Keller bis zu den Abgängen der Steigleitungen verlegt ist. Der Begriff Sammelzuleitung umfasst auch die Teilstrecken im Warmwassersystem, die von der zentralen Trinkwasser­erwärmungsanlage bis zu den Steigleitungen führen.

In dem folgenden Schaltschema sind die einzelnen Teilstrecken, die grafischen Sym­bole der Trinkwasserleitungen, der Dämmung sowie der Armaturen und der Geräte zeichnerisch so dargestellt, wie sie künftig dem Auftraggeber übergeben werden sollen (Bild 5) .

Neue grafische Symbole und Kurzzeichen

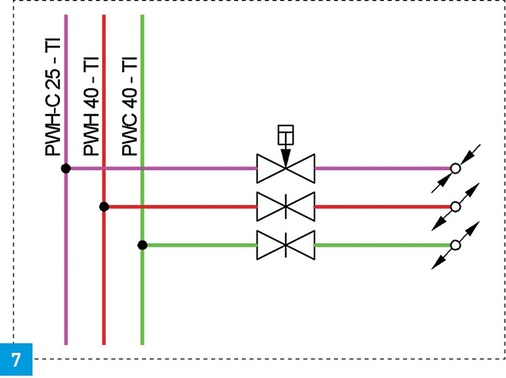
Die neuen Symbole und Kurzzeichen werden in ein paar Beispielen dargestellt. Bild 6 zeigt eine Kellerverteilleitung mit Anschlüssen für Steig(Fall-)leitungen in 3D-Darstellung und Bild 7 zeigt die dazugehörige Darstellung mit Symbolen. Bild 8 zeigt ein Foto einer Wasserzähleranlage und Bild 9 die zugehörige Darstellung mit Symbolen. Bild 10 zeigt ein Foto eines thermostatischen Zirkulationsregulierventils und Bild 11 die zugehörige Symboldarstellung.

Bild 12 zeigt ein Foto eines Rohrtrenners BA und Bild 13 die zugehörige Symboldarstellung. Bild 14 zeigt ein Foto einer Dosieranlage und Bild 15 die zugehörige Symboldarstellung. Bild 16 zeigt ein Foto einer Druckerhöhungsanlage und Bild 17 die zugehörige Symboldarstellung. Bild 18 zeigt ein Foto eines Wandhydranten und Bild 19 die zugehörige Symboldarstellung. Bild 20 zeigt ein Foto einer Sicherungsgruppe und Bild 21 die zugehörige Symboldarstellung.

Planungs- und Ausführungszeichnungen für sanitärtechnische Anlagen in Gebäuden enthalten in Kombination mindestens die Leitungsanlagen für die Trinkwasserinstalla­tion und für die Gebäudeentwässerung. Die Darstellung der sanitären Einrichtungsgegenstände erfolgt üblicherweise in Verbindung mit den zugehörigen Leitungssystemen in den Grundrisszeichnungen des Architekten und in einem Strangschema. Die grafischen Symbole der DIN EN 806-1 sind so konzipiert, dass Trinkwasserinstallationen im Sinne eines Schaltschemas dargestellt werden können. Sie eignen sich nur bedingt für die gemeinsame Darstellung mit Entwässerungsanlagen nach DIN EN 12056 in Verbindung mit DIN 1986-100. Das gilt insbesondere für die Symbole der sanitären Einrichtungsgegenstände in Grundriss- und Strangschemazeichnungen, die sowohl über einen Trinkwasser- als auch über einen Entwässerungsanschluss verfügen müssen.

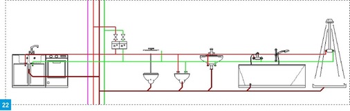
Aus diesem Grunde müssen übergreifend über die betreffenden Normenreihen DIN EN 806 und DIN EN 12056 zeichnerische Kompromisse eingegangen werden, die eine eindeutige Darstellung von Trinkwasserinstalla­tionen und Entwässerungsanlagen in gemeinsamen Grundriss- und Strangschemazeichnungen des Gewerkes Sanitärtechnik ermöglichen. Da diese Problematik nicht neu ist, sind in der Praxis Kombinationssymbole für sanitäre Einrichtungsgegenstände seit geraumer Zeit eingeführt. Solche Kombina­tionssymbole, die in CAD-gestützten Berechnungsprogrammen für Leitungsanlagen der Trinkwasserinstallation und der Gebäude- und Grundstücksentwässerung derzeit Anwendung finden, zeigt Bild 22 . Diese oder vergleichbare Symbole sind für eine eindeutige zeichnerische Darstellung erforderlich.

Fazit

Die Umstellung auf die neuen Symbole und Kurzzeichen ist für die zeichnerische Darstellung in Ausführungs- und Bestandsplänen unverzichtbar, damit auch in ein paar Jahren oder Jahrzehnten die dann tätigen Fachleute die Zeichnungen verstehen. Auch die Softwareanbieter von technischen Berechnungsprogrammen müssen ihre Darstellungen auf diese neuen Symbole umstellen.

In der nächsten Ausgabe wird das Thema DIN EN 806-2 und DIN 1988-200 „Planung“ behandelt.

INFO

SBZ-Artikelserie zur TRWI

Teil 1: Neues Regelwerk zur TRWI jetzt komplett SBZ 20/12

Teil 2: DIN EN 1717 und DIN 1988-100 „Schutz des Trinkwassers“ SBZ 21/12

Teil 3: DIN EN 806-1 „Allgemeines“ SBZ 22/12

Teil 4: DIN EN 806-2 und DIN 1988-200

Teil 5: DIN 1988-300 und DIN EN 806-3 „Ermittlung der Rohrdurch­messer“

Teil 6: DIN EN 806-4 „Installation“

Teil 7: DIN EN 806-5 „Betrieb und ­Wartung“

Teil 8: DIN 1988-500 „Druckerhöhungsanlagen mit drehzahlgeregelten Pumpen“

Teil 9: DIN 1988-600 „Trinkwasser-­Installationen in Verbindung mit Feuerlösch- und Brandschutzanlagen“

Teil 10: DIN 14462 „Löschwassereinrichtungen“

Autor

Franz-Josef Heinrichs ist Referent für Sanitärtechnik im Zentralverband ­Sanitär Heizung ­Klima, 53757 St. Augustin, E-Mail: f.heinrichs@zentralverband-shk.de

Tags