Springe auf Hauptinhalt Springe auf Hauptmenü Springe auf SiteSearch
Neues Regelwerk, Teil 4

Planen nach Normen

In der europäischen Grundlagennorm DIN EN 806-2 in Verbindung mit der nationalen Ergänzungsnorm DIN 1988-200 werden die anerkannten Regeln der Technik für die Planung von Trinkwasserinstallationen definiert (Bild 1) . Die neuen Planungsregeln von DIN 1988-200 berücksichtigen insbesondere die Anforderungen aus der Trinkwasserverordnung hinsichtlich der Sicherstellung der Trinkwasserqualität an allen Entnahmestellen. Daraus ergeben sich Planungsziele für die Trinkwasserinstallation, die schärfer auf die Themen Werkstoffwahl, Temperaturhaltung in Trinkwasserleitungen kalt und warm, Vermeidung von Stagnation, Verbesserung der Durchströmung mit regelmäßigem Wasseraustausch und Einhaltung des bestimmungsgemäßen Betriebes fokussiert wurden. Damit bei der Trinkwassererwärmung sowohl energetische als auch hygienische Anforderungen erfüllt werden können, enthält DIN 1988-200 in Abhängigkeit von der Anlagengröße und der Systematik spezifizierte Anforderungen. Als Grundlage dieses Fachartikels dienen der DIN/Beuth- und der ZVSHK-Kommentar zu DIN EN 806-2 und DIN 1988-200 zum Thema Planung von Trinkwasserinstallationen. Der Inhalt der Mitgliederausgabe des ZVSHK sowie der DIN/Beuth-Ausgabe sind identisch (Bild 2) .

Nach DIN EN 806-2 können sowohl der Installationstyp A – geschlossenes System – als auch der Installationstyp B – offenes System – und eine Kombination von beiden Installa­tionstypen realisiert werden. Während in einigen EU-Mitgliedsstaaten (z.B. in England) überwiegend der Installationstyp B verwendet wird, ist in Deutschland auf Grundlage der Regelungen in DIN 1988-200 grundsätzlich der Installationstyp A vorgeschrieben.

Der Installationstyp B – offenes System – ist unter dem Gesichtspunkt der Trinkwasserhygiene bedenklich und sollte daher nur in begründeten Ausnahmefällen eingesetzt werden. Nach § 8 „Stelle der Einhaltung“ enden die Anforderungen der TrinkwV an der notwendigen Sicherungseinrichtung, beim offenen Installationstyp B somit am freien Auslauf des offenen Wasserbehälters. Die Verteilungsleitungen, die vom Wasserbehälter abgehen und mit dem geodätischen Druck die darunterliegenden Entnahmearmaturen versorgen, enthalten somit kein Wasser, das den Anforderungen der TrinkwV entsprechen muss. Weil dieses Wasser aber in der Regel für den menschlichen Gebrauch genutzt wird, auch wenn es sich hinter einer Sicherungseinrichtung befindet, wird es ggf. trotzdem den Anforderungen der Trinkwasserverordnung genügen müssen.

Wasser- und Energieeinsparung

Aus Gründen des Umweltschutzes stehen heute verstärkt Maßnahmen des Wassersparens und der Energieeinsparung bei der Planung und der Errichtung von Gebäuden im Fokus. Bauherren und Investoren haben aber auch die Betriebskosten während der gesamten geplanten Nutzungsdauer von immer komplexer werdenden technischen Gebäudeausrüstungen im Blick. Deshalb ist der Hinweis in DIN EN 806-2, den Wasser- und Energiebedarf zu berücksichtigen und zu minimieren, durchaus richtig. Zum Wassersparen gehören zum einen ein Betreiberverhalten, bewusster mit dem Trinkwasser umzugehen, und zum anderen technische Möglichkeiten wie Armaturen, Geräte und Apparate, die mit weniger Wasser den gleichen Effekt erzielen. Wenn erwärmtes Trinkwasser eingespart wird, kommt eine Regulierung des Energiebedarfs für die Wassererwärmung zu der Kostenersparnis für das eingesparte Trinkwasser hinzu.

Zum Wassersparen werden auch vielfältige technische Einrichtungen und Hilfsmittel auf dem Markt angeboten, die eine individuelle Planung ermöglichen. In DIN 1988-200 wird der Hinweis gegeben, neben dem Wasser- und Energiesparen auch die Hygiene in der Trinkwasserinstallation zu berücksichtigen. Aus hygienischen Gründen ist ein regelmäßiger vollständiger Wasseraustausch mindestens alle sieben Tage erforderlich, damit ein bestimmungsgemäßer Betrieb eingehalten werden kann.

Trinkwasserhygiene

Die Anforderungen in der Trinkwasserverordnung insbesondere an die Grenz- und Richtwerte wurden so festgelegt, dass Trinkwasser unter allen Bedingungen und von allen Personen, auch von Säuglingen und Kleinkindern, lebenslang getrunken werden kann, ohne dass eine gesundheitliche Beeinträchtigung zu erwarten ist. Deshalb dürfen für die Errichtung und Instandhaltung von Trinkwasserinstallationen aus gesundheitlichen und hygienischen Gründen nur Werkstoffe und Materialien verwendet werden, die in Kontakt mit Trinkwasser keine Stoffe in Konzentrationen abgeben, die höher als nach den allgemein anerkannten Regeln der Technik unvermeidbar sind. Bei der Planung und Ausführung müssen die anerkannten Regeln der Technik ebenfalls eingehalten werden. Aber nicht nur eine fachgerechte Planung und ordnungsgemäße Werkstoffwahl wird gefordert, sondern gleichermaßen auch ein ­bestimmungsgemäßer Betrieb. Dafür ist der Betreiber verantwortlich und er wird von der Trinkwasserverordnung auch in die Pflicht genommen.

Betriebstemperaturen

Zur Einhaltung der Trinkwasserhygiene gehören auch die Vorgaben zu den Betriebstemperaturen im Trinkwasser kalt und warm (Bild 3) .

Kaltwasserbetriebstemperaturen: Gegenüber der Vorgabe in DIN EN 806-2 („… sollte die Kaltwassertemperatur 25°C nicht übersteigen“) wurden die Anforderungen zur Einhaltung der Kaltwassertemperatur in DIN 1988-200 mit der Formulierung „… darf die Kaltwassertemperatur 25°C nicht übersteigen“ aus trinkwasserhygienischen Gründen verschärft. Die Erfüllung dieser Anforderung kann in der Regel nur sichergestellt werden, wenn der Betreiber für einen bestimmungsgemäßen Betrieb mit einem regelmäßigen Wasseraustausch sorgt. Ggf. sind Einrichtungen zu schaffen, die z.B. temperatur- oder zeitgesteuert bzw. in Abhängigkeit von der Nutzungsfrequenz sogenannte Hygienespülungen auslösen.

Warmwasserbetriebstemperaturen: Abweichend von der Temperaturvorgabe für Warmwasser an der Entnahmestelle von 60°C in DIN EN 806-2 wird für Deutschland (DIN 1988-200) eine Warmwassertemperatur von 55°C gefordert. Diese Festlegung entspricht den in Deutschland bisher üblichen und bewährten Betriebsbedingungen gemäß DVGW-Arbeitsblatt W551. Mit den beschriebenen Planungsgrundlagen unter Berücksichtigung der Bemessungsregeln für Warmwasserverbrauchs- und Zirkulationsleitungen in DIN 1988-300 kann diese Anforderung erfüllt werden. Eine Reduzierung der Warmwassertemperatur bei dezentraler Trinkwassererwärmung wird ermöglicht (s.a. DIN 1988-200 Abschnitt 9.7.2.4).

Thermische Desinfektion: Das Warmwasser- und Zirkulationssystem muss so geplant und gebaut werden, dass eine thermische Desinfektion mit 70°C durchgeführt werden kann. Mit Zirkulationsregulierventilen, die dem DVGW-Arbeitsblatt W554 entsprechen, ist grundsätzlich eine thermische Desinfektion möglich. Der Nachweis der Funktion im Desinfektionsfall sollte durch Rohrnetzberechnung geführt werden.

Planungsunterlagen

Neu in DIN 1988-200 ist, dass für Nichtwohngebäude, insbesondere bei Objekten mit erhöhten trinkwasserhygienischen Anforderungen, wie in Krankenhäusern, Seniorenwohnheimen, Kindergärten oder Hotels, in der Planungsphase mit dem Bauherrn und Betreiber die spätere Gebäudenutzung besprochen und dokumentiert werden sollte. In einem Raumbuch sollte der Umfang der Trinkwasserinstallation sowie deren spätere Nutzung in den einzelnen Räumen detailliert beschrieben werden mit dem Ziel, zunächst eine bedarfsgemäße und hygienegerechte Planung zu ermöglichen und den der Installation folgenden bestimmungsgemäßen Betrieb zu gewährleisten oder zumindest wahrscheinlicher zu machen.

Des Weiteren sollte für die Zeit nach der Inbetriebnahme ein Hygieneplan erstellt werden, der speziell die Vorgehensweise bei auftretenden Störfällen enthält. Die Trinkwasserverordnung verlangt dazu eine Gefährdungsanalyse mit entsprechenden zielgerichteten Maßnahmen zur Verhinderung von gesundheitlichen Beeinträchtigungen.

Probenahmestellen

In §14 der Trinkwasserverordnung wird verlangt, dass systemische Untersuchungen im Rahmen einer gewerblichen Tätigkeit (Mietwohnungen) oder öffentlichen Tätigkeit (Krankenhäuser, Hotels) in Gebäuden mit einer Großanlage zur Trinkwassererwärmung in regelmäßigen Zeitabständen beprobt werden müssen. Hierzu sind geeignete Probenahmestellen in die Trinkwasserinstallation einzubauen oder auch im Bestand nachzurüsten (Bild 4) . Zu einer orientierenden Probenserie aus dem System gehören mindestens folgende Probenahmestellen:

  • am Austritt des Trinkwassererwärmers,
  • am Eintritt der Zirkulation in den Trinkwassererwärmer und
  • an einer geeigneten repräsentativen Entnahmestelle aus der Peripherie (in der Regel die entfernteste Entnahmestelle).

Je nach Umfang der Trinkwasserinstallation können mehrere Proben aus Entnahmestellen aus der Peripherie erforderlich sein. Weitergehende Untersuchungen können dann gefordert werden, wenn bei der orientierenden Untersuchung Kontaminationen festgestellt werden. Großanlagen sind nach DVGW-Arbeitsblatt W551 Anlagen mit Trinkwasser­erwärmern mit einem Inhalt ≥400l und einem Inhalt ≥3l in jeder Rohrleitung zwischen dem Abgang Trinkwassererwärmer und Entnahmestelle. Dabei wird die eventuelle Zirkulationsleitung nicht berücksichtigt.

Technikzentralen, ­Installationsschächte und -kanäle

Für einen bestimmungsgemäßen Betrieb muss der Betreiber für einen regelmäßigen Wasseraustausch sorgen oder es müssen technische Einrichtungen eingebaut werden, die temperatur-, zeit- oder durchflussgesteuert einen Wasseraustausch gewährleisten. In Räumen, in denen eine erhöhte Wärmeentwicklung, z.B. durch warmgehende Rohrleitungen oder Wärmeerzeuger, stattfinden kann, sollten bei der Planung bereits Maßnahmen getroffen werden, damit die Trinkwässer sich möglichst nicht über 25°C erwärmen können. Wenn möglich, sollte die Sanitärzentrale räumlich getrennt von der Heizungszentrale angeordnet werden. Wasserbehandlungsanlagen sollten nicht in Heizzentralen aufgestellt werden. Temperaturmessungen in kombinierten Sanitär- und Heizungszentralen ergaben, dass auch mit größeren Dämmdicken (100 %) lediglich eine geringfügige Zeitverzögerung hinsichtlich einer Temperaturerhöhung in den Trinkwasserleitungen kalt bei Stagnation zu erreichen ist (Bild 5) .

In der VDI-Richtlinie 6023 wird beschrieben, dass in Installationsschächten und -kanälen Trinkwasserleitungen kalt zu warmgehenden Leitungen thermisch entkoppelt anzuordnen sind, ggf. durch eine räumliche Trennung (Bild 6) . Diese Anforderung wurde ganz bewusst in der DIN 1988-200 nicht gestellt, weil es derzeit keine gängige Baupraxis ist und der erforderliche Platz seitens der Architekten in der Regel nicht zur Verfügung gestellt wird.

Zentrale und dezentrale ­Trinkwassererwärmung

Vorliegende Untersuchungsergebnisse zeigen, dass die Vermehrung der Legionellen unabhängig vom Werkstoff besonders in großen Trinkwassererwärmern mit großem Speichervolumen und langen, weitverzweigten Leitungssystemen mit größeren Rohrdurchmessern und den daraus resultierenden größeren besiedelbaren Oberflächen auftritt. Von Bedeutung ist, dass sich auf den trinkwasserbenetzten Oberflächen von Rohrleitungen, Speichern usw. unter ungünstigen Umständen ein Biofilm ausbilden kann. Aus dem Biofilm können permanent Bakterien, auch Krankheitserreger wie Legionellen, an das vorbeifließende Trinkwasser abgegeben werden. Auf dieser Grundlage wurde in der Norm festgelegt, dass für alle Bauarten der Trinkwassererwärmung zunächst einmal die Festlegung getroffen wird, dass die Austrittstemperatur aus dem Trinkwassererwärmer 60°C betragen muss. Für zentrale Trinkwassererwärmer in Großanlagen gilt dieser Grundsatz. Eine weitere Anforderung besteht an die Temperaturregelung des Trinkwassererwärmers, die bei Entnahme von Spitzenvolumenströmen gewährleisten muss, dass die Speicheraustrittstemperatur lediglich im Minutenbereich absinken darf (Bild 7) . Diese Festlegung bedeutet, dass Temperaturregler mit einer kleinen Schaltdifferenz von z.B. 2K die Warmwassertemperatur des Trinkwassererwärmers regeln müssen.

Bei der Auslegung der Speichergröße bzw. der Durchflussleistung der zentralen Trinkwassererwärmer sind derzeit nur die Berechnungsgrundlagen von DIN 4708 vom April 1994 normativ geregelt. Bekannt ist, dass diese Norm von 1994 zu große Speicherinhalte festlegt. Deshalb sollten mit dem Auftraggeber die möglichen Bedarfskennzahlen vor der Planung der Trinkwassererwärmer ermittelt und im Raumbuch schriftlich vereinbart werden. Aus hygienischen Gründen kann es von Vorteil sein, dass statt großvolumiger Speicher mit großen trinkwasserberührten Oberflächen Durchflusssysteme gewählt werden, wenn die erforderliche Heizleistung beim Spitzenbedarf bereitgestellt werden kann.

Anlagen mit hohem ­Wasser­austausch (Kleinanlagen)

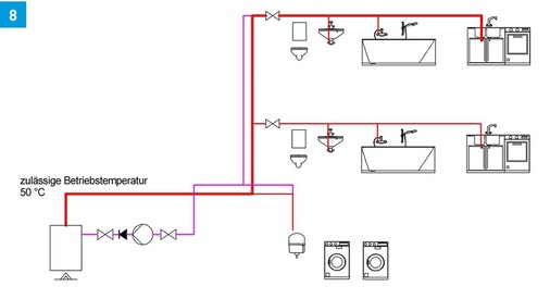
Speziell für zentrale Trinkwassererwärmer mit hohem Wasseraustausch, wie unter anderem bei Ein- und Zweifamilienhäusern, wurde eine Ausnahme von der Grundsatzforderung nach Speichertemperaturen ≥60°C zugelassen. Diese Anlagen werden nach dem DVGW-Arbeitsblatt W551 als Kleinanlagen bezeichnet (Bild 8) . Nach der Begriffsdefinition im DVGW-Arbeitsblatt W551 sind Kleinanlagen:

  • Einfamilienhäuser und Zweifamilienhäuser, unabhängig vom Inhalt des Trinkwassererwärmers und dem Inhalt der Rohrleitung,
  • Anlagen mit Trinkwassererwärmern mit ­einem Inhalt

Diese Öffnung soll insbesondere den Einsatz von regenerativen Wärmeerzeugern für die Trinkwassererwärmung, wie Wärmepumpen ermöglichen. So ist es beispielsweise beim Einsatz von Luft/Wasser-Wärmepumpen oftmals nicht möglich, die erforderliche Vorlauftemperatur zur Erwärmung des Trinkwassers auf ≥60°C ohne elektrische Nachheizung zu erreichen. Da die Wirtschaftlichkeit solcher Anlagen mit Zusatzenergie zur Erreichung der erforderlichen Übertemperatur erheblich sinkt, wurde hier eine Öffnung zugelassen. Die Öffnung besagt, dass die Warmwasserbevorratungstemperatur auf ≥50°C abgesenkt werden kann, wenn ein Wasseraustausch von Speicher- und Rohrleitungsvolumen innerhalb von drei Tagen sichergestellt werden kann. Jedoch muss am Trinkwassererwärmer die Möglichkeit bestehen, die Bevorratungstemperatur auf ≥60°C einzustellen. Mit dem Betreiber der Anlage ist diese Vorgehensweise abzustimmen. Er muss darauf hingewiesen werden, dass es sich hier um eine Ausnahmeregelung handelt und er für den erforderlichen Wasseraustausch verantwortlich ist. Der Betreiber muss zudem hinreichend über das Gefährdungspotenzial bei abgesenkten Temperaturen informiert werden.

Dezentrale Anlagen

Dieser Abschnitt regelt ebenfalls eine Ausnahme von der Grundsatzforderung nach Speichertemperaturen ≥60°C. Für Trinkwassererwärmer in der Einzelversorgung werden keine Mindest-Warmwassertemperaturen gefordert. Dadurch ist bei Unter- oder Übertischgeräten der Betrieb mit der Energiesparstufe bei ca. 40°C Betriebstemperatur zulässig. Bei Gruppenversorgungen mit Trink­wasserspeichern ist es zulässig, die Warmwassertemperatur auf ≥50°C abzusenken, wenn das nachgeschaltete Leitungsvolumen drei Liter im Fließweg nicht überschreitet. Auch bei einer Gruppenversorgung empfiehlt sich eine Betriebsweise mit einer Warmwasserbevorratungstemperatur ≥50°C.

Bei Durchfluss-Trinkwassererwärmern in der Gruppenversorgung (Durchlauferhitzer) gibt es keine Anforderung bezüglich einer Mindest-Warmwassertemperatur, wenn das nachgeschaltete Leitungsvolumen drei Liter im Fließweg nicht überschreitet (Bild 9) .

Zirkulationssysteme

Die Anforderung, dass bei Rohrleitungen>3l Inhalt zwischen Abgang Trinkwassererwärmer und entferntester Entnahmestelle Zirkulationssysteme einzubauen sind, gilt für alle Trinkwasserinstallationen in allen Gebäuden, auch in Kleinanlagen, wie in Ein- und Zweifamilienhäusern (Bild 10) . Diese Festlegung wurde getroffen, damit die Kleinanlage ggf. auch wie eine Großanlage betrieben werden kann. Auch wenn der Betreiber sich zunächst für eine Betriebstemperatur von 50°C nach Abschnitt 9.7.2.3 entscheidet, kann zu einem späteren Zeitpunkt, wenn z.B. aus gesundheitlicher Sicht wieder eine Betriebsweise mit 60°C erforderlich wird, eine Umstellung ohne weitere bautechnische Maßnahmen erfolgen. Lediglich die Einstellung der Sollwerttemperatur am Temperaturregler muss für diese Zwecke auf 60°C verändert werden.

Hydraulischer Abgleich

Für Trinkwasserinstallationen mit zentraler Warmwasserversorgung ergeben sich für Trinkwasserleitungen warm mit Zirkulation Rohrnetzstrukturen wie in Bild 11 dargestellt. Diese Systeme sind charakterisiert durch eine vollständige Zirkulation über die Kellerverteilungs- und Steigleitungen. Der Anschluss der Zirkulationsleitung erfolgt in der Regel am letzten Stockwerksabzweig der Steigleitung. Bei einer Parallelverlegung von Warmwasser- und Zirkulationsleitungen sind für die Berechnung in der Regel (Beimischfaktor η = 0 gemäß DIN 1988-300) die Temperaturen am Anschlusspunkt der Zirkulation an die Steigleitung, je nach zugelassenem Temperaturabfall, bei Δϑ = 5K jeweils 57,5°C bzw. bei Δϑ = 4K entsprechend 58°C. Die Speichereintrittstemperatur der Zirkulation muss mindestens 55°C betragen. Im gesamten zirkulierenden Warmwasser- und Zirkulationssystem darf die Trinkwassertemperatur von 55 °C nicht unterschritten werden.

Damit diese Temperaturanforderungen eingehalten werden können, sind differenzierte Bemessungen mit einem technischen Berechnungsprogramm, das die Berechnungs­regeln der DIN 1988-300 berücksichtigt, durchzuführen. Eine Temperaturhaltung von 5K im Zirkulationssystem ist nur dann möglich, wenn in pumpenferneren Steigleitungen größere Volumenströme fließen als in pumpennahen Steigleitungen. Aus diesem Grund ist ein hydraulischer Abgleich mit Zirkulationsregulierventilen entsprechend den Einstellwerten für die Zirkulationsregulierventile aus der Rohrnetzberechnung vorzunehmen.

Dämmung von Kaltwasserleitungen

Grundsätzlich sind alle Trinkwasserleitungen kalt entsprechend den Vorgaben der Tabelle 8 von DIN 1988-200 zu dämmen. Die in Tabelle 8 festgelegten Mindestdämmschichtdicken sind Richtwerte, die dann gelten, wenn die Vorgaben der Norm zur Verlegung von Trinkwasserleitungen kalt sowie ein bestimmungsgemäßer Betrieb eingehalten werden. Kann dies nicht gewährleistet werden, müssen unter anderem größere Dämmschichtdicken oder Dämmstoffe mit geringerer Wärmeleitfähigkeit verwendet werden. Allerdings lässt sich auch mit einer noch so dicken Wärmedämmung bei längeren Stagnationszeiten eine Erwärmung des Trinkwassers auf über 25°C nicht immer vermeiden, weil diese sowohl von den Temperaturunterschieden zwischen Kaltwasser- und Umgebungstemperaturen und der Verweilzeit des Trinkwassers in den Rohrleitungen als auch von der Wärmeleitfähigkeit des Dämmstoffes abhängt.

Tauwasserbildung auf Trinkwasserleitungen kalt kann in aller Regel durch Einhaltung der Dämmschichtdicken der Tabelle 8 und durch Wahl geeigneter diffusionsdichter Dämmstoffe vermieden werden. An die Dämmung von Trinkwasserleitungen kalt sind nicht die gleichen Anforderungen zu stellen wie an die Dämmung von Kaltwasserleitungen in Kälteanlagen.

Auf eine Dämmung von Trinkwasserleitungen kalt kann dann verzichtet werden, wenn keine Erwärmung durch Umgebungstemperaturen zu erwarten ist und eine Tauwasserbildung nicht stattfindet oder keine Beeinträchtigung auf den Baukörper oder die Einrichtung zur Folge haben kann, z.B. bei Waschmaschinenanschlüssen in Waschküchen im Keller (Bild 12) .

Fußbodenheizung und ­Kaltwasserleitungen

In Tabelle 8, Fußnote b wird die Verlegung einer Trinkwasserleitung kalt im Fußbodenaufbau in Verbindung mit einer Fußbodenheizung nur dann zugelassen, wenn entsprechend Abschnitt 3.6 von DIN 1988-200 maximal nach 30s und dem vollen Öffnen einer Entnahmestelle die Kaltwassertemperatur 25°C nicht übersteigt. Diese Festlegung wurde aus hygienischen Gründen getroffen, weil durch Wärmeübertragung einer Fußbodenheizung die Kaltwasserleitung im Fußbodenaufbau beeinflusst werden kann, auch wenn die Kaltwasserleitung in verlegefreien Zonen der Fußbodenheizung installiert wird.

Gängige Baupraxis ist, dass innerhalb einer Wohnung eine bedarfsabhängige Abrechnung der Wasserkosten erfolgt und deshalb an einer Stelle der Wohnung ein Wohnungswasserzähler installiert wird. Der Aufwand, mehrere Wasserzähler in einer Wohnung zu installieren, wird aus Kosten- und Abrechnungsgründen bei Neuinstallationen in aller Regel vermieden. Nur aus Gründen der derzeitigen Grundrissgestaltungen, die der Planer nicht beeinflussen kann, wurde mit der Fußnote b zur Tabelle 8 eine Möglichkeit geschaffen, dass von einer zentralen Stelle in der Wohnung, wo der Wohnungswasserzähler installiert ist, entfernter gelegene Entnahmestellen, wie in einem Gäste-WC oder in einer Küche, mit einer Trinkwasserleitung über den Fußboden im Randbereich einer Fußbodenheizung versorgt werden können (Bild 13) .

Dämmung von ­Warmwasser­leitungen

Die Dämmung von Trinkwasserleitungen warm wurde komplett in DIN 1988-200 geregelt mit der Zielsetzung, dass die Energieeinsparverordnung zukünftig auf die Norm verweist. Grundsätzlich werden die Dämmanforderungen der Tabelle 9 in zwei Kategorien unterschieden. Zur ersten Kategorie (Tabelle 9, Zeile 1-4) zählen alle Kellerverteil-, Steige- und Zirkulationsleitungen sowie Stockwerksleitungen, wenn diese in den Zirkulationskreis einbezogen oder mit Begleitheizung ausgestattet sind. Alle Rohrleitungen dieser Kategorie für Trinkwasser warm sind mindestens mit den dort angegebenen Dämmschichtdicken 100 % gegen Wärmeverluste zu dämmen. Dies gilt auch für Absperrarmaturen.

Die Anforderungen gemäß Tabelle 9, Zeile 6 betreffen die zweite Kategorie. Dabei handelt es sich um Leitungsabschnitte oder Stockwerksleitungen, die nicht in den Zirkulationskreis einbezogen sind. Nach den allgemein anerkannten Regeln der Technik sind diese auf einen Wasserinhalt von ≤3l – bezogen auf den jeweiligen Fließweg – begrenzt. Dieses Leitungsvolumen wird in der Praxis jedoch nur selten erreicht, weil entsprechende Ausstoßzeiten nicht die gewünschten Komfortkriterien erfüllen (Bild 14) .

Die Abkühl- und Erwärmungszeiten gemäß Bild 14 wurden bezogen auf eine Umgebungstemperatur von 25°C berechnet. Dabei zeigt sich, dass selbst eine Dämmung gemäß Tabelle 2, Zeile 1 (100 %) eine relativ schnelle Abkühlung des Warmwassers in einer Stockwerks- oder Einzelzuleitung nicht verhindern kann. Da Entnahmestellen für Trinkwasser warm durchschnittlich im Laufe eines Tages nur kurzzeitig genutzt werden, lassen sich solche Wärmeverluste in den zuvor beschriebenen Leitungsteilen, die nicht in den Zirkulationskreis einbezogen sind, durch Dämmmaßnahmen nicht verhindern. Diese sind im Vergleich zu Rohrleitungen der Kategorie 1 ohnehin vernachlässigbar.

Vermeidung von Korrosion und Steinbildung

Alle Anforderungen aus der zurückgezogenen DIN 1988-7 „Vermeidung von Korro­sionsschäden und Steinbildung“ sind in den europäischen Normen DIN EN 806-4 „Installation“ und DIN EN 806-2 „Planung“ zum größten Teil enthalten. Deshalb wurden die wenigen noch fehlenden Anforderungen in den Abschnitt 18 von DIN 1988-200 integriert. Damit während der fiktiven Betriebsdauer von Rohren (50 Jahre) und Rohrverbindungen das Auftreten von Korrosionsschäden vermindert werden kann, sollten die Faktoren, die die Korrosionswahrscheinlichkeit beeinflussen, beachtet werden (Bild 15) .

Fazit

Die Einhaltung der Planungsregeln von DIN EN 806-2 und DIN 1988-200 ist die Voraussetzung dafür, dass durch die nachfolgende Installation sowie durch den bestimmungsgemäßen Betrieb der Trinkwasserinstallation die Anforderungen der Trinkwasserverordnung erfüllt werden können. Deshalb ist die Planung von qualifizierten und erfahrenen Planern entsprechend den anerkannten Regeln der Technik für Trinkwasserinstallationen vorzunehmen.

In der nächsten Ausgabe wird das Thema DIN 1988-300 und DIN EN 806-3 Ermittlung der Rohrdurchmesser nach den differenzierten und vereinfachten Verfahren behandelt.

INFO

SBZ-Artikelserie zur TRWI

Teil 1: Neues Regelwerk zur TRWI jetzt komplett SBZ 20/12

Teil 2: DIN EN 1717 und DIN 1988-100 „Schutz des Trinkwassers“ SBZ 21/12

Teil 3: DIN EN 806-1 „Allgemeines“ SBZ 22/12

Teil 4: DIN EN 806-2 und DIN 1988-200 SBZ 23/12

Teil 5: DIN 1988-300 und DIN EN 806-3 „Ermittlung der Rohrdurchmesser“

Teil 6: DIN EN 806-4 „Installation“

Teil 7: DIN EN 806-5 „Betrieb und Wartung“

Teil 8: DIN 1988-500 „Druckerhöhungsanlagen mit drehzahlgeregelten Pumpen“

Teil 9: DIN 1988-600 „Trinkwasser-Installationen in Verbindung mit Feuerlösch- und Brandschutzanlagen“

Teil 10: DIN 14462 „Löschwassereinrichtungen“

Autor

Franz-Josef Heinrichs ist Referent für Sanitärtechnik im Zentralverband ­Sanitär Heizung ­Klima, 53757 St. Augustin, E-Mail: f.heinrichs@zentralverband-shk.de

Tags