
Aschl

Aschl
Aschl, Spezialist für Rohrleitungstechnik, hat für den Bereich Verteiler- und Behälterbau 3 neue digitale Anforderungsblätter eingerichtet. Die Online-Formulare für Sonderanfertigungen sollen einen reibungslosen Projektstart ermöglichen und Zeit sparen.
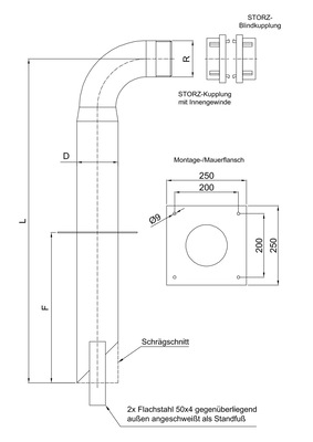
Bisher gestaltete sich die Anforderung von Sonderanfertigungen oft aufwendig. Handskizzen mussten erstellt und fehlende Maßangaben recherchiert werden. Aschl digitalisiert diesen Prozess nun mit neuen Online-Formularen für Wanddurchführungen, Segmentrohrbogen und Saugrohre.
Die neuen Online-Formulare führen Schritt für Schritt durch alle relevanten Informationen. Mit wenigen Angaben ist die Anfrage vollständig erfasst und landet direkt bei dem zuständigen Ansprechpartner.
Das soll folgende Vorteile bringen:
● Klare Datenangaben
● Reibungsloser Ablauf in der Kalkulation und Fertigung
● Deutlich optimierte Reaktionszeiten auf Kundenanfragen und -bestellungen
Die Anforderungsblätter sind jederzeit über die Aschl-Website im Bereich Verteiler- & Behälterbau einsehbar. Aschl verspricht sich davon eine effizientere Projektumsetzung und einen verbesserten Service für seine Kunden. ■
Quelle: Aschl / fl