Springe auf Hauptinhalt Springe auf Hauptmenü Springe auf SiteSearch
Warmwasser-Zirkulation

Typische Schwachstellen in der Zirkulation

„Oh nein, den Fehler habe ich auch schon so gemacht.“

Krakenimages.com - stock.adobe.com

„Oh nein, den Fehler habe ich auch schon so gemacht.“

Zirkulationsleitungen zur komfortablen und hygienischen Warmwasserbereitstellung werden seit Jahrzehnten verlegt. Und seit Jahrzehnten werden die nachfolgend beschriebenen Schwachstellen sehr häufig gebaut. Damit das nicht mehr passiert schreiben wir diesen Bericht.

Es gibt eine wirklich pfiffige Alternative zur konventionellen Verlegung, die fast ohne Mehreinsatz von Rohr und Material auskommt. Gewissermaßen schlägt man mit unserem Vorschlag zwei Fliegen mit einer Klappe.

Aber zuerst: lesen, gucken, verstehen und umsetzen!

Gründe für eine Zirkulation

Dieses Beispiel beschäftigt sich mit dem Einfamilienhaus, lässt sich gedanklich aber auch auf andere Einbausituationen übertragen.

Das warme Wasser soll…
sehr zügig zur Verfügung stehen, wenn der Nutzer den Hahn aufdreht. Das bedeutet konkret: Im ersten Obergeschoss soll abends beim Zähneputzen nicht erst das gesamte, eventuell abgekühlte Wasser aus der Warmwasserleitung entnommen werden müssen, um an das erwärmte Wasser aus dem zentralen Trinkwassererwärmer im Keller des Hauses zu gelangen. Es soll sofort den Komfort einer warmen Spülung bieten.

hygienischen Bedingungen unterworfen bleiben. Das bedeutet konkret, dass es mit mindestens 60 °C den Trinkwassererwärmer im Keller verlassen soll und an keiner Stelle der Leitung kühler als 55 °C sein, ehe es dann wieder mittels Zirkulationspumpe in den Speicher zurückgedrückt und nacherwärmt wird.

Vier Varianten der Verlegung

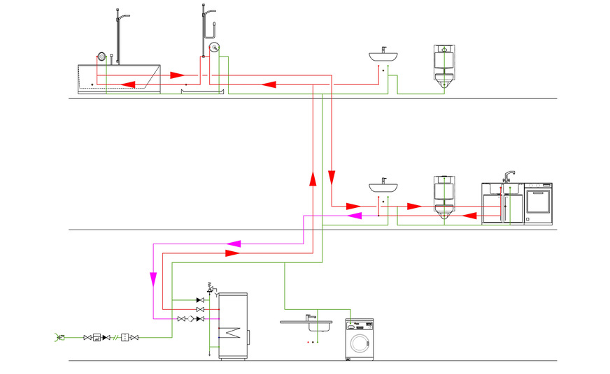
Variante 1: Umsetzung im einfachen Fall

Eine Standardinstallation mit funktionsfähiger aber eher mäßiger Zirkulation.

 IBH

Eine Standardinstallation mit funktionsfähiger aber eher mäßiger Zirkulation.

Im einfachen Ansatz wird eine Warmwasserleitung ins Bad, meistens also ins Obergeschoss verlegt. Am letzten Verbraucher wird dann ein T-Stück gesetzt und eine meistens 15-er Leitung (gemeint ist DN 12, also 15 x 1) in den Keller zurückgeführt und an den Warmwasserbereiter angeschlossen. Eine Pumpe aus Rotguss wird in diese 15-er Leitung eingebaut und bewegt das Wasser ständig hoch zu der entferntesten Zapfstelle und von dort zurück zum Trinkwassererwärmer.

Bewertung

Diese Anordnung funktioniert und kann sogar berechnet werden.

Die Küche – befindet sich in Einfamilienhäusern fast immer im Erdgeschoss und meistens nicht direkt unter dem Bad im Obergeschoss – soll aber natürlich auch am Warmwasser angeschlossen werden. Dazu legt man im einfachsten Fall eine Stichleitung zur Spüle und gut ist die Installation.

Im Zweifel muss der Nutzer also später das abgekühlte Wasser aus der Warmwasserleitung zur Küche erst entnehmen, bis dann endlich etwas warmes Wasser kommt. Auch die Spülmaschine kann niemals direkt erwärmtes Wasser ziehen. Es muss im Falle der Spülmaschine immer zumindest teilweise elektrisch aufgeheizt werden, unabhängig davon, ob im Keller bereits ein Vorrat existiert, der vielleicht schon von der thermischen Solaranlage erwärmt wurde.

Das schreit doch nach einer Verbesserung.

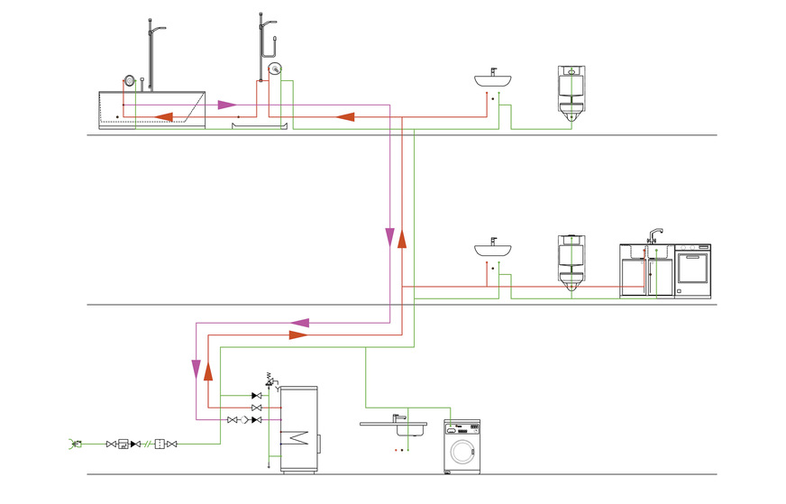
Variante 2: Küche an die Zirkulation

Eine eher ungünstige Installation, die aber leider sehr oft gebaut wird und so nicht sauber funktionieren kann. Es stellt weder einen ausreichender Komfort noch eine hygienische Ausgangslage dar

IBH

Eine eher ungünstige Installation, die aber leider sehr oft gebaut wird und so nicht sauber funktionieren kann. Es stellt weder einen ausreichender Komfort noch eine hygienische Ausgangslage dar

Wollte man also in der Küche ebenfalls sofort warmes Wasser zapfen, so konnte die Zirkulation natürlich auch mit der entfernten Zapfstelle in der Küche verbunden werden. Und dies wurde nach meiner Einschätzung vielfach ausgeführt. Es wurde einfach ein T-Stück in die Zirkulation eingesetzt und mit einem weiteren Zirkulationsanschluss in der Küche verbunden.

Bewertung

Die dargestellte Situation ist nicht zu empfehlen. Auf den ersten Blick sieht das aus, als würde es funktionieren. Bei genauem Hinsehen jedoch stellt man fest, dass die Strömung der Zirkulation nicht mehr zwangsläufig durch das Bad im Obergeschoss zirkuliert. Vielmehr wird der durch die Zirkulationspumpe bewegte Stromfaden den sehr viel kürzeren und damit den sehr viel strömungsgünstigeren Weg durch die Küche nehmen.

Die Strömung durch das Badezimmer im Obergeschoss bildet sich eher zufällig aus und kann im Zweifel sogar äußerst lahm werden. In der Folge wird sich dieser Abschnitt also ständig auf einem mäßigen Temperaturniveau bewegen.

Wer will sagen an welcher Stelle in diesem erlahmten Abschnitt die geforderten 55 °C vielleicht sogar unterschritten werden? Wer will sagen, wie gut die Wachstumsbedingungen für Legionellen und Co. in diesem lahmen Abschnitt sind? Aus technischer Sicht und auch noch aus Sicht eines Hygienikers kann man festhalten, dass diese Situation sehr unbefriedigend ist. Daher sollte unbedingt eine andere Verlegung gewählt werden.

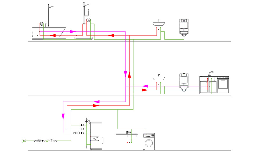
Variante 3: der Masterplan

Zwei Fliegen mit einer Klappe und ohne Mehraufwand: Komplette Zirkulation ohne teuren und aufwendigen Schnickschnack.

IBH

Zwei Fliegen mit einer Klappe und ohne Mehraufwand: Komplette Zirkulation ohne teuren und aufwendigen Schnickschnack.

Die Installation der Rohleitungen kann in dem hier skizzierten Fall fast komplett identisch bleiben. Lediglich ein Teil der Installation wird gewissermaßen aufgebrochen und auf diese Weise zu einem anderen Strömungsverlauf gezwungen.

Es ist dann so, dass das warme Wasser immer zuerst hoch ins Bad läuft und von dort erst wieder runter zur Küche.

Wenn also jemand in der Küche zapft, so erhält er das Warmwasser, das schon durch das Badezimmer im Obergeschoss gejagt wurde. Im Ruhezustand, also wenn nur die Zirkulationspumpe für Bewegung sorgt, wird das Wasser durch das Bad im Obergeschoss bewegt, danach durch die Küchenanschlüsse im Erdgeschoss und von da ausgehend zurück zum Trinkwassererwärmer.

Bewertung

Selbst ohne hydraulischen Abgleich gelingt so eine absolut sichere Durchströmung der Warmwasserleitungen im gesamten Objekt.

Und das Schöne: Dieser Effekt lässt sich erzielen ohne dabei mehr Rohr aufzuwenden. Zumindest in der skizzierten Anordnung reicht eine 15-er Leitung als Zirkulationsleitung und auch als Leitung zur Küche.

Variante 4: teure Alternative

Zirkulation mit aufwendiger Regelung der Volumenströme.

IBH

Zirkulation mit aufwendiger Regelung der Volumenströme.

Will man zwanghaft die Strömungen aufteilen sollte man für einen entsprechenden hydraulischen Abgleich sorgen. Unsere Armaturenhersteller bieten natürlich Strangregulierventile die man in jeweils geteilten Strömungsverläufe einbauen kann.

Diese Ventile können dort, ähnlich wie ein Thermostatventil anhand der Temperaturen im jeweiligen Strang die Volumenströme anpassen. Bei starker Abkühlung eines Strangs wird das Strangregulierventil in diesem weiter aufgerissen und lässt eine stärkere Strömung zu. Dabei nimmt die Temperaturspreizung ab. Umgekehrt verengen solche automatischen Strangregulierventile den durchflossenen Querschnitt, wenn es denn zu warm wird.

Bewertung

Schon an der Funktionsbeschreibung wird deutlich, dass solche Regulierventile im Zweifel auch mal inspiziert und gewartet werden müssen. Daher ist die Zugänglichkeit zu einem solchen Ventil zwingend erforderlich. Das schreit also nach Revisionsöffnungen in den Abzweigen zu den jeweiligen Zirkulationsanbindungen.

Fazit

Das Teilen von Zirkulationsvolumenströmen ist eher kontraproduktiv und sollte nur ausgeführt werden, wenn es wirklich sinnvoll und notwendig ist. In Mehrfamilienhäusern bei zwangsläufig mehreren Steigesträngen wird eine Teilung der Zirkulationsleitung am Fuß der Steigestränge unumgänglich sein.

Im Falle der angebotenen Alternative 3 sind einerseits die teuren Ventile unnötig, noch ist eine Revisionsöffnung in dem meist gefliesten Bad notwendig. Also ist dieser Kanonenschuss auf winzige Spatzen aus Variante 4 eher übertrieben.

Lieber geht man mit entsprechender Verlegtechnik als mit Regeltechnik vor und schränkt dabei noch Baukosten und anschließende Wartung auf ein geringeres Maß ein.

In einem Einfamilienhaus kann man also sehr häufig durch eine pfiffige Anordnung der Warm- und Zirkulationsleitungen auf eine Teilung oder zusätzliche Leitungen verzichten und trotzdem eine komfortable und hygienische Warmwasserströmung erreichen.

Ein Mehraufwand an Technik und Hilfsmitteln muss nicht unbedingt förderlich sein für den ­sicheren Betrieb einer Trinkwasserinstallation. ■

Dieser Beitrag von Elmar Held ist zuerst im SBZ-Monteur 01-2024 unter dem Titel „Unbedingt zu Ende denken“ erschienen.