Springe auf Hauptinhalt Springe auf Hauptmenü Springe auf SiteSearch

Hydraulischer Abgleich vereinfacht

Der hydraulische Abgleich der Heizkörper zählt zu den geringinvestiven Einsparmaßnahmen und wird seit einigen Jahren zu Recht gefordert und gefördert. In wissenschaftlichen Untersuchungen ist eine Stromeinsparung der Umwälzpumpe von 0,3 kWh/m 2 a und eine Endenergieeinsparung von 8 kWh/m 2 a (Brennstoff bzw. Strom bei Wärmepumpe) erzielt worden. Das ergibt für einen Haushalt mit 140 m 2 beheizter Wohnfläche jährlich etwa 90 Euro. Da der hydraulische Abgleich der Heizkörper untereinander im Bestandsgebäude mit einigem Aufwand verbunden ist, stand bislang seitens der Industrie dessen Vereinfachung im Fokus. Dabei ist der hydraulische Abgleich des Verteilers notwendige Voraussetzung für ein abgeglichenes Gesamtsystem wie im Folgenden verdeutlicht wird.

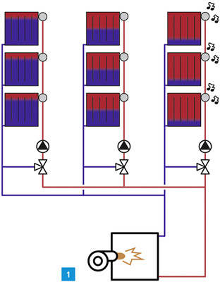
Bild 1 zeigt exemplarisch das Schema einer Heizungsanlage mit drei gemischten Heizkreisen am Heizkreisverteiler mit einem bodenstehenden Brennwertkessel ohne integrierte Pumpe. Durch die Verwendung von jeweils einer Pumpe können in den Heizkreisen unabhängige Heizkennlinien und unabhängige Zeitprogramme (z. B. Nachtabsenkung) eingestellt werden.

Es wird verdeutlicht, dass durch unabgeglichene Heizungskreisläufe am Verteiler die Vorteile des hydraulischen Abgleichs der Heizkörper zunichte gemacht werden können. Obwohl jeder Heizkörper im Einzelbetrieb hydraulisch abgeglichen wurde, kommt es beim Parallelbetrieb zu Problemen. Der linke Heizkreislauf wird nicht ausreichend mit Wärme versorgt, während der rechte Heizkreislauf zu hohe Rücklauftemperaturen aufweist. Zusätzlich können an den Thermostatventilen die bekannten Pfeifgeräusche auftreten. Heizkörper und Heizkreisläufe müssen deshalb gemeinsam abgeglichen werden! Denn über den gemeinsamen Kesselkreislauf sind die Heizungskreisläufe miteinander gekoppelt und beeinflussen sich gegenseitig.

Bild 2 verdeutlicht dies anhand zweier Anlagenschemata mit drei ungemischten Heizkreisen für den Auslegungspunkt. Ist nur ein Heizkreislauf mit 750 l/h in Betrieb (Einzelbetrieb, Bild 2 links) ist die Anlagenkennlinie des Heizkreislaufs flach. Die Druckverluste im Kesselkreis betragen exemplarisch 30 hPa und die Heizungspumpe muss eine Förderhöhe von 1,33 mWS (130 hPa) aufbauen. Sind alle Heizkreisläufe mit jeweils 750 l/h in Betrieb (Parallelbetrieb, Bild 2 rechts) wird die Anlagenkennlinie jedes Heizkreislaufs steiler. Verstärkt wird der Effekt durch die Nichtlinearität der Druckverluste, die sich quadratisch mit dem Gesamtvolumenstrom erhöhen. Die Druckverluste im Kesselkreis betragen jetzt das Neunfache, nämlich 270 hPa, und jede Pumpe muss eine Förderhöhe von 3,77 mWS (370 hPa) erzeugen. Die Pumpen müssen also unterschiedlich viel Druck aufbauen, um den gewünschten Differenzdruck von 100 hPa zwischen Vor- und Rücklauf zu erzeugen.

Heizkreise beeinflussen sich gegenseitig

Die Höhe der gegenseitigen Beeinflussung hängt von der Steilheit der Druckverlustkennlinie des Kesselkreislaufs inkl. Verteiler, Kessel und Verrohrung ab. Sich negativ auswirkende Faktoren sind:

  • eine hohe Anzahl von Heizkreismodulen,
  • ein hoher Gesamtvolumenstrom durch den Wärmeerzeuger sowie
  • hohe Druckverlustbeiwerte der eingesetzten Komponenten.

Bild 3 zeigt die exemplarische Druckverlustkennlinie des gemeinsamen Kesselkreislaufs inklusive Kessel, Verrohrung und Verteiler. Eingezeichnet ist die Druckdifferenz p der beiden Fälle Einzel- und Parallelbetrieb im Auslegungspunkt. p spiegelt die notwendige Überdimensionierung aller Pumpen wider. Diese wird jedoch im Jahresverlauf selten benötigt, wie eine dynamische Simulationsrechnung mit dem Programm TRNSYS verdeutlicht. Auf der zweiten Ordinate von Bild 3 ist die kumulierte, relative Häufigkeitsverteilung des Gesamt-Volumenstroms durch den Kessel eines unsanierten Mehrfamilienhauses dargestellt. Es handelt sich um einen Zweispänner mit acht Wohneinheiten à 65 m 2 und einem spez. Heizwärmeverbrauch von 176 kWh/m 2 a. Die Ergebnisse wurden auf den in diesem Zahlenbeispiel verwendeten Auslegungsvolumenstrom skaliert.

Im Bild 3 erkennt man, dass der Auslegungsvolumenstrom von 2250 l/h nur etwa während 1 % der Heizperiode von 6851 h auftritt. Über die halbe Heizperiode befindet er sich sogar unter 875 l/h. Das liegt zum einen daran, dass es relativ wenige sehr kalte Tage im Jahr gibt und zum anderen, dass die Heizlast der einzelnen Heizkreise nicht immer gleichzeitig auftritt. Verstärkt wird die Diskrepanz zwischen Maximalwert und Medianwert noch durch unterschiedliches Nutzerverhalten (Raum-Solltemperaturen, Nachtabsenkung, Abwesenheitszeiten etc.) oder verschiedene interne Lasten, welches in dieser Simulation aus Gründen des Rechenaufwands in allen Wohnungen gleich gesetzt wurde. Auch der Einfluss solarer Gewinne auf die südlich orientierten Räume nimmt zu, wenn das Gebäude besser gedämmt ist bzw. größere Fensterflächen aufweist.

Probleme bei der Einstellung von Pumpenparametern

Bild 4 demonstriert beispielhaft das Dilemma des Handwerkers bei der Einstellung der Heizungspumpen für den Auslegungspunkt im Pumpendiagramm eines Heizkreislaufs. Einzel- und Parallelbetrieb sind wie oben erläutert durch verschieden steile Anlagenkennlinien charakterisiert. Eingetragen ist eine Proportionaldruckkennlinie, bei der die Förderhöhe der Pumpe, bezogen auf ihre Stutzen, linear mit dem Volumenstrom ansteigt. Für nähere Informationen zur Pumpenregelung sei auf die Literatur Wilo: Grundlagen der Pumpentechnik verwiesen. Am Schnittpunkt von Anlagenkennlinie und Regelkennlinie der Pumpe ergibt sich der Arbeitspunkt. Betrachten wir zwei Extremfälle:

  • Der Handwerker wird nun in der Regel die höhere Regelkennlinie I wählen müssen, um den Auslegungsvolumenstrom von 750 l/h bei Parallelbetrieb zu erzielen. Die Pumpe nimmt 20 W auf. Reduzieren die anderen Heizkreisläufe ihren Bedarf/Volumenstrom, wandert der Arbeitspunkt zu höheren Volumenströmen. Die Pumpe erhöht ihre Drehzahl, nimmt 33 W auf und baut deutlich zu viel Druck pI auf, was zu Pfeifgeräuschen an den Thermostatventilen führen kann. Der höhere Volumenstrom durch die Heizkörper führt nur zu einer geringen Erhöhung der Heizkörperleistung, aber die Rücklauftemperatur steigt deutlich an. Die Effizienz moderner Wärmeerzeuger sinkt.
  • Wenn die Pumpe schwächer eingestellt wird (Regelkennlinie II), tritt der gegenteilige Effekt auf. Erhöhen andere Heizkreisläufe ihren Volumenstrom, wandert der Arbeitspunkt zu kleineren Volumenströmen. Die Pumpe reduziert ihre Drehzahl, nimmt 11 W auf und baut zu wenig Druck pII auf. Die Vorlauftemperatur muss erhöht werden, um den Wärmebedarf zu decken. Die Verluste steigen und es wird mehr Brennstoff/Endenergie verbraucht.

Eine steilere Anlagenkennlinie wird durch die selbstregelnden Pumpen als Abnahme des Wärmebedarfs interpretiert, was die Pumpe in derartigen Systemen zu genau der falschen Reaktion, nämlich einer Drehzahlreduktion verleitet. Das gilt natürlich umgekehrt auch für eine flachere Anlagenkennlinie. Weil die Grundannahme die gleiche ist, kann auch die automatische Adaption der Pumpenkennlinie durch die gegenseitige Beeinflussung fehlgeleitet werden.

Für einen stromsparenden Betrieb der hocheffizienten Pumpen muss der Heizkreisverteiler differenzdruckarm gestaltet sein, zum Beispiel durch den Einsatz einer hydraulischen Weiche oder eines Heizungspufferspeichers. Weil die Volumenströme vor und nach der hydraulischen Weiche nicht abgeglichen sind, ist die Rücklauftemperatur zum Wärmeerzeuger höher als optimal. Im Falle eines Pufferspeichers kommen noch zusätzliche Speicherverluste dazu. Beides verschlechtert die Effizienz temperaturempfindlicher Wärmeerzeuger (Brennwertkessel, Wärmepumpen). Die Vorteile des hydraulischen Abgleichs der Heizkörper werden teilweise zunichte gemacht.

Als Alternative zum differenzdruckarmen Verteiler werden in der Praxis drosselnde Armaturen wie Strangregulierventile und Differenzdruckregler eingesetzt. Diese werden auch beim Nachweis des hydraulischen Abgleichs durch die BAFA abgefragt. Während das Strangregulierventil nur für den Auslegungspunkt, also Volllast, eingestellt wird, gewährleisten Differenzdruckregler einen dynamischen Abgleich auch bei Teillast. Drosselnde Armaturen erhöhen jedoch den Druckverlust und damit den Pumpenstromverbrauch.

Bild 5 verdeutlicht exemplarisch die Auswirkung von Differenzdruckreglern für den Auslegungspunkt im Pumpendiagramm. Die Anlagenkennlinie ist mit Differenzdruckregler noch steiler, sodass die Regelkennlinie der Pumpe noch höher eingestellt werden muss, um den Auslegungsvolumenstrom von 750 l/h zu erzeugen. Diese Anlagenkennlinie ergibt sich im Auslegungspunkt sowohl beim Einzel- als auch beim Parallelbetrieb. Die Pumpe nimmt in diesem Arbeitspunkt 28 W auf, unabhängig davon, ob der Heizkreislauf allein oder parallel mit anderen im Betrieb ist. Im Parallelbetrieb wird lediglich weniger Energie in Form eines Druckverlusts p V,P vergeudet als bei Einzelbetrieb p V,E .

Hocheffiziente Pumpen optimal nutzen

Die Firma PAW GmbH & Co. KG stellte auf der ISH 2015 in Frankfurt eine Neuheit für den dynamischen hydraulischen Abgleich am Heizkreisverteiler vor. Bei der Serie Heatbloc MC übernimmt der selbst entwickelte Regler MCom die Drehzahlregelung der Pumpe und ein Differenzdrucksensor ermöglicht es, direkt den Differenzdruck zwischen Vorlauf und Rücklauf zu regeln.

Bild 7 verdeutlicht die Situation für den Auslegungspunkt im Pumpendiagramm mit dem zum Patent angemeldeten Verfahren von PAW. Im Einzelbetrieb fließt der Auslegungsvolumenstrom von 750 l/h und die Pumpe hat eine Leistungsaufnahme von 12 W. Erhöhen andere Heizkreisläufe ihren Volumenstrom, wandert der Arbeitspunkt senkrecht nach oben. Die Pumpe erhöht im Gegensatz zur selbstregelnden Pumpe ihre Drehzahl, die Leistungsaufnahme steigt auf 20 W, aber der Auslegungsvolumenstrom von 750 l/h bleibt erhalten. Die Pumpe baut nur genau so viel Druck auf, wie benötigt wird, um den Wärmebedarf in diesem Kreislauf zu decken. Das neue Verfahren ermöglicht den Verzicht von Sicherheitszuschlägen auf die Heizkennlinie und die Regelkennlinie der Pumpe. Eine hohe Effizienz des Wärmeerzeugers und ein möglichst geringer Stromverbrauch der Pumpe sind gewährleistet.

Zur Minimierung der Wärmeverluste sind die Heizkreismodule und der Verteiler mit einer besonders dicht abschließenden Wärmedämmung ausgestattet, die die Betriebswärmeverluste auf 0,49 W/K (Messung vom Institut für Solarenergieforschung Hameln) reduziert. Der EnEV-Vergleichswert von 0,63 W/K wird damit unterschritten.

Bild 8 zeigt, wie das Heatbloc-MC-System in eine Heizungsanlage eingebunden werden kann. Der Heizkessel bzw. der Heizungsregler ist nach wie vor für die elektrische Spannungsversorgung der Pumpen zuständig, um zum Beispiel TWW-Vorrang, Sommer-Winter-Betrieb steuern zu können. Der MCom-Regler passt über eine PWM-Leitung die Pumpendrehzahl an den Wärmebedarf an. Um eine einfache Inbetriebnahme zu ermöglichen, sind für auswählbare Anwendungsfälle (Speicherbeladung, Radiatorheizkreis oder Flächenheizung) sinnvolle Werkseinstellungen für den Differenzdruck im Regler hinterlegt. Abhängig von der gewünschten Ventilautorität der Thermostatventile kann die Werkseinstellung feinjustiert werden. Für die Speicherbeladung kann der MC41, ein ungemischter Heizkreis mit einem K vs -Wert von 6,3 m 3 /h, verwendet und mit konstanter Pumpendrehzahl betrieben werden. Beim MC42, einem gemischten Heizkreis mit einem K vs -Wert von 4,6 m 3 /h, steuert der Heizungsregler den 230-V-Mischermotor so an, dass eine witterungsgeführte Vorlauftemperatur realisiert werden kann. Der MCom-Regler des MC43, ein gemischter Heizkreis mit einem K vs -Wert von 4,6 m 3 /h, regelt selbst den 24-V-Mischer auf eine einstellbare, konstante Vorlauftemperatur zum Beispiel für Niedertemperaturheizungen.

Zur Abrundung des Gesamtpakets ist ein optionales Kommunikationsset erhältlich, sodass man mit einem Smartphone und einer kostenlosen App (Ios und Android) Zugriff auf die Anlage erhält. Die App ermöglicht es, Einstellungen vorzunehmen und visualisiert den aktuellen Anlagenstatus. Die korrekte Inbetriebnahme kann damit dokumentiert und zur Übergabe an den Kunden protokolliert werden.

Nähere Informationen zum Heatbloc MC finden Sie auf der Website:

www.paw.eu

Autor

Dipl.-Ing. Peter Pärisch , Laborleitung PAW GmbH & Co. KG, Böcklerstraße 11, 31789 Hameln, Telefon (0 51 51) 98 56-14, pp@paw.eu , www.paw.eu