Springe auf Hauptinhalt Springe auf Hauptmenü Springe auf SiteSearch
Heizen und kühlen mit Wärmepumpen

Allroundtalente

Das Prinzip kennt jeder von uns aus dem Alltag: Heiße Getränke kühlen mit der Zeit ab, kalte erwärmen sich. Es erfolgt also ein Angleichen an die Raumtemperatur, wobei ein Wärmestrom entsteht. Ähnlich wie Wasser ohne Zutun bergab fließt, „bewegt“ sich der Wärmestrom vom höheren zum tieferen Temperaturniveau.

Woher kommt die Wärme?

Um Wärme jedoch gegen die natürliche Richtung vom niedrigen auf ein hohes Temperaturniveau zu bewegen, ist Energie aufzuwenden – genau wie bei Wasser, das bergauf gepumpt wird. Dabei gilt: Je größer der Niveauunterschied ist, umso höher wird die erforderliche Antriebsleistung, also auch der Stromverbrauch. Dies trifft bei einer Wasserpumpe ebenso zu wie bei einer Wärmepumpe, die ein höheres Temperaturniveau erreichen soll.

Der gesamte Vorgang erfolgt in einem Kreisprozess (siehe Bild 2). Dabei nimmt ein Kältemittel, das eine niedrigere Temperatur als die Wärmequelle hat, die Wärme aus der Umgebung auf. Der so entstehende Kältemitteldampf wird vom Verdichter angesaugt und komprimiert. Hier erfolgt durch die Druckerhöhung von unter 10 bar auf über 20 bar die Anhebung der Temperatur über das Niveau der Hausheizung. Die dazu notwendige Energie liefert meist der elektrische Strom. Am Verflüssiger kommt es aufgrund der durch die Verdichtung deutlich gestiegenen Temperatur zu einem Wärmestrom zur Heizung. Das unter Druck stehende Kältemittel kühlt wieder ab, kondensiert und wird über ein Drosselventil entspannt. Dann beginnt der Kreislauf von neuem.

Wärmepumpen-Klassifizierung

Klassifiziert werden die Pumpen nach dem Medium, mit dessen Hilfe sie Energie entziehen: dies sind Luft, Wasser und Sole. Diese Begriffe stehen bei der Benennung der Wärmepumpenart an erster Stelle. An zweiter Stelle folgt das Medium, auf das die Wärme übertragen wird, das ist in der Regel Wasser. Demnach gibt es drei Hauptarten:

1. Sole-Wasser-Wärmepumpen : Sie nutzen ein Wasser-Frostschutzmittel-Gemisch (Sole), um dem Untergrund entweder über eine Erdsonde oder über einen Erdkollektor die Wärme zu entziehen. Da sie wegen der ganzjährig ausreichend vorhandenen Erdwärme monovalent – also ohne weiteren Wärmeerzeuger – betrieben werden können, sind sie am weitesten verbreitet.

2. Wasser-Wasser-Wärmepumpen : Auch sie arbeiten monovalent und nutzen als Wärmequelle das Grundwasser. Aufgrund der vergleichsweise hohen Temperatur von 7 bis 10 ºC erreichen sie die beste Ausnutzung der eingesetzten Energie. Zwei Aspekte sind zu prüfen: Die Verfügbarkeit bzw. die Nutzung des Grundwassers sowie der Anteil der korrosiven Bestandteile im Wasser.

3. Luft-Wasser-Wärmepumpen : Sie entziehen der Umgebungsluft Wärme, benötigen jedoch bei tiefen Außentemperaturen eine Zusatzheizung (bivalenter Betrieb). Je niedriger die Außentemperatur wird, umso geringer ist die Energieausbeute. Von Vorteil ist die relativ einfache Installation, da die Wärmequelle überall vorhanden ist.

Im Durchschnitt wird bei einer Wärmepumpe die Energie für die Heizung zu Dreiviertel aus Umwelt- bzw. Sonnenenergie gewonnen und nur zu einem Viertel aus Strom erzeugt. Bei einem Einsatz von 1 kW Betriebsstrom lassen sich durch Nutzung kostenloser Umwelt­energie im Mittel 4 kW Heiz­energie erwirtschaften.

Praktische Komplettausstattung

Die Wärmepumpe „SensoTherm BSW“ von Brötje kann entweder als Sole-Wasser-Wärmepumpe (mit Erdsonde oder Erdkollektor) oder als Wasser-Wasser-Wärmepumpe realisiert werden. Die Wirksamkeit des Systems beruht vor allem auf der Leistung der großen Edelstahl-Plattenwärmetauscher für Verdampfer und Kondensator sowie auf der modernen Scroll-Verdichtertechnologie. Hinzu kommt die komplette Wärmedämmung der Rohrleitungen und des Gehäuses, sodass praktisch keine Wärme verloren geht. Messen lässt sich die Wirtschaftlichkeit anhand des sogenannten COP-Wertes (Coeffizient of Performance). Er beschreibt das Verhältnis von abgegebener Wärmeleistung in kW zu aufgenommener (elektrischer) Antriebsleistung unter Prüfbedingungen.

Durch die doppelte Schwingungsentkoppelung arbeitet die Wärmepumpe darüber hinaus sehr leise und kann auch in Wohnnebenräumen Platz finden. In den Kompaktgeräten von 6 bis 15 kW ist serienmäßig eine Komplettausstattung enthalten: Sanftanlasser (ab 8 kW), Ausdehnungsgefäße für Sole und Heizung, Sole- und Heizkreispumpe sowie eine elektrische Zusatzheizung (je nach Bedarf lässt sich diese auf 2, 4, oder 6 kW einstellen). Die Wärmequellentemperatur muss sich im Bereich –6 ºC bis +20 ºC bewegen, die Heizungsvorlauftemperatur zwischen 20 ºC und 60 ºC. Als Kältemittel wird R 410 A eingesetzt, das hinsichtlich Umweltverträglichkeit und ­Sicherheit hohe Standards erfüllt.

Hinweise zur Anlagenplanung

Die Dimensionierung einer Wärmepumpe sollte mit großer Sorgfalt geplant werden, denn zu groß gewählte Geräte sind mit hohen Anlagenkosten verbunden. Grundsätzlich gilt: Je niedriger die Vorlauftemperatur, um so wirtschaftlicher läuft die Wärmepumpe. Daher wird in neuen Gebäuden meist ein großflächiges Wärmeabgabesystem (Fußboden- oder Wandheizung) mit einer Vorlauftemperatur von 35 ºC installiert.

Bei der Auslegung ist weiterhin zu beachten, dass die Energieversorgungsunternehmen eine Wärmepumpe bis zu dreimal zwei Stunden pro Tag abschalten können. Dies muss als Dimensionierungsfaktor in die Berechnungen einfließen. Da die berechnete Heizlast jedoch nur an wenigen, kalten Tagen im Jahr benötigt wird, kann deshalb dafür auch der elektrische Heizeinsatz in Betrieb genommen werden. Zwar wird dadurch der Stromverbrauch etwas erhöht, jedoch verlängert sich bei einer etwas kleineren Wärmepumpe die Laufzeit, weshalb weniger Anlaufvorgänge erforderlich sind. Außerdem werden die Investitionskosten für die Wärmepumpe und die Wärmequellenanlage reduziert. Zur Verlängerung der Laufzeiten des Wärmeerzeugers und zur gleichzeitigen Überbrückung der Sperrzeiten des Energieversorgers ist ein Pufferspeicher einzuplanen.

Ein wichtiger Planungsfaktor ist die Ermittlung der Wärmequelle. Diese hängt in erster Linie von den örtlichen Gegebenheiten und Anforderungen ab. Bei der Erschließung der Wärmequelle Grundwasser und Erdreich sind in der Regel Genehmigungen von Behörden erforderlich. Für eine Erdsonde müssen Bodenuntersuchungen vorgenommen werden, die Auskunft über Beschaffenheit, Schichtenfolge, Leitfähigkeit usw. geben. Unterstützung bieten regionale Fachunternehmen an, deren Service von Genehmigungen bis zur fertig befüllten Erdwärmesonde reicht.

Erdkollektoren benötigen eine Fläche, die etwa dem 1,5- bis 2,5-fachen der zu beheizenden Wohnfläche entspricht. Allerdings darf sie nicht überbaut werden.

Tipps zur Warmwasserbereitung

Ein weiterer Aspekt ist die Trinkwarmwasserbereitung mittels Wärmepumpe. Um optimale Betriebsbedingungen bei der Trinkwassererwärmung zu erreichen, ist eine große Wärmetauscherfläche im WW-Speicher erforderlich, die etwa das 2- bis 3-fache der Fläche eines „normalen“ Speichers betragen muss. Wird ein WW-Speicher mit zu kleiner Wärmetauscherfläche eingesetzt, lässt sich eventuell keine komfortable Trinkwarmwassertemperatur erreichen. Die Folge könnten Wartungs- oder Störmeldungen sein.

Ist aus hygienischen Gründen eine Temperatur von 60 °C oder mehr erforderlich, so muss diese Temperaturdifferenz von einem Elektroheizeinsatz geliefert werden. Um eine optimale Energieausnutzung zu erreichen und einen langen Betrieb bei möglichst geringen Temperaturen zu ermöglichen, ist in der Wärmepumpe täglich eine Ladung des Trinkwarmwasserspeichers auf die Komforttemperatur eingestellt. Außerhalb dieser Zeit wird die Trinkwassertemperatur auf einem abgesenkten Sollwert gehalten. Aufgrund dieser Ladestrategie ist es empfehlenswert, den Speicher so groß zu wählen, dass der tägliche Warmwasserbedarf durch den Speicher abgedeckt wird.

Solare Einbindung

Soll eine Solaranlage zur Heizungsunterstützung und Warmwasserbereitung eingebunden werden, lässt sich z.B. der Solarpufferspeicher MS einsetzen. Um eine ausreichend komfortable Warmwassertemperatur zu erreichen, ist jedoch das Nachheizen eines Teils des Pufferspeichervolumens ­erforderlich, was in der Regel elektrisch ­erfolgen wird.

Ist beabsichtigt, die Sonnenenergie nur zur Trinkwassererwärmung zu nutzen, muss ein anderer Speicher verwendet werden. Dieser verfügt im unteren Bereich über eine Wärmetauscherschlange für die Solareinbindung und im oberen Bereich über eine extra große Wärmetauscherschlange für den Betrieb der Wärmepumpe. Die Solaranlage ist geeignet, die Betriebskosten für die Warmwasserbereitung dauerhaft zu senken.

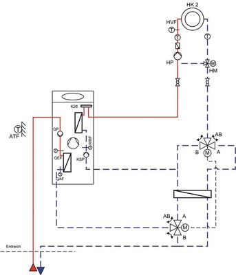
Passive Kühlfunktion

Ein weiterer wichtiger Aspekt ist die Möglichkeit, die Wärmepumpe zum Kühlen einzusetzen (siehe Bild 6). Ob diese Funktion grundsätzlich gewünscht wird, ist im Vorfeld mit dem Bauherren zu klären, denn sie funktioniert nur bei den Geräten, die Erdreich bzw. Wasser als Wärmequelle nutzen. Bei der „SensoTherm“ ist die Funktion „Passives Kühlen“ serienmäßig in jeder Leistungsklasse integriert. Sie wird regelungstechnisch durch die Ansteuerung von Umschalt- und Mischventilen sowie durch die Auswertung von Feuchtefühlern unterstützt. Beim passiven Kühlen erfolgt die Abführung der Wärme aus dem Heizkreis über die Wärmequellenanlage in die Umwelt. Der Kältekreis wird dabei nicht aktiviert. Um dieses zu ermöglichen, kommt zwischen Wärmequellenanlage und Wärmepumpe ein weiterer Wärmetauscher zum Einsatz. Das Wasser des Heizkreises wird in diesem Wärmetauscher durch das Wasser der Wärmequellenanlage abgekühlt. Günstig zur Übertragung in den Raum sind Flächenheizsysteme (also Fußboden- und Wandheizungen).

Ziel des passiven Kühlens ist die Absenkung der Raumtemperatur um 2–3 °C im Vergleich zur Außenlufttemperatur. Eine höhere Absenkung ist aufgrund der Verwendung der Flächenheizungen nicht möglich. Denn bei geringeren Temperaturen könnte es im Boden (oder in der Wand) zu einer Unterschreitung der Taupunkttemperatur kommen. Die Folge könnten Feuchteschäden sein. Um dieses zu verhindern, werden in der Praxis Feuchtefühler eingesetzt.

Unser Autor Dipl.-Ing. Andreas Hoppe ist Produktmanager bei Brötje in 26180 Rastede, Telefon (0 44 02) 80-0, Telefax (0 44 02) 8 05 83, Internet: https://www.broetje.de/

Tags