Springe auf Hauptinhalt Springe auf Hauptmenü Springe auf SiteSearch

Naturnahe Bewirtschaftung von Niederschlagswasser

Die massive Störung des natürlichen Wasserkreislaufs durch Ableiten von Regenwasser beeinflusst nicht nur das regionale Wettergeschehen, sondern verursacht unter anderem auch die Verschiebungen von Grundwasserspiegeln, eine zunehmende Verschlechterung der Bodenqualität und provoziert Überschwemmungen. Das SHK-Handwerk ist prädestiniert, mit einer zukunftsorientierten Regenwasserbewirtschaftung in vielfacher Kombination von Retention, intelligenten und betriebssicheren Bewässerungssystemen bis hin zur Versickerung in den Untergrund nicht nur das Innovationsportfolio gegenüber dem Bauherrn nachhaltig zu erweitern, sondern darüber hinaus den natürlichen Wasserkreislauf zu stabilisieren und damit einen wesentlichen Beitrag zum Klimaschutz zu leisten. Das Sammeln und Zusammenführen des Niederschlagswassers von den Dachflächen inklusive dessen Filterung bzw. Reinigung ist analog zur konventionellen Regenwassernutzung Stand der Technik und darf hier als bekannt vorausgesetzt werden.

Externes Wasser bleibt externes Wasser

Der entscheidende Unterschied zur konventionellen Tradition der Regenwassernutzung ist allerdings der Verzicht auf einen internen Betriebswasserverteiler im Gebäude. Im optimalen Fall wird dieses aus dem Klarwassertank einer Grauwasseranlage gespeist und nicht aus gesammeltem Regenwasser. Eine naturgemäße Bewirtschaftung des Regenwassers erfolgt stattdessen über die Freiflächen und den Boden des Baugrundstücks in den Umraum (Mikroklima). Neben Funktionskomfort und Ressourceneffizienz kann mit einem steuerbaren Bewässerungssystem, über die baulich vorgelagerte Retention hinaus, ein wirksamer Ausgleich von Niederschlagsereignissen ermöglicht werden. Das SHK-Handwerk kann fernerhin eine sichere Versorgung von klimaaktiven Vegetationsflächen im Garten- und Landschaftsbau, einschließlich einer funktionierenden Bauwerksbegrünung, im Einklang mit einer naturnahen Regenwasserbewirtschaftung realisieren.

Regenwassermanagement

Die durchschnittliche Regenwassermenge ist abhängig von Ort und Region sowie von der Höhe des Geländes über dem Meeresspiegel. Die in der Fachliteratur oft zitierten Tabellen und Niederschlagskarten sind kaum mehr als eine Orientierungsgröße, welche die Ermittlung der tatsächlichen regionalen und auch lokalen Niederschlagsverhältnisse nicht zu ersetzen vermag. Regionale Wetterstationen oder Erfahrungswerte aus der Nachbarschaft sind sehr viel verlässlichere Quellen, auch bei Umrüstungen und Sanierung. Das Internet bietet diesbezüglich verschiedene regionale und standortgerechte Niederschlagsdaten als Planungsgrundlage. Die jährlich zu erwartenden Niederschlagswerte sind nicht nur in deren Summe zu betrachten, sondern sollten Starkregenereignisse ebenso abbilden wie jahreszeitliche Unterschiede. Saisonale Starkregenpotenziale sind besonders hinsichtlich der Retention, dem „Zwischenlagern“ von Niederschlagswasser, relevant für Auslegung und Dimensionierung.

Freiflächengestaltung ist Teil externer Wasserwirtschaft

Die Gartenplanung, die Bepflanzung der Freiflächen und offene Böden sind entscheidend für das Ausmaß der Zwischenlagerung (Bewässerungspotenziale). Ein detaillierter Freiflächenplan dient als Grundlage zur Auslegung des Bewässerungssystems (Regenwasserverteilung mit Entnahme- und/oder Anschlussstellen), Anordnung etwaiger Regenwasser-Sammelbehälter, dezentral oder zentral, auf dem Grundstück. Die Verwendung von versickerungsfähigen Materialien (z. B. Gras-Gittersteine) und dergleichen obliegt der Umraumplanung und Freiflächengestaltung. In beiden Fällen muss es darum gehen, das Niederschlagswasser über die Vegetation, die Versickerung und/oder Verdunstung störungsfrei seinem natürlichen Weg zuzuführen. Die Verteilung des Regenwassers kann auch durch stationäre Versickerungen (überflur/unterflur) ergänzt werden. Die Positionierungen der Versickerungsanlagen können bei entsprechender Bepflanzung als Versickerungsbeet ausgebildet werden, um als zusätzlicher Effekt besonders den Wurzelraum von Pflanzen feucht zu halten und die Versickerung sehr zeitverzögert bzw. nachgeordnet wirken zu lassen.

Abflussbeiwert und Retention

Ein wichtiges Kriterium für die zu bewirtschaftende Niederschlagsmenge steht im direkten Zusammenhang mit der Bauform, dem Material und dem Aufbau der Dachoberfläche. Diese beeinflusst nicht nur die Geschwindigkeit, sondern auch die Menge des abgeleiteten Niederschlagswassers und wird im sogenannten Abflussbeiwert definiert. Der Abflussbeiwert bezeichnet (gleich einem Korrekturfaktor) die Regenwassermenge, welche auf den Dachflächen zurückbleibt und verdunstet, was auch eine Unterscheidung von Flach- und Steildächern verlangt. Weitere Retentionspotenziale sind dezentrale Regenwasserbehälter, Dachgärten, Pflanzbeete usw. Diese Zusammenhänge sind grundlegend in der ganzheitlichen Wirkweise der dezentralen Bewirtschaftung von Niederschlagswasser und prägen die Konzeptentwicklung bis hin zur Planung und Ausführung. Dabei bildet das SHK-Handwerk die entscheidende Schnittstellenkompetenz für angrenzende Gewerke wie Hoch- und Tiefbau, Dachdecker und Spengler.

Gesammeltes Regenwasser kann zeitversetzt auf verschiedene Weise in den natürlichen Wasserhaushalt geführt werden. Eine zielorientierte Bewässerung von Vegetationsflächen kann entweder eine indirekte Gartenbewässerung bedeuten oder die direkte Versorgung von Pflanzbeeten, Hochbeeten oder bodengebundene Fassadenbegrünungen mit erdverlegten Bewässerungsschläuchen verschiedenster Art. Für sämtliche Möglichkeiten der steuerbaren Druckbewässerung ist das SHK-Handwerk prädestiniert. An Stelle des Betriebswasserverteilers bei der konventionellen Regenwassernutzung erfolgt ein automatisches Bewässerungssystem mit entsprechender Ausstattung (Pumpe, Bewässerungs-Steuerungsautomat, erdverlegten Versorgungsleitungen bzw. Bewässerungsschläuchen).

Schnittstelle zur externen Regenwasser-Bewirtschaftung

Die Schnittstelle der dezentralen Regenwasserbewirtschaftung besteht in jedem Fall aus einem oder mehreren Regenwasser-Sammelbehältern (RSB), die als Retention und Vorhaltung von Regenwasser dienen. Das Volumen richtet sich nach der jeweiligen Anforderung der Regenwasserbewirtschaftung und reicht von 100 l für Dachterrassen, große Balkone, Gärten usw. bis zu zentral positionierten großen Zisternen von mehreren m³ Inhalt zum unterirdischen Einbau bei großen Bewässerungsflächen im Umraum.

Bei all diesen Überlegungen sollte aber die Pflanze an sich nicht außer Betracht bleiben, denn sie ist ebenfalls ein keineswegs unbedeutender Regenwassersammler. Wilder Wein als Fassadenbegrünung vermag beispielsweise etwa 0,6 – 0,8 l Wasser pro m² Blattfläche und Tag im Sommer zu transpirieren. Andere Pflanzen leisten mehr als 1 l pro Tag. Nebenbei trägt die Verdunstungskälte der pflanzlichen Transpiration zur Kühlung des Umraums bei.

Eine deutliche Retentionswirkung bietet auch eine Dachbegrünung, mit der nicht nur eine Verzögerung des Regenwasserablaufs, sondern ein deutlich geringerer Abflussbeiwert erzielt werden kann, also weniger Regenwasser bewirtschaftet werden muss, da ein erheblicher Teil von den Pflanzen aufgenommen wurde und/oder verdunstet. Dies kann durchaus eine Vorstufe der Versickerung sein, wenn keine besonderen Freiflächen für eine sinnvolle Bewässerung bestehen.

Der Substrataufbau für die Vegetation einer Dachbegrünung nimmt dabei leicht mehr als 50 % des Niederschlags auf und hält ihn für die Vegetation und die Verdunstung vor. Das zeitverzögerte (und reduzierte) Regenwasser kann ebenso wie bei einem konventionellen Dach von der Regenrinne über ein Regenfallrohr direkt in einen Regenwasser-Sammelbehälter (Zwischenstation) oder direkt in die Versickerung geführt werden. Die variable Form und baukonstruktive Integration von RSB erlaubt auch eine Positionierung auf Dachterrassen oder Balkonen, mit integrierter, druckloser Entnahmestelle für das Blumengießen zwischendurch.

Bewässerungssysteme

Eine extensive Dachbegrünung toleriert auch im Sommer in der Regel längere Trockenzeiten. Ganz anders verhält es sich aber bei einer intensiven Dachbegrünung mit ungleich anspruchsvolleren Pflanzen, die eine regelmäßige Bewässerung verlangen. Umso mehr ist bei begrünten Dachterrassen und Dachgärten oder einer Fassadenbegrünung ein umfassendes Bewässerungssystem notwendig, um die Zielsetzung der Bauwerksbegrünung nachhaltig sicherstellen zu können. Die Betriebsredundanz ist hier von großer Bedeutung und will fachkompetent sichergestellt sein. Bei fassadengebundenen Begrünungssystemen ist ein siche-res Bewässerungssystem grundlegend, da der Kontakt zum Erdreich fehlt. Selbst eine bodengebundene Fassadenbegrünung bedarf während der Vegetationsphase durchaus Unterstützung in der Bewässerung, was durch gezielte, pflanzennahe Versickerung und geregelte Bewässerung einen deutlichen Mehrwert für das Gebäude einbringt.

Ein Bewässerungssystem kann zielorientiert verwendet werden, um die Freiflächenbewässerung (Gartenbewässerung) oder auch die Versickerung kontrolliert zu steuern. Somit kann eine „Versickerung“ jederzeit unabhängig vom Füllstand des Regenwasser-Sammelbehälters (Überlauf) durchgeführt werden. Mit der dezentralen Grauwassernutzung, die im dritten Teil dieser Artikelserie erläutert wurde, kann eine Bewässerungsanlage mit hohem Mengenbedarf perfekt ergänzt werden. Der im Mehrgeschoss-Wohnungsbau üblicherweise täglich erzielte Grauwasser-Überschuss kann als Nachspeisung der Zisterne oder direkt für das Bewässerungssystem genutzt werden.

Bewässerungsstrategien

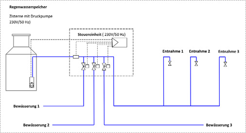
Es gibt verschiedene Möglichkeiten der Steuerung von Bewässerungssystemen, das heißt von deren Entnahme- bzw. Anschlussstellen, sowie verschiedene Kombinationsmöglichkeiten mit automatischer und/oder halbautomatischer Funktionsweise. Die Verlegung der Versorgungsleitung erfolgt im Erdreich in PE-HD-Rohren direkt aus der Zisterne, in der sich die Druckpumpe befindet. Je nach Gartengestaltung und Bewässerungsbedarf einzelner Vegetationsflächen können unterschiedliche Arten wie freie Ausläufe und fest angeschlossene Bewässerungssysteme als Unter- oder auch als auch Überflurausführung realisiert werden.

Mit einem Regenwasserverteiler können Leitungsstränge entsprechend den Anforderungen einreguliert und der Durchfluss (z. B. mittels Magnetventilen) volumen- und zeitgesteuert vollautomatisch betrieben werden. Andere Leitungsstränge können direkt bis zur Entnahmestelle geführt werden, wo sich ein Absperrventil befindet. Dieser Leitungsstrang befindet sich demnach immer unter Druck (Gießkanne, Gartenschlauch etc.).

Bewässerungsverteiler

Ein selektiver Bewässerungsverteiler ist umso notwendiger, wenn einzelne Bereiche unterschiedlich bewässert werden sollen. Entnahmestellen mit freiem Auslauf und Handventil können seriell verlegt werden, da sie stets unter Druck stehen und bei Bedarf geöffnet werden. Sollen einzelne Bereiche, wie ein Pflanzbeet, Kräuterschnecken, Hochbeete, Fassadenbegrünungssysteme, intensive Dachbegrünung usw., unterschiedlich bewässert werden, sind dafür verschiedene Einzelstränge (selektiv) notwendig, die über eine Zeitschaltuhr etwa per Magnetventil eine Anschlussstelle versorgen. Der hydraulische Abgleich am Verteiler definiert den Mengendurchfluss per Zeiteinheit für die Bewässerung. Dementsprechend sind die Regenwasserverteiler zur Bewässerung gemäß der gewünschten Bewässerungsstrategien herzustellen und mit der entsprechenden Steuerung auszustatten.

Fazit

Das Ableiten von Regenwasser in Kanalisationssysteme war und ist ein kostspieliger Fehler für Infrastruktur, Umwelt und Mikroklima. Wo die Probleme kaum noch zu handhaben sind, tritt auch immer mehr selbst von offizieller Stelle ein Umdenken ein. Viele Städte und Kommunen fordern bereits eine dezentrale Bewirtschaftung von Regenwasser. Die Nutzung von Regenwasser als Betriebswasser ist weder „öko“ und schon gar nicht „bio“, da der Regen nicht vom Himmel fällt, um auf Umwegen doch in unseren Kanalsystemen zu landen.

Eine nachhaltige Regenwasserbewirtschaftung erfolgt ausschließlich dezentral außerhalb von Gebäuden. Ein Bewässerungssystem bietet in der Vielfalt seiner Möglichkeiten eine freiflächenspezifische Anpassung an die jeweiligen Erfordernisse und ermöglicht darüber hinaus eine sichere Bewässerung von klimaaktiven Vegetationsflächen, auch bei Abwesenheit eines „Kümmerers“. Das SHK-Handwerk vermag in diesem Bereich eine entscheidende Rolle als Schnittstelle zu angrenzenden Gewerken zu übernehmen. In der SBZ-Ausgabe 10/2016 wird im fünften Teil der Artikelserie das Thema Wasser als regenerativer Energieträger behandelt.

Info

SBZ-Artikelserie zum dezentralen Wassermanagement

Teil 1: Nachhaltige Wasserkonzepte SBZ 05/16

Teil 2: Schmutzwasser im Wohngebäude SBZ 06/16

Teil 3: Grauwassernutzung im Wohnungsbau SBZ 07/16

Teil 4: Bewirtschaftung von Niederschlagswasser SBZ 08/16

Teil 5: Wasser als regenerativer Energieträger

Teil 6: Passive Flächenkühlung mit Regenwasser

Teil 7: Nachhaltige Badsanierung – Chance für die Grauwassernutzung

Teil 8: Wärmerückgewinnung aus Grauwasser

Service

Bei uns geht nichts verloren

Haben Sie eine SBZ-Ausgabe verpasst oder nicht archiviert? In unserem Online-Archiv auf SBZ-Online können Sie je nach Bedarf oder aktuellem Problem nach allen Beiträgen der letzten 15 Jahre recherchieren und diese im PDF-Format ausdrucken.

Wer sich gleich über spezielle Themen informieren will, der kann ganze Artikelsammlungen unter SBZ-Dossiers aufrufen. Dies sind nur zwei nützliche Funktionen, die Sie auf www.sbz-online.de finden.

Schauen Sie doch einfach mal rein!

Autor

Frank Hartmann ist Gas-Wasser-Installateur, Heizungs- und Lüftungsbauer, Elektroinstallateur und Energietechniker. Er ist zudem Gründer vom Forum Wohnenergie für energieeffizientes Bauen und Renovieren, 97509 Zeilitzheim, Telefon (0 93 81) 71 68 31, hartmann@forum-wohnenergie.de