Springe auf Hauptinhalt Springe auf Hauptmenü Springe auf SiteSearch
Fragen und Antworten zur Trinkwasser-Installation – SBZ-Serie, Teil 1

Theorie vor Praxis

Laut der Trinkwasserverordnung (­TrinkwV) muss das an die Verbrauchsstellen zu transportierende Trinkwasser so beschaffen sein, dass durch seinen Genuss oder Gebrauch eine Schädigung der menschlichen Gesundheit, insbesondere durch Krankheitserreger, nicht zu besorgen ist. Das wichtigste Lebensmittel muss hygienisch rein und genusstauglich sein.

Diese Anforderungen gelten als erfüllt, wenn bei der Wassergewinnung, der Wasseraufbereitung und der Wasserverteilung mindestens die a. a. R. d. T. eingehalten werden und das Trinkwasser den in den nachfolgenden Paragrafen der TrinkwV genannten Anforderungen entspricht. Die a. a. R. d. T. umfassen das Gesamtwerk nationaler und internationaler Regelsetzer zur fachgerechten Gewinnung, Aufbereitung und Verteilung von Trinkwasser.

Im Trinkwasserbereich sind hohe hygienische Standards zu erfüllen, um den Anforderungen der TrinkwV gerecht zu werden. Nur so ist gewährleistet, dass das Lebensmittel Trinkwasser frei von Krankheitserregern, genusstauglich und rein an den Verbrauchsstellen ­ankommt.

Bild: Geberit

Im Trinkwasserbereich sind hohe hygienische Standards zu erfüllen, um den Anforderungen der TrinkwV gerecht zu werden. Nur so ist gewährleistet, dass das Lebensmittel Trinkwasser frei von Krankheitserregern, genusstauglich und rein an den Verbrauchsstellen ­ankommt.
Laut TrinkwV müssen an eine Trinkwasser-Installation angeschlossene Armaturen mit einer Sicherheitseinrichtung nach DIN EN 1717 ausgerüstet sein. Mit der Installation eines Systemtrenners ist die ausreichende Absicherung gegen Rücksaugen oder Rückdrücken von „Nicht-Trinkwasser“ zurück in die Trinkwasser-Installation sichergestellt.

Bild: Caleffi

Laut TrinkwV müssen an eine Trinkwasser-Installation angeschlossene Armaturen mit einer Sicherheitseinrichtung nach DIN EN 1717 ausgerüstet sein. Mit der Installation eines Systemtrenners ist die ausreichende Absicherung gegen Rücksaugen oder Rückdrücken von „Nicht-Trinkwasser“ zurück in die Trinkwasser-Installation sichergestellt.

Welche Normen sind maßgeblich für die Planung, Ausführung und den Betrieb von Trinkwasser-Installationen?

Die europäische Normenreihe DIN EN 806 und die DIN EN 1717 formulieren einen Mindeststandard und stellen den größten gemeinsamen europäischen Nenner dar. Zusätzliche Festlegungen zur Berücksichtigung nationaler Gesetze, Verordnungen und des deutschen technischen Regelwerks sind in den Ergänzungsnormen zu finden, die aus Gründen der Kontinuität unter der Nummer DIN 1988 laufen.

Grundsätzliche Festlegungen für die Planung von Trinkwasser-Installationen sind in der DIN EN 806‑2 „Technische Regeln für Trinkwasser-Installationen – Teil 2: Planung“ geregelt. Diese europäische Norm gilt in Verbindung mit der DIN EN 806‑1 (Allgemeines) und der DIN EN 806‑3 (Berechnung der Rohrinnendurchmesser). DIN EN 806‑2 beschreibt die Anforderungen an die Planung von Trinkwasser-Installationen innerhalb von Gebäuden und für Leitungsteile außerhalb von Gebäuden, aber innerhalb von Grundstücken (siehe DIN EN 806‑1) und ist anwendbar für Neuinstallationen, Umbau und Reparaturen.

Die nationale Ergänzungsnorm zur DIN EN 806‑2 ist die DIN 1988‑200. Sie gilt in Ergänzung für die Planung von Trinkwasser-Installationen, Installation Typ A (geschlossenes System) in Gebäuden und auf Grundstücken. Die Norm benennt die Planungsgrundsätze und die für die Errichtung der Anlagen geeigneten Bauteile, Apparate und Werkstoffe.

Eine wesentliche Voraussetzung für den dauerhaft hygienisch einwandfreien Betrieb von Trinkwasser-Installationen ist die Planung und Umsetzung einer ausreichenden Absicherung gegen Rücksaugen oder Rückdrücken von „Nicht-Trinkwasser“ zurück in die Trinkwasser-Installation – z. B. bei der Nachfüllung von Heizungsanlagen. DIN EN 1717 und die nationale Ergänzungsnorm DIN 1988‑100 legen die Anforderungen an den Schutz des Trinkwassers vor Verunreinigungen in Trinkwasser-Installationen sowie an Sicherungseinrichtungen zur Verhütung von Trinkwasserverunreinigungen durch rückfließendes Wasser fest.

Da die DIN EN 806‑3 nicht die für die deutschen Anwenderkreise erforderliche Normungstiefe und Akzeptanz erreicht, stellt die DIN 1988‑300 „Technische Regeln für Trinkwasser-Installationen – Teil 300: Ermittlung der Rohrdurchmesser“ die nationale Ergänzungsregelung zur DIN EN 806‑3 dar. Über mehr als zwei Jahrzehnte haben Planer und Ausführende in der Praxis gute Erfahrungen mit den Berechnungsgängen der inzwischen zurückgezogenen DIN 1988‑3 gemacht. Deshalb wurde dieser etablierte Kern des differenzierten Berechnungsganges für die Ermittlung der Rohrdurchmesser für Trinkwasserleitungen in die aktuelle DIN 1988‑300 übernommen.

In der DIN 806‑4 (Installation) ist die Aus­führung von Trinkwasser-­Installationen geregelt. Folgende Grundsätze werden u. a. behandelt: Kombination ­verschiedener Werkstoffe, Inbetriebnahme, Desinfektion, Werkstoffspezifikationen für Rohrsysteme, Verbindungsverfahren und Installation von Rohrleitungen aus unterschiedlichen Werkstoffen. Leider wurde im Gegensatz zur Planung und Dimensionierung bei dieser Norm keine nationale Ergänzungsregel DIN 1988‑400 erstellt. Eine der daraus resultierenden Konsequenzen ist beispielsweise, dass die Druckprüfung in Merkblättern des ZVSHK und des BTGA steht, diese jedoch von Dritten, wie z. B. dem TÜV Süd, nicht als Regelwerk anerkannt werden.

Neben der Planung, Dimensionierung und Ausführung von Trinkwasser-Installationen ist der Betrieb in der europäischen DIN EN 806‑5 (Betrieb und Wartung) geregelt. Für diese Norm ist ebenfalls keine nationale Ergänzung notwendig.

Was sind die wichtigsten Kriterien für die Dimensionierung nach DIN 1988‑300?

Die Norm beschreibt die anzuwendenden Berechnungsgänge zur Dimensionierung von Trinkwasser-Installationen. Sie dient zur Ermittlung der Rohrdurchmesser für Kalt- und Warmwasserleitungen sowie zur Bestimmung der Bauteilgrößen (Zirkulationsleitungen, Pumpe, Drosselventile) für Zirkulationssysteme. Das Regelwerk zielt darauf ab, bei Spitzenbelastung des Systems die kleinstmöglichen Innendurchmesser zu ermöglichen und dabei die Mindestdurchflüsse an allen Entnahmestellen sicherzustellen.

Analog zur Vorgängerversion DIN 1988‑3 ist das ermittelte Rohrreibungsdruckgefälle der Maßstab für alle Teilstrecken. Wesentliche Parameter zur Dimensionierung sind u. a. die Rohrdurchmesser aller Teilstrecken einer Trinkwasser-Installation. Der Berechnungsdurchfluss ist dabei der Entnahmearmaturendurchfluss. Aus der Summe der Berechnungsdurchflüsse wird der Summendurchfluss gebildet. Beim Spitzendurchfluss handelt es sich um den maßgebenden Durchfluss, für den die Rohrleitungen dimensioniert werden. Der Spitzendurchfluss reduziert unter Berücksichtigung der nutzungsabhängigen Gleichzeitigkeit der Wasserentnahme den Summendurchfluss.

Mit welchen Wassertemperaturen muss eine Trinkwasseranlage betrieben werden?

Der Betreiber steht in der Pflicht, dass die Warmwasserbevorratungstemperatur von 60 °C am Austritt des Trinkwassererwärmers eingehalten wird. Grundsätzlich gilt: Am Trinkwasseraustritt PWH eines Trinkwasser­erwärmers mit Zirkulation darf die Temperatur von 60 °C nicht unterschritten werden. Ausnahmen gelten für Anlagen mit hohem Wasseraustausch in Ein- und Zweifamilienhäusern.

Die Warmwassertemperaturen PWH und PWH‑C in der Warmwasserzirkulation sollten in der Bandbreite zwischen 60 und 55 °C liegen, da die Warmwasserzirkulation in erster Linie der Temperaturhaltung dient, um das Legionellenwachstum zu vermindern. Untergeordnet sind die Erfüllung von Komfortansprüchen. Deshalb sollten Zirkulationssysteme nicht im Hinblick auf eine mögliche Warmwasserentnahme im Tagesgang geregelt (z. B. Hauptnutzungszeiten im Badezimmer), sondern im Dauerbetrieb betrieben werden. Der Zirkulationsbetrieb darf aus Energiespargründen für höchstens acht Stunden pro Tag unterbrochen werden, wenn es dadurch nicht zu hygienischen Beeinträchtigungen kommt.

Die Begrenzung der Kaltwassertemperatur auf 25 °C zählt ebenfalls zu den Betreiberpflichten. Bei bestimmungsgemäßem Betrieb darf maximal 30 Sekunden nach dem vollen Öffnen einer Entnahmearmatur die Kaltwassertemperatur PWC 25 °C nicht überschreiten. Wenn äußere Wärmelasten z. B. in warmen Technikzentralen oder Versorgungsschächten auf die Kaltwasserleitungen einwirken und damit längere Ausstoßzeiten bewirken, kann die geforderte Temperaturgrenze durch automatisierte Spüleinrichtungen sichergestellt werden.

Welche Möglichkeiten gibt es, die Kaltwassertemperatur zu begrenzen?

Gerade in Installationsschächten besteht die Gefahr eines Wärmeübergangs auf das Kaltwassersystem. Denn neben der Kaltwasserleitung verlaufen dort häufig warmgehende Leitungen, die trotz ordnungsgemäßer Dämmung die Wärme auf die Kaltwasserleitung übertragen können. Zu den wirksamsten Maßnahmen, um dies zu verhindern, gehören getrennte Schächte für Warm- und Kaltwasser.

Ein oben liegender Zirkulationssammler mit separat geführtem Strang ist eine alternative technische Möglichkeit, um die Wärmeübergabe im Hauptschacht deutlich zu verringern. Damit kann die Kaltwassertemperatur auch in entnahmeschwachen Zeiten deutlich länger auf Temperaturen < 25 °C gehalten werden. In den meisten Gebäuden lässt sich diese Art Installation jedoch nicht realisieren, weil im Dach- oder im letzten Obergeschoss kein Leitungsweg für den Zirkulationssammler vorhanden ist. Zudem ist ein zusätzlicher Schacht mit Mehrkosten verbunden.

Eine wirtschaftlich wie hygienisch sinnvolle Alternative zur herkömmlichen Zirkulationsleitung im Versorgungsschacht oder im separaten Schacht stellt die innen liegende Zirkulation – auch Inliner-Zirkulation genannt – dar. Vereinfacht dargestellt wird hier in die warmgehende Trinkwasserleitung im Steigstrang eine Zirkulationsleitung integriert. Damit ist ein zweiter Steigstrang nicht mehr notwendig. In welcher Dimension das Versorgungssystem auszulegen ist, hängt vom Spitzenvolumenstrom PWH und dem verfügbaren Druck des warmen Trinkwassers ab. Die Montage der innen liegenden Zirkulationsleitung ist entweder von der obersten Etage oder vom Keller aus möglich. Bei einer späteren Aufstockung oder Sanierung lässt sich der Inliner ersetzen.

Lassen sich Druck- und Temperaturschwankungen in Trinkwasseranlagen minimieren?

Die Rechenvorschrift der DIN 1988‑300 „Technische Regeln für Trinkwasser-Installa­tionen – Ermittlung der Rohrdurchmesser“ besagt, dass die Rohrdurchmesser nach dem verfügbaren Rohrreibungsdruckgefälle dimensioniert werden sollen. Um ein hydraulisch ausgeglichenes System zu erhalten, das weniger anfällig für Druck- und Temperaturschwankungen an der Zapfstelle ist, gilt es, den längenbezogenen Druckverlust (hPa/m) möglichst gleich zu halten. Das lässt sich erreichen, indem die Dimensionierung anhand des Rohrreibungsdruckgefälles vorgenommen wird und nicht über die Fließgeschwindigkeit.

Müssen Trinkwasseranlagen gewartet werden?

Die Wartung einer Trinkwasseranlage ist vorgeschrieben. Alle Bauteile und Komponenten einer Trinkwasser-Installation sind gemäß DIN EN 806‑5 regelmäßig zu inspizieren und zu warten. Dadurch wird die Betriebssicherheit erhalten und die Gebrauchstauglichkeit sichergestellt. Eine Wartung findet statt, wenn Maßnahmen zur Erhaltung des Sollzustandes durchzuführen sind. Dazu gehören eine Sichtprüfung, Reinigungsarbeiten sowie die Überprüfung von Einstellungen und das Ermitteln von Messwerten.

Was ist der Unterschied zwischen Wartung und Instandsetzung?

Wartung und Inspektion dienen dazu, Abnutzung (oder Verschleiß) zu beobachten und rechtzeitig einen dadurch bedingten Funktionsausfall zu vermeiden. Wird bei einer Wartung erkannt, dass ein Bauteil defekt ist und erneuert werden muss, stellt der Austausch von Bauteilen eine Instandsetzung dar. Diese ist nicht mehr Gegenstand einer Wartung. Dabei kann von einem verschleißbedingten Austausch von Bauteilen kein Mangel oder ein Hinweis für eine nicht ordnungsgemäß ausgeführte Wartung abgeleitet werden. Inspektion, Wartung und Instandsetzung sind unter dem Obergriff Instandhaltung zusammengefasst. Nur kontinuierliche Instandhaltung stellt einen ordnungsgemäßen Betrieb sicher. Gleichzeitig trägt sie zur Werterhaltung der Gebäudetechnik bei.

Fazit

Wasser in Bewegung (kontinuierlicher Wasser­austausch, keine Stagnation und Totleitungen), Temperaturhaltung (Trinkwasser kalt und warm) und Wartung von Trinkwasseranlagen: Das sind die Kernanforderungen für die Aufrechterhaltung der Trinkwasserhygiene in der Gebäudetechnik, die sich aus den entsprechenden Normen und Vorschriften ergeben. Ein weiterer wichtiger Punkt ist die hygienische Eignung der installierten Bauteile und Materialien sowie die bedarfsgerechte Dimensionierung der Rohrleitungen. Teil 2 der Serie geht auf Fragen ein, die SHK-­Betriebe in ihrer alltäglichen Praxis in Zusammenhang mit der Trinkwasser-Installation beschäftigen – nachzulesen in der SBZ 02-23.

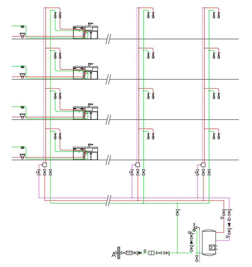
Mit einer innen liegenden Zirkulation und dem damit verbundenen Wegfall der warmgehenden Zirkulationsleitung kann die Wärmeeinwirkung auf die Kaltwassersteigleitung im Schacht reduziert werden. Eine weitere Möglichkeit zur Reduzierung der Wärme abgebenden Oberfläche bietet der oben liegende Zirkulationssammler mit separat geführtem Strang.

Bild: Geberit

Mit einer innen liegenden Zirkulation und dem damit verbundenen Wegfall der warmgehenden Zirkulationsleitung kann die Wärmeeinwirkung auf die Kaltwassersteigleitung im Schacht reduziert werden. Eine weitere Möglichkeit zur Reduzierung der Wärme abgebenden Oberfläche bietet der oben liegende Zirkulationssammler mit separat geführtem Strang.
Prinzip der innen liegenden Zirkulation. Zu den Vorteilen zählen u. a. ein ­geringer Platzbedarf im Schacht, kleinere Schachtabmessungen, eine geringere Erwärmung der Kaltwasserleitung im Schacht und geringere Erstellungskosten durch den Wegfall von Dämmung.

Bild: Geberit

Prinzip der innen liegenden Zirkulation. Zu den Vorteilen zählen u. a. ein ­geringer Platzbedarf im Schacht, kleinere Schachtabmessungen, eine geringere Erwärmung der Kaltwasserleitung im Schacht und geringere Erstellungskosten durch den Wegfall von Dämmung.
Innen liegende Zirkulationssysteme sind für verschiedene Trinkwasserleitungsarten – z. B. Mehrschichtverbundrohr und Edelstahlrohr – erhältlich.

Bild: Geberit

Innen liegende Zirkulationssysteme sind für verschiedene Trinkwasserleitungsarten – z. B. Mehrschichtverbundrohr und Edelstahlrohr – erhältlich.
Die Tabelle gibt beispielhaft für einige Bauteile die geforderten Inspektions- und Wartungsintervalle nach DIN EN 806-5 an. Zudem sind die Angaben der Hersteller zu berücksichtigen.

Bild: Geberit

Die Tabelle gibt beispielhaft für einige Bauteile die geforderten Inspektions- und Wartungsintervalle nach DIN EN 806-5 an. Zudem sind die Angaben der Hersteller zu berücksichtigen.

Info

Voraussetzungen für einen ­bestimmungsgemäßen Betrieb

Die Einhaltung des bestimmungsgemäßen ­Betriebs ist eine Betreiberpflicht. In der Planung und Ausführung von Trinkwasser-Installationen müssen jedoch die Voraussetzungen geschaffen werden, damit eine solche Betriebsweise möglich wird. Hierzu gehören u. a.:

  • Einsatz zugelassener Materialien für sämtliche trinkwasserberührten Bauteile
  • Bedarfsgerechte Auslegung von Trinkwasser­erwärmern
  • Bedarfsgerechte Dimensionierung der ­Trinkwasserleitungen
  • Hydraulischer Abgleich von Zirkulations­systemen
  • Ordnungsgemäße Dämmung der ­Trink­wasserleitungen
  • Leitungsführungen mit geringem Stagnations­potenzial
  • Thermisch entkoppelte Leitungsführung
  • Ordnungsgemäße Inbetriebnahme mit
    den Teilaufgaben Dichtheitsprüfung, ­Erstbefüllung und Spülung
  • Ordnungsgemäße Übergabe, Einweisung
    und Dokumentation.
  • Autor

    Dietmar Stump
    ist Baufachjournalist und Inhaber des Pressebüros DTS in 67551 Worms,

    Bild: DTS

    Jetzt weiterlesen und profitieren.

    + SBZ E-Paper-Ausgabe – jeden Monat neu
    + Kostenfreien Zugang zu unserem Online-Archiv
    + Fokus SBZ: Sonderhefte (PDF)
    + Webinare und Veranstaltungen mit Rabatten
    uvm.

    Premium Mitgliedschaft

    2 Monate kostenlos testen