Springe auf Hauptinhalt Springe auf Hauptmenü Springe auf SiteSearch
Wärmegewinnung aus

Bier und Grundwasser

Die Brauereigaststätte St. Afra im Felde mit Tagungshotel und Biergarten liegt in der Nähe von Augsburg idyllisch, direkt neben der ältesten Wallfahrtskapelle nördlich der Alpen. Bis 1996 stand an gleicher Stelle ein Messnerhaus, in dem über Jahrhunderte hinweg die Wallfahrer verköstigt wurden. Der Neubau zeigt sich nun mit modernster Haustechnik, energetisch und technisch auf dem neuesten Stand.

Die Realisierung des Großprojektes mit 2500 m² Nutzfläche war anspruchsvoll. Bei den ersten Planungen wurde die Heiz- und Kühltechnik zunächst mit einer komplexen Lüftungsanlage und Lüftungskanälen vorgesehen. Diese war allerdings zu groß konzipiert, zu teuer und ener­getisch nicht ausgereift. Da im Bereich des Hotels das Grundwasser schon in sieben Meter Tiefe ansteht, wurde die Wärmeversorgung mittels einer Wasser-Wärmepumpe realisiert. Das Planerteam um Josef Hacher entwickelte ein Konzept, das von der ausführenden Reko-Tech GmbH aus Aschheim bei München speziell im Bereich der Wärmerückgewinnung und der MSR-Technik weiterentwickelt und umgesetzt wurde. Kooperativ verlief dabei auch die Zusammenarbeit mit dem Kälte- und Klimaspezialisten Ciat. Der französische Hersteller mit vier Vertriebsbüros in Deutschland lieferte den Plattenwärmetauscher, die Wärmepumpen und diverse Deckenkassettengeräte für die Räume im Erdgeschoss.

Erst das Gebäude gebaut, dann die Haustechnik geplant

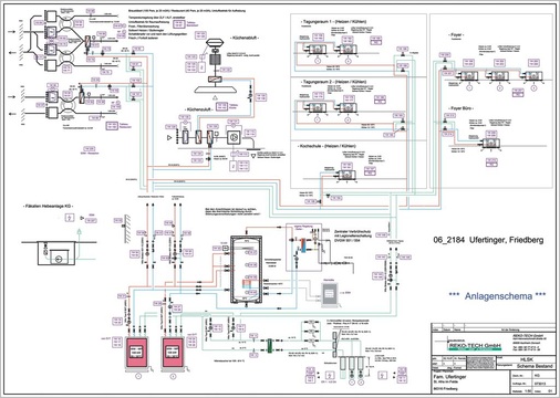
„Die Hauptschwierigkeit war, die Technik in den dafür vorgesehenen Räumen zu platzieren und den Zeitrahmen einzuhalten“, berichtet Planer Hacher. Da die Architektenplanung den Grundriss vorgab, musste der 5000-Liter-Schichtenspeicher in Einzelteilen in das Untergeschoss gebracht und vor Ort zusammengeschweißt werden. „Normalerweise wird so eine Technik in den Rohbau eingebracht“, berichtet Stefan Koch, „allerdings waren wir ja zu der Zeit noch nicht als Planer und Ausführende vorgesehen.“ Mitte April 2007 begann die Firma Reko-Tech dann mit der Montage der Anlage. Diese wurde so konzipiert, dass alle Komponenten der Anlage (Kälteanlage, Lüftung) in die Wärmerückgewinnung einbezogen werden, um eine optimale Energieausnutzung zu erreichen.

Zur Wärmeversorgung dient ein 5000-Liter-Schichtenspeicher als Puffer. Die Übertragung zum Brauchwasser erfolgt über ­einen Plattenwärmetauscher im Durchlaufverfahren. Die Fußbodenheizung für die Kellerräume, das Obergeschoss und das Dachgeschoss wird ebenfalls über den Schichtenspeicher versorgt. Die Entnahmestelle liegt in der Mitte des Speichers, die Vorlauftemperatur liegt bei 40 °C. Die Grundwasser-Wärmepumpe wird hier vor allem im Winter zugeschaltet. Trotz kalter Grundwassertemperatur (bei relativ niedriger Vorlauftemperatur) erreicht sie immer noch einen durchschnittlichen COP-Wert von 3,32. Insgesamt wurden vom Sanitär- und Heizungsteam 1169 m² Fußbodenheizung verlegt. „Das entspricht rund 7500 Meter Rohrleitung“, sagt Stefan Koch von der Installationsfirma. Sein Unternehmen hat in Zusammenarbeit mit zahlreichen Subunternehmen insgesamt 2430 Meter Rohrleitungen für Sanitär und Heizung in dem Objekt verlegt. Zudem wurden 33 Bäder und zwei WC-Bereiche installiert.

Auch die Abwärme aus dem ­Brauprozess wird genutzt

Ein- bis zweimal pro Woche wird das Hausbier St. Afra gebraut. Eine wichtige energetische Komponente spielt die Wärmerückgewinnung der 45 kW Kälte-Verbundanlage, die die Bierkühlung und die gastronomische Anlage mit Kälte versorgt. Die Rückkühlung der Anlage erfolgt energieeffizient im Wärmetauscher des Schichtenspeichers. Durch die doppelwandige Ausführung der Rohre wird einer eventuellen Leckage vorgebeugt. Der spiralförmige Wärmetauscher wurde bei der Montage von den Installateuren am tiefsten Punkt im Speicher angebracht und sorgt in den Sommermonaten – bei höchster Auslastung der Kälteanlage – dafür, dass im Prinzip genügend warmes Brauchwasser für die Gastronomie bereitgestellt werden kann. „Im Sommer heizen wir das Wasser eigentlich nur über die Rückkühlung der Kälteanlage“, erklärt Planer Hacher. Reicht die Temperatur im Pufferspeicher nicht aus, zum Beispiel in der Übergangszeit oder im Winter, werden die zwei Wasser/Wasser-Wärmepumpen, Typ Dynaciat 300 V zugeschaltet. Dem aus sieben Meter Tiefe gepumpten Wasser wird über einen Plattenwärmetauscher Wärme entzogen und danach durch den Schluckbrunnen wieder in den Grund eingeleitet. In den drei Saugleitungen sind selbstreinigende Filterelemente eingebaut, die durch eine druckabhängige Spülung regelmäßig und automatisch gespült werden können.

Getrennter Brunnenkreislauf

Der Brunnenkreislauf ist mit dem Plattenwärmetauscher von dem internen (kalten) Wasserkreislauf getrennt. Dieser interne Wasserkreislauf dient sowohl als Wärmequelle für die Wärmepumpe als auch zur direkten Kühlung der Räumlichkeiten im Erdgeschoss über die Deckenkassettengeräte. Im Heizfall erwärmen zwei Wärmepumpen (je nach Bedarf in Kaskade geschaltet) den Pufferspeicher auf bis zu 60 °C. Im Restaurant und den Tagungsräumen sorgen Deckenventilatoren und Zuluftgeräte für die entsprechende Erwärmung bzw. Kühlung. Die Küche wird ebenfalls über ein Zuluftgerät versorgt, die belastete Luft wird über eine Küchenablufthaube und einen Dachventilator abgeführt. Die Wärmerückgewinnung findet hier über ein Kreislaufverbundsystem statt. Dieses wärmt bei entsprechend niedrigen Außentemperaturen die Zuluft vor. Die Anlage ist nicht nur in Sachen Ener­gieausbeute vorbildlich. In Anbetracht der komplexen Systeme wurde auch eine Fern­überwachung integriert. Bei einer Fehlermeldung werden sofort Servicemitarbeiter von Reko-Tech per SMS und E-Mail informiert.

Vorraussetzung für die erfolgreiche Realisierung des Bauprojekts war, dass Planer, Hersteller und ausführende Firmen an einem Strang gezogen haben. „Wir hatten bis zu 40 Monteure auf der Baustelle“, beschreibt Koch „den Ernst der Lage“. Das überaus gute Ergebnis ist auch in der Landgaststätte St. Afra im Felde zu sehen. „Nach knapp einem Jahr liegen nun auch die ersten Ergebnisse vor“, berichtet Andreas Ufertinger, Gastronom und Betreiber des Tagungshotels. „Wir haben nur 2000 Euro zum Heizen in den ersten elf Monaten aufwenden müssen“, sagt er freudestrahlend. Sehr wenig, wenn man bedenkt, dass damit ein Gebäude von knapp 2500 m² Nutzfläche mit Tagungsräumen, Hotelzimmern, Gastronomie und kleiner Brauerei versorgt wird.

Baustellentafel

Neubau der Brauereigaststätte mit Tagungshotel St. Afra im Felde bei Friedberg. Die Nutzfläche beträgt 2500 m². Beheizung und Kühlung mit Klimageräten und Fußbodenheizung. Die Wärmeversorgung erfolgt durch zwei Wasser/Wasser-Wärmepumpen.

Bauherr: Brauereigasthof St. Afra im Felde KG, Andreas Ufertinger

Planer: Josef Hacher

Ausführender Betrieb: Reko-Tech GmbH

  • Wärmepumpen: Zwei Wasser/Wasser-Wärmepumpen, Typ Dynaciat 300V, Kältemittel R410a, Schalldruck 42 dB (A), Heizleistung 104 kW
  • Lüftung: 7 Deckenkassettengeräte Melody WA 63 von Ciat, 2 Deckenkassettengeräte Melody WA 123 2 TFC von Ciat
  • Plattenwärmetauscher: Ciat Typ PWB 45.11-83 Platten, Leistung 175 kW
  • Im Restaurant und den Tagungsräumen sorgen Deckenventilatoren und Zuluftgeräte für Erwärmung oder Kühlung
  • Wärmerückgewinnung über ein Kreislaufverbundsystem, die die Außenluft vorwärmt
  • Sonstiges: Insgesamt wurden 1169 m² Fußbodenheizung (7500 m) verlegt.
  • 2430 Meter Rohr für Sanitär und Heizung kamen sonst noch ins Objekt. Zudem wurden 33 Bäder und zwei WC-Bereiche eingebaut.

Weitere Informationen

Der Journalist und SBZ-Autor Rüdiger Sinn lebt in Stuttgart. Nach handwerklicher Ausbildung und Stu­dium hat er eine publizistische Aus­bildung absolviert. Schwerpunkte sind Objektberichte, Porträts und Reportagen.

http://www.ruedigersinn.de

Tags