Springe auf Hauptinhalt Springe auf Hauptmenü Springe auf SiteSearch
Wärme von der Sonne vollständig nutzen

Sonne unterirdisch geparkt

Michael Lazarus, technischer Zeichner in einem Unternehmen der Heizungs-, Lüftungs- und Klimatechnikbranche, war schon lange auf der Suche nach einem Wärmepumpensystem mit Erdkollektor, das auf sein verhältnismäßig kleines Grundstück in dem oberbayrischen Ort Mettenheim passt. Für diesen Einsatz war das Roth Solar-Wärmepumpen-Energiesystem Solargeo E X eine ­gute Lösung. Das System nutzt gleichzeitig solare und geothermische Energie und ermöglicht somit eine effiziente und energiesparende Betriebsweise.

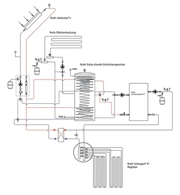
Integriert in das Energiesystem sind 6 Solarkollektoren Heliostar 252+, eine Sole/Wasser-Wärmepumpe Terracompact E X 10 kW und die im Erdreich eingebrachte, kompakte Solargeo E X Registerstation mit acht Regis­tern. Die Station stellt mit ihren horizontal angebrachten Kunststoffrohren die Speicher- und Entzugselemente dar.

Die Solarenergie wird zunächst direkt für die Warmwasserbereitung und Heizungs­unterstützung eingesetzt. Überschüssige Energie wird in die Registerstation geleitet.

Die solare Energie wird vollständig genutzt

Die Quellentemperatur im Jahresverlauf wird im Wesentlichen vom jährlichen Entzug über die Wärmepumpe und die mögliche solare Einspeisung beeinflusst. Sowohl der Entzug als auch die solare Einspeisung sind abhängig von den meteorologischen Bedingungen im Jahresverlauf. Die Anlage ist dabei so dimensioniert, dass sich die Quellentemperatur, auch im Extremfall, in einem Bereich um 0 °C bewegt.

Die Größe der Solaranlage richtet sich nach der Leistungsgröße der Wärmepumpenanlage, der dadurch resultierenden notwendigen Energie zur Regeneration des Erdreichs und nach der Personenzahl im Haushalt. Das Volumen des Solar-Kombi-Schichtenspeichers beträgt bei diesem Projekt 1000 l. Die Warmwasser-Bereitung erfolgt im Durchlaufprinzip über einen Edelstahlwärmeübertrager im Solar-Kombi-Schichtenspeicher. Dieser hat einen Inhalt von 55 l, die Speicherleistungszahl NL bei dem Solar-Kombi-Schichtspeicher 1000 beträgt 4,0.

Der solare Ertrag der Anlage wird, wenn das Temperaturniveau es zulässt, vorrangig in den Brauchwasserbereich eingespeist. Ist dieser gesättigt bzw. fällt das solare Temperaturniveau z.B. unter 50 °C, wird der Ertrag in den Heizungsbereich geleitet. Ist schließlich auch dieser gesättigt oder nur noch eine solare Temperatur unter Heizungsniveau vorhanden, wird die gewonnene Solarwärme ins Erdreich oder direkt der Wärmepumpe (falls sie gerade aktiv ist) zugeführt und erhöht damit die Leistungszahl. Die vorhandene solare Energie wird also in jedem Fall genutzt.

Mit dem Solar-Wärmepumpen Energie­sys­tem Solargeo E X hat der Hersteller ein Sys­tem entwickelt, das auch unter beengten Raumverhältnissen effizient arbeiten kann. Aufgrund der kompakten Bauweise der Regis­terstation sind weder aufwendige Erdbohrungen noch großflächig einzubringende Erdkollektoren notwendig. Während ähnliche Systeme etwa 200 m 2 Erdfläche benötigen, reichen für die Registerstation von Roth etwa 80 m 2 aus.

Für das Bauvorhaben in Mettenheim haben die Techniker auf 76 m 2 Fläche eine Re­gisterstation mit 8 Registern à 5 m x 0,8 m realisiert. Dadurch konnte Michael Lazarus seinen Traum von einer durch erneuerbare Energien gestützten Warmwasser- und Heizversorgung verwirklichen. Außerdem gewährleistet das System die ganzjährige Nutzung der Solaranlage sowie eine aktive Erdreich-Regeneration. Lazarus zu seiner Motivation: „Aufgrund der steigenden Erdöl- und Erdgaspreise ist Solargeo ideal. Die Betriebskosten einer solargestützten Wärmepumpe liegen schließlich deutlich niedriger als bei einer Heizung, die fossile Brennstoffe benötigt“.

Die Anlagen erzielen Jahresarbeitszahlen bis zu 5,3

Das „Kompetenzfeld Erneuerbare Energien“ der Hochschule Ingolstadt begleitete die Entwicklung des Systems. Durch die Kombina­tion von Solar- und Geothermie kann eine hocheffiziente Betriebsweise nachgewiesen werden. Prof. Dr.-Ing. Wilfried Zörner, Hochschule Ingolstadt, bestätigt, dass mit Solargeo E X eine System-Jahresarbeitszahl von bis zu 5,3 möglich ist. Dies bedeutet eine Effi­zienz­steigerung um bis zu 33 %.

Bei dem Projekt in Mettenheim ließ der Bauherr zur Wärmeverteilung das Roth Original-Tacker-System mit dem Roth Systemrohr X-Pert S5+ einbauen. Dieses versorgt eine Fläche im Haus von rund 207 m 2 . Geregelt wird es mit dem Regler Roth Energielogik. Dieser sorgt durch eine auf die Anforderungen der Flächen-Heizsysteme abgestimmte Wärmeversorgung für einen möglichst niedrigen Energieeinsatz.

Die Installation der Gesamtanlage erfolgt im Prinzip in drei Schritten:

  • Montage der Erdregister und des Verteilerschachts im Erdreich,
  • Montage der Solaranlage auf dem Dach,
  • Montage der Wärmepumpe und Speicher und deren Anbindung im Keller.

Jeder der Gräben für die Register sollte 2 m tief, 5 m lang und 0,8 m breit sein. Der Zwischenraum sollte 1,2 m betragen. Zusätzlich ist ein Anbindegraben zum Verteilerschacht nötig. Jedes Erdregister erbringt eine Leis­tung von rund 1000 W.

Der Installateur bringt die vorgefertigten Register in die Gräben ein und schließt diese an den Verteiler an. Darüber hinaus verlegt er eine Verbindungsleitung vom Verteiler im Schacht bis zur Wärmepumpe im Heizungsraum. Die Register werden im gerollten Zustand auf einer Palette angeliefert. Der Installateur muss lediglich die Register aufrollen, in eine U-Form stellen und mit den beiliegenden fertigen Klippschienen auf die fertige Breite von 0,8 m verbinden.

Einfache Außenmontage mit vorgeprüften Komponenten

Alle Register werden in einem Verteiler, der sich im Solargeo-Schacht befindet, zusammengeführt. Vom Schacht werden nur zwei Leitungen ins Haus zur Wärmepumpe geführt. Die Mauerdurchführung muss bauseits diffusionsdicht ausgeführt werden. Bereits im Werk erfolgt eine Dichtheitsprüfung von jedem einzelnen Re­gis­ter. Auf der Baustelle soll nach dem Anschluss aller Register eine weitere Dichtheitsprüfung mit 3 bar stattfinden. Vor der Inbetriebnahme des Gesamtsystems muss die Anlage vom Installateur gespült werden. Sie muss absolut luftfrei sein. Bei der Inbetriebnahme werden noch verschiedene Reglereinstellungen vorgenommen, alle Bauteile im Handbetrieb auf Funktion getestet und schließlich wird die Anlage aktiviert.

Der Kältekreis der Wärmepumpe bedarf keiner regelmäßigen Wartung. Die Komponenten des Heizkreises, der Wärmequelle und der Solaranlage sollten bei Bedarf, mindestens jedoch jährlich, durch qualifiziertes Fachpersonal geprüft und gereinigt werden. Empfehlenswert sind Wartungsverträge.

Das Projekt im Hause Lazarus wurde im Dezember 2009 nach vier Monaten fertiggestellt. „Seitdem läuft es einwandfrei“, erklärt der Bauherr. Mit dem Service und der Beratung der Roth Ingenieure sei er sehr zufrieden gewesen, teilt er weiter mit.

Technische Daten

Details zum Projekt in Mettenheim

Wohnfläche: 310 m 2

5-Personen-Haushalt

Normheizlast: 9,8 kW

Komponenten des Roth-Solar-­Wärmepumpen-Energiesystems ­Solargeo E X

6 Flachkollektoren Heliostar 252+

  • Bruttofläche: je 2,52 m2
  • Gewicht: 38 kg

1 Sole/Wasser-Wärmepumpe Terracompact E X 10 kW

  • Heizleistung: 10,2 kW, COP 4,6 (B0/W35 nach EN 14511)
  • Gewicht: 221 kg
  • Heizwassertemperatur: max. 65 °C

8 Solargeo E X Register

  • Größe: 5,0 m x 0,8 m
  • Leistung: 1000 bis 1200 W pro ­Register

Solargeo E X Registerstation

  • Material: hochwertiger Kunststoff
  • begehbare Abdeckung
  • Registeranschluss zur Aufnahme des Solargeo Ex Verteilers

Roth Solar-Kombi-Schichtenspeicher

  • Größe: 1000 l
  • Gewicht: 210 kg
  • Speicherleistung: 4,0 NL

Energielogik-Modul Solargeo E X

Energieverteilung

Original-Tacker-System und Systemrohr X-Pert S5+ 17 mm von Roth

  • Versorgte Fläche: 207,2 m2
  • Temperatur: 38 °C/31 °C

Planung und Auslegung

Horst Dichtl, staatlich geprüfter Heizungstechniker und Fachberater Energieerzeugung der Roth Werke GmbH, 35232 Dautphetal/Buchenau.

Extras

Das Anlagenschema finden Sie als JPG-Datei zum Download in höherer Auflösung unter https://www.sbz-online.de/

Autor

Jacqueline Lachwa ist als Fachkauffrau für Marketing verantwortlich für Werbung und Öffentlichkeitsarbeit bei den Roth Werken, 35232 Dautphetal, Telefon (0 64 66) 9 22-2 19, jacqueline.lachwa@roth-werke.de , https://www.roth-werke.de/

Tags