Springe auf Hauptinhalt Springe auf Hauptmenü Springe auf SiteSearch

Warmwasser-Zirkulationssysteme

Zur Sicherstellung der Anforderungen der Hygiene an die Technik wird der Temperatur des erwärmten Trinkwassers im Trinkwassererwärmer und in der Leitungsanlage besondere Bedeutung beigemessen. Zentrale Trinkwassererwärmer müssen daher so geplant, gebaut und betrieben werden, dass am Austritt aus dem Trinkwassererwärmer die Trinkwassertemperatur  60 °C beträgt [1]. Kurzzeitige Absenkungen im Minutenbereich der Temperatur am Austritt des Trinkwassererwärmers sind tolerierbar. Systematische Unterschreitungen von 60 °C sind aber nicht akzeptabel [2]. Durch ein geeignetes Zirkulationssystem muss dafür gesorgt werden, dass bei einer Austrittstemperatur aus der Trinkwassererwärmungsanlage von 60 °C die Temperatur in allen Leitungen, in denen das erwärmte Trinkwasser zirkuliert, die Warmwassertemperatur nicht unter 55 °C absinkt.

Bild 1 zeigt beispielhaft einen entsprechenden Verlauf der Speicheraustrittstemperaturen und der aus dem Zirkulationssystem zurückkehrenden Temperaturen des zirkulierenden Wassers in Abhängigkeit von der Warmwasserentnahme. Werden für den hydraulischen Abgleich thermostatische Zirkulationsregulierventile (ZRV) verwendet, ist es auch aus technischen Gründen erforderlich, dass die Austrittstemperaturen aus einer Trinkwassererwärmungsanlage näherungsweise konstant bei 60 °C liegen [3].

Mit Auftreten eines Spitzendurchflusses (DIN 1988-300) darf zwar grundsätzlich die Austrittstemperatur aus Speicher- oder Durchflusssystemen im Minutenbereich unterschritten werden, die Warmwassertemperatur darf dabei aber nicht so weit abfallen, dass die Gebrauchstauglichkeit der Warmwasserversorgung nicht mehr gegeben ist. Thermostatventile reagieren konstruktionsbedingt träge, sodass Temperaturschwankungen im Minutenbereich keine signifikante Auswirkung auf den hydraulischen Abgleich des Zirkulationssystems haben.

Eine Betriebsweise, die nicht den a. a. R. d. T. entspricht, mit dauerhaft schwankenden Speicheraustrittstemperaturen und einem zu hohen Temperaturabfall im Zirkulationssystem ( Bild 2 ) ist für eine Einregulierung mit thermostatischen Zirkulationsregulierventilen ungeeignet!

Allgemeine Konstruktionsregeln

Bereits mit Entwurf des grundsätzlichen Layouts eines Rohrnetzes muss darauf geachtet werden, dass der Längenunterschied zwischen den einzelnen Fließwegen möglichst gering ist. Damit wird die Basis dafür gelegt, ob die Temperaturhaltung durch eine Zirkulation des erwärmten Trinkwassers bzw. der hydraulische Abgleich gelingt oder nicht.

Bei Trinkwasserinstallationen mit einer einseitigen Einspeisung des Trinkwassers in die Leitungsstruktur sind auch die Längen der einzelnen Zirkulationskreisläufe stark unterschiedlich. Die Bemessung sowohl der Verbrauchs- als auch der Zirkulationsleitungen orientiert sich am jeweils hydraulisch ungünstigsten (längsten) Fließweg. Bei vorgegebenen Druckverhältnissen reduziert sich dadurch mit zunehmender Länge des Fließwegs das „verfügbare Rohrreibungsdruckgefälle“. Die Leitungen müssen dadurch tendenziell größer bemessen werden. Im Bereich des Zirkulationssystems führt eine solche Rohrnetzstruktur ebenfalls zu größeren Nennweiten, einer höheren Pumpendruckdifferenz und damit auch zu erschwerten Bedingungen für die Einregulierung bzw. die Realisierung des hydraulischen Abgleichs. Aus wirtschaftlichen und auch aus trinkwasserhygienischen Gründen sind daher Verteilungsprinzipien mit eher mittiger Einspeisung zu bevorzugen.

In Trinkwasserinstallationen mit sehr großen Leitungslängen sollte die Warmwasserversorgung nicht nur über eine zentrale Trinkwassererwärmungsanlage erfolgen. Sofern baulich und wirtschaftlich darstellbar, ist gegebenenfalls eine Aufteilung auf mehrere Trinkwassererwärmungsanlagen (TWE) empfehlenswert ( Bild 3 ). Das trifft vor allen Dingen auf Verteilungskonzepte zu, die zur Temperaturhaltung prinzipbedingt höhere Zirkulationsvolumenströme erfordern, wie z. B. Anlagen mit einer Zirkulation des erwärmten Trinkwassers bis unmittelbar an die Entnahmestellen.

Wird eine Trinkwasserinstallation zur Begrenzung der Druckverhältnisse an den Entnahmearmaturen in Druckzonen eingeteilt, muss für jede Druckzone mindestens eine Trinkwassererwärmungsanlage vorgesehen werden ( Bild 4 ). Zirkulationssysteme, die über mehrere Druckzonen geführt werden, können nicht mehr hydraulisch abgeglichen werden. Es muss erwartet werden, dass in solchen Systemen in weiten Bereichen die Zirkulation und damit die Temperaturhaltung nicht funktioniert [4].

Bemessung des Zirkulationssystems

Der Zirkulationsvolumenstrom muss die Wärmemenge transportieren können, die in jeder Teilstrecke über die Oberfläche des Rohrleitungssystems „verloren“ geht. Nur wenn dieser Gleichgewichtszustand an jeder Stelle des Zirkulationssystems sichergestellt werden kann, kann das angestrebte Temperaturniveau in der Leitungsanlage gehalten werden. Der Wärmeverlust über die Oberfläche der Rohrleitung steht in einem direkten Zusammenhang mit dem zur Temperaturhaltung erforderlichen Zirkulationsvolumenstrom und bildet daher die Grundlage für die Volumenstromberechnung. Die für die Temperaturhaltung erforderlichen Zirkulationsvolumenströme müssen aus den Wärmeverlusten der Warmwasserleitungen (PWH) und der erforderlichen Temperaturdifferenz des erwärmten Trinkwassers zwischen dem Austritt aus dem Trinkwassererwärmer und dem Anschluss einer Zirkulationsleitung (PWH-C) an die Warmwasserleitung ermittelt werden ( Bild 5 ).

Mit einer Rohrnetzberechnung nach DIN 1988-300 zur Bemessung der Zirkulationsleitungen wird das Ziel verfolgt, für eine vorgegebene Volumenstromverteilung ( Bild 6 ) ein optimales Rohrnetz zu gestalten. Im Zirkulationssystem soll damit sichergestellt werden, dass mit einem minimalen Einsatz an Energie die Temperaturen des erwärmten Trinkwassers oberhalb der geforderten 55 °C gehalten werden können. Die Auswahl der Zirkulationsnennweiten in den jeweiligen Teilstrecken sollte aus hydraulischen Gründen so erfolgen, dass die Fließgeschwindigkeiten im Zirkulationskreis – beginnend bei ca. 0,3 m/s – in Richtung Zirkulationspumpe kontinuierlich zunimmt. In pumpennahen Teilstrecken kann die Geschwindigkeit bis v max = 1,0 m/s betragen ( Bild 7 ). Die Bemessung aller Zirkulationsleitungen in der Nähe der zulässigen Maximalgeschwindigkeit führt gerade bei größeren Trinkwasserinstallationen zu einer hohen Pumpendruckdifferenz, die einen unwirtschaftlichen Rohrleitungsbetrieb nach sich zieht und die Einregulierung erheblich erschwert bzw. unmöglich macht! Es gilt die Regel, dass die pumpenferneren Leitungen mit geringeren Fließgeschwindigkeiten bis ca. 0,3 m/s auszulegen sind [5].

Die Beachtung dieser Bemessungsregel ist eine der Grundvoraussetzungen für die „automatische“ Einregulierung eines Zirkulationssystems durch thermostatische Zirkulationsregulierventile. Ein typisches Ergebnis dieser Bemessungsstrategie besteht darin, dass in größeren vertikal orientierten Zirkulationssystemen die letzte(n) Steigleitung(en) größere Nennweiten aufweisen, z. B. DN 15 oder gelegentlich auch DN 20, als die pumpennäheren, die fast ausschließlich in DN 12 bemessen werden. Die Druckdifferenz (der Förderdruck) der Zirkulationspumpe ist durch eine Druckverlustberechnung für den hydraulisch ungünstigsten Zirkulationskreis zu ermitteln.

Hydraulischer Abgleich

Zur Sicherstellung einer Warmwasserzirkulation im energetischen Optimum darf in jedem Zirkulationskreis nur der Volumenstrom fließen, der zur Temperaturhaltung notwendig ist. Damit dieses Ziel erreicht werden kann, muss der sogenannte hydraulische Abgleich hergestellt werden. Das heißt, dass bei den errechneten Zirkulationsvolumenströmen ( Bild 6 ) in jedem Zirkulationskreis die Pumpendruckdifferenz gleich der Summe der Druckverluste sein muss. Die für den hydraulischen Abgleich im jeweiligen Zirkulationskreis fehlende Differenz (blauer Anteil des Balkendiagramms in Bild 8 ) zwischen Pumpendruck und den Druckverlusten im Rohrnetz (roter Anteil) muss punktuell in mindestens einem Zirkulationsregulierventil erzeugt werden [6]. Zur Aufrechterhaltung einer Temperatur > 55 °C müssen in den Zirkulationsregulierventilen (ZRV) der pumpennahen Zirkulationskreise relativ große Druckdifferenzen aufgebaut werden ( Bild 8 ).

Jeder Anschluss einer Zirkulationsleitung an eine Warmwasserverbrauchsleitung eröffnet einen neuen Zirkulationskreis. Für die Sicherstellung des hydraulischen Abgleichs muss jedem dieser Anschlüsse ein Zirkulationsregulierventil zugeordnet werden ( Bild 5 ). Fehlt nur in einem Zirkulationskreis ein solches Ventil, kommt es in dem betreffenden Kreis zu einem hydraulischen Kurzschluss, der dazu führen kann, dass das angestrebte Temperaturniveau nicht erreicht wird ( Bild 9 ).

Fehlt der hydraulische Abgleich insgesamt, fließen in den Teilstrecken unkontrolliert andere Zirkulationsvolumenströme als planerisch vorgesehen wurden! Die geforderte Temperaturhaltung in allen Leitungsteilen des Zirkulationssystems oberhalb von 55 °C ist dann häufig nicht mehr sichergestellt ( Bild 10 ). Der hydraulische Abgleich ist die Grundvoraussetzung für eine trinkwasserhygienisch einwandfreie Funktion eines Zirkulationssystems im Sinne des DVGW-Arbeitsblattes W 551 und der DIN 1988-200/-300.

Mit dem hydraulischen Abgleich des Warmwasser-Zirkulationssystems wird nicht nur ein wirtschaftlicher Betrieb ermöglicht und Komfortkriterien [7] werden erfüllt! Diese Betriebsweise verhindert auch die Besiedlung der Trinkwasserinstallation mit fakultativ pathogenen Krankheitserregern und schützt damit gegebenenfalls den Verbraucher des Trinkwassers vor schweren Erkrankungen.

Konstruktiver Aufbau eines Zirkulationssystems

Je nach Gebäudetyp, Gebäudegröße und Gebäudenutzung werden unterschiedliche Erschließungskonzepte für die Versorgung mit Trinkwasser und damit auch für das zugehörige Zirkulationssystem realisiert. Im Wesentlichen wird nach Verteilungskonzepten für Wohn- und Zweckgebäude mit horizontal oder vertikal ausgerichteten Leitungssystemen unterschieden. In Wohngebäuden überwiegen vertikal ausgerichtete Systeme, während in hochinstallierten Zweckgebäuden, wie z. B. Krankenhäusern, häufig horizontale Konzepte umgesetzt werden.

  • ��bliche Verteilungskonzepte f��r Wohngeb��ude:Vertikal ausgerichtete Zirkulationssysteme mit
    • unterer Verteilung
    • unterer Verteilung und Zirkulations-Inlinern
    • unterer Verteilung und oben liegendem Zirkulationssammler
  • ��bliche Verteilungskonzepte f��r Zweckgeb��ude:Vertikal ausgerichtete Zirkulationssysteme mit
    • unterer Verteilung und Stockwerkszirkulation
    • unterer Verteilung und oben liegendem Zirkulationssammler sowie konventioneller Stockwerkszirkulation
    • unterer Verteilung und oben liegendem Zirkulationssammler sowie Stockwerkszirkulation über Strömungsteiler

Horizontal ausgerichtete Zirkulationssysteme mit

konventioneller Stockwerkszirkulation (Zweirohrsystem)

Stockwerkszirkulation über Strömungsteiler (Einrohrsystem)

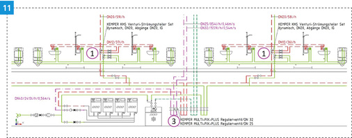
Alle Zirkulationssysteme müssen so aufgebaut werden, dass der Druckabfall über den Regulierventilen schallschutzkritische Werte nicht überschreitet (z. B. 400 hPa als Herstellervorgabe) und Erosionskorrosionen am Regulierkegel vermieden werden. In ausgedehnteren Trinkwasserinstallationen mit mehreren Zirkulationszonen und größeren Pumpendruckdifferenzen ist dazu in der Regel eine mehrstufige Einregulierung erforderlich. Bei einer mehrstufigen Einregulierung darf sich zur Sicherstellung der Ventilautorität jeweils nur in der Teilstrecke mit dem „Anschluss der Zirkulation an die Verbrauchsleitung“ ein thermostatisches Zirkulationsregulierventil befinden. Alle anderen Regulierventile im Zirkulationskreis müssen statisch ausgelegt werden ( Bild 11 ).

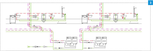
In großen Trinkwasserinstallationen, z. B. für Krankenhäuser, ergeben sich häufig drei Regulierebenen ( Bild 12 ):

  • Regulierebene (1): Thermostatisches Regulierventil in der Anschlussleitung der Zirkulation an die Verbrauchsleitung, z. B. im Bereich der Stockwerks-/Einzelzuleitungen
  • Regulierebene (2): Statisches Ventil am Fuß einer Steigleitung oder bei einer horizontalen Verteilung am Ende einer Stockwerksverteilungsleitung
  • Regulierebene (3): In der Zentrale – statisches Regulierventil auf einem Zirkulationssammler

Wird trotz der Einteilung des Zirkulationssystems in Regulierebenen über einem Regulierventil die maximal zulässige Druckdifferenz von z. B. 400 hPa überschritten, muss der konstruktive Aufbau des Rohrnetzes verändert oder eine Neuberechnung mit vergrößerten Zirkulationsleitungen durchgeführt werden ( Bild 13 ).

Fazit

Bereits im Planungsprozess wird die Basis dafür gelegt, ob die Temperaturhaltung durch eine Zirkulation des erwärmten Trinkwassers gelingt oder nicht. Dabei hat der konstruktive Aufbau nennenswerte Auswirkung auf den hydraulischen Abgleich. Nachdem in diesem Beitrag auf bekannt gewordene Fehler hingewiesen wurde, die aus einem fehlerhaften Aufbau des Zirkulationssystems, dem Nichtbeachten der a. a. R. d. T. und/oder der Bemessungsvorschriften resultieren, geht der zweite Beitrag auf häufige Fehler durch Einsatz ungeeigneter Reguliertechnik ein.

Info

Folgende Personen waren als Co-Autoren an dieser Publikation beteiligt: Prof. Dipl.-Ing. Bernd Rickmann und Prof. Dr.-Ing. Carsten Bäcker.

Literatur

[1] DIN 1988-200:2012-05, 9.7.2.2 Zentrale Trinkwassererwärmer – Technische Regeln für Trinkwasser-Installationen – Installation Typ A (geschlossenes System) – Planung, Bauteile, Apparate, Werkstoffe; Technische Regel des DVGW

[2] DVGW W 551:2004-04, 6.1 Großanlagen – Trinkwassererwärmungs- und Trinkwasserleitungsanlagen – Technische Maßnahmen zur Verminderung des Legionellenwachstums – Planung, Errichtung, Betrieb und Sanierung von Trinkwasser-Installationen

[3] Höing, D. „Keine Planung ohne Messungen – Messwerte erfassen und bewerten“ – 16. Sanitärtechnisches Symposium Fachhochschule Münster, Steinfurt 10. Februar 2016; https://www.fh-muenster.de/egu/downloads/seminar_symposium_workshop/2016/03_-_Hoeing_-_Keine_Planung_ohne_Messungen_2016.pdf

[4] Koss, S. „Temperaturschwankungen an Entnahmestellen in weitverzweigten Trinkwassersystemen – Problematik und Lösungsansatz“ – 17. Sanitärtechnisches Symposium Fachhochschule Münster, Steinfurt 15. Februar 2017, https://www.fh-muenster.de/egu/downloads/seminar_symposium_workshop/02_-_Koss_-_Temperaturschwankungen.pdf

[5] DIN 1988-300:2012-05, 6.2.2 Durchmesser der Zirkulationsleitungen und Förderdruck der Pumpe – Technische Regeln für Trinkwasser-Installationen – Teil 300 – Ermittlung der Rohrdurchmesser; Technische Regel des DVGW

[6] DIN 1988-300:2012-05, 6.5 Einregulierung des Systems

[7] VDI 6003:2018-08 – Trinkwassererwärmungsanlagen – Komfortkriterien und Anforderungsstufen für Planung, Bewertung und Einsatz

Autor

Timo Kirchhoff (M. Eng.) ist Leiter Produktmanagement bei der Gebrüder Kemper GmbH + Co. KG in Olpe. https://www.kemper-group.com/de-de/