Springe auf Hauptinhalt Springe auf Hauptmenü Springe auf SiteSearch
Wärmeerzeugung mit BHKW und Brennwertkessel

Auf die Hydraulik kommt es an

Bei Heizanlagen müssen deren Komponenten wie Blockheizkraftwerk (BHKW), Brennwertkessel (BWK), Wärmepumpe, Schichtenspeicher oder regelbare Umwälzpumpen den geltenden gesetzlichen und normativen Effizienzanforderungen entsprechen. Das ist aus technischer Sicht problemlos zu realisieren. Vergleichsweise größere Herausforderungen hält die Abstimmung der integrierten Komponenten zu einem effizienten Gesamtsystem für Planer und SHK-Betriebe bereit.

Denn über eine einfache „Komponentensubstitution“ kann das vorhandene Potenzial komplexer Verbundanlagen und damit die Möglichkeit, nachhaltig mehr Energie einzusparen, nicht konsequent ausgeschöpft werden. Ohne eine hinreichende hydraulische Abstimmung drohen darüber hinaus die „üblichen“ Probleme wie zu hohe Rücklauftemperaturen, laufende BHKW-Notkühler, aber auch ungleichmäßig beheizte Räume, verlängerte Aufheizzeiten und lästige Strömungsgeräusche.

Die dann erforderliche Ursachensuche und -behebung kann erfahrungsgemäß zeit- und kostenaufwendig werden. Gängige Lösungsversuche, etwa leistungsstärkere Pumpen einzubauen, höhere Drehzahlstufen zu wählen, die Heizkurve zu erhöhen oder Absenkphasen zu verkürzen, erbringen meist nicht die erwünschte Wirkung, da sie die Verteilprobleme innerhalb des hydraulischen Systems schlicht nicht lösen können.

Unbestritten hat die Einführung von regelbaren Pumpen in Verbindung mit moderner Mess-, Steuer- und Regelungstechnik (MSR-Technik) und intelligenter Informations- und Kommunikationstechnologie in den vergangenen Jahren hier völlig neue Möglichkeiten bereitgestellt. Aber auch diese müssen richtig eingesetzt werden.

Bild 2: Beim Energieeffizienzverteiler Yado-Share werden sämtliche Heizkreise und Bauteilgruppen (Drei-Wege-Ventil mit Stellantrieb, Hocheffizienzpumpen und Wärmezähler) fertig vormontiert.

Bild: Yados

Bild 2: Beim Energieeffizienzverteiler Yado-Share werden sämtliche Heizkreise und Bauteilgruppen (Drei-Wege-Ventil mit Stellantrieb, Hocheffizienzpumpen und Wärmezähler) fertig vormontiert.

Teillastbetrieb schlägt Auslegungspunkt

Die Hydraulik sorgt dafür, dass erzeugte thermische Energie mittels strömender Fluide von den Erzeugern zu den Verbrauchern übertragen wird und zur richtigen Zeit in der erforderlichen Menge am gewünschten Ort verfügbar ist. Dabei gilt es, den Aufwand an Antriebsenergie (Strombedarf für Pumpen) und die thermischen Verluste möglichst gering zu halten: Sind die Volumenströme zu niedrig, werden die Verbraucher nicht mit ausreichend Wärme versorgt, sind sie zu hoch, steigen Pumpenaufwand und Rücklauftemperatur.

Meist wenig hilfreich sind hier standardisierte Hydraulik- und Regelungskonzepte, die in der Regel den möglichst optimalen Betrieb von Einzelkomponenten am Auslegungspunkt fixieren – und dabei vernachlässigen, dass die Systeme im laufenden Betrieb üblicherweise nicht am Berechnungspunkt, sondern überwiegend unter Teillast arbeiten.

Zudem werden bei komplexeren Systemen mit mehreren Wärmeerzeugern und thermischen Speichern die unterschiedlichen hydraulischen Anforderungen nicht hinreichend beachtet. Soll ein thermisches Gesamtenergiesystem maximal energieeffizient arbeiten, müssen die integrierten Erzeuger und Verbraucher aufeinander abgestimmt möglichst nah an ihrem jeweiligen Wirkungsgrad-Optimum betrieben werden.

Anlagenhydraulik und ­abgesenkte Rücklauftemperatur

Die thermische Übertragungskapazität, Volumenströme, vorhandene Strömungs- und Wärmeverluste, der elektrische Pumpenaufwand sowie ggf. der Wirkungsgrad der Kraft-Wärme-Kopplung werden maßgeblich von den Rücklauftemperaturen (RLT) beeinflusst. Der hydraulische Abgleich hebt die gesamte thermische Netzeffizienz. Er ermöglicht niedrige RLT und senkt damit die thermischen Verteilverluste. Tiefe RLT sind aber auch eine zwingende Voraussetzung für die Nutzung der latenten Brennwertwärme und die effiziente Integration von regenerativen Energiequellen, sei es durch solarthermische Anlagen oder durch Wärmepumpen.

Für die Brennwertnutzung gilt: je niedriger die RLT (vorteilhaft sind Temperaturen unter 40 °C) zum Wärmeerzeuger, desto höher die Abkühlung der Abgase. Damit kann mehr Wasserdampf kondensieren und der Wirkungsgrad-steigernde Brennwertnutzen nimmt zu. Bei einer perfekten Gasverbrennung beginnt der Brennwerteffekt erst bei Abgastemperaturen unter 57 °C. Bei RLT über 50 °C kann der Effekt in der Regel nicht mehr eintreten und der erwünschte Nutzen bleibt aus.

Die RLT am Erzeuger ist von zahlreichen Faktoren abhängig. Dazu gehören die RLT einzelner Verbraucher, die hydraulische Verschaltung von Verbrauchern und Wärmeerzeugern sowie in den Rücklauf (RL) überströmendes Vorlaufwasser, das die Temperatur weiter anhebt. Direkt an den Verbrauchern beeinflussen die Anwendung sowie die Art und Auslegung der Wärmeübertrager (z. B. der Raumheizeinrichtung) die RLT.

Bei einer vorgegebenen Leistung kann das Temperaturniveau durch eine große Wärmeübertragungsfläche unkompliziert und wirksam abgesenkt werden. Auch die Nutzung des Gegenstromverfahrens am Wärmetauscher hilft, die RLT abzusenken.

Hydraulische Verschaltung flexibel gestalten

Die hydraulische Verschaltung von Verbrauchern und Verbrauchergruppen (Heizkreise) erfolgt gewöhnlich als Parallel- oder Reihenschaltung. Bei einer parallelen Anordnung können die Verbraucher bedarfsspezifisch mit Heizungswasser versorgt werden, da Leistung und Vorlauftemperatur variabel sind. Anders bei der starren Reihenschaltung. Hier wirkt sich eine individuelle Anpassung auf den Massenstrom aller angeschlossenen Verbraucher aus, die sich dann gegenseitig beeinflussen.

Vorteilhaft ist eine Schaltung in Reihe, wenn die Verbraucher(gruppen) grundsätzlich unterschiedliche Vorlauftemperaturen fordern, etwa bei Heizkörper- und Fußbodenheizkreisen. Der RL der Heizkörper liefert in der Regel ausreichend Vorlauftemperatur für den Fußbodenheizkreis, der die RLT weiter abgesenkt.

Bild 3: Das Schema zeigt den Energieeffizienzverteiler Yado-Share mit Hochtemperatur- und Niedrigtemperaturrücklauf.

Bild: Yados

Bild 3: Das Schema zeigt den Energieeffizienzverteiler Yado-Share mit Hochtemperatur- und Niedrigtemperaturrücklauf.

Wenig verbreitet, obwohl praxiserprobt und bewährt, ist die flexible Reihen-/Parallel­einbindung, die die Vorteile beider Varianten stufenlos vereint. Die kombinierte Schaltung erlaubt es, Verbraucher bei entsprechenden Bedarfen zugunsten einer niedrigen RLT – und damit eines geringen Massenstroms aufgrund der großen Gesamt-Temperaturspreizung – in Reihe zu betreiben.

Fordern einzelne Verbraucher(gruppen) einen abweichenden Massenstrom oder höhere Vorlauftemperaturen, wird ein „variabler Bypass“ aktiviert und es entsteht eine Parallelschaltung. Bewerkstelligt werden kann die flexible Einbindung etwa mit Mehrwege-Mischventilen.

Die Temperaturbereiche Vorlauf, Hoch­temperaturrücklauf und Niedrigtemperaturrücklauf realisiert der Hersteller Yados über drei Kammern im Rohrverteiler. Differierende Volumenströme werden in einen Brennwertkessel mit zwei Rücklaufanschlüssen oder optional über einen Rücklaufkurzschluss im Verteiler ausgeglichen. Der variable Energieeffizienzverteiler Yado-Share ist mit zwei getrennten Rücklaufsammlern ausgestattet.

Die Rückläufe werden nicht zusammengeführt und vermischt, sondern können als getrennte Temperaturströme zweifach verteilt und energetisch genutzt werden (Bild 3). Der niedertemperierte RL sichert den Brennwerteffekt und steigert die Anlageneffizienz. Der höher temperierte RL kann parallel als Vorlauf in das Versorgungsnetz fließen oder einem Wärmespeicher zugeführt werden. Das senkt die Betriebskosten und reduziert CO2-Emissionen.

Ob die hydraulische Verschaltung der Erzeuger in Reihe oder parallel erfolgt, hängt u. a. von den erforderlichen Vorlauftemperaturen und maximalen Rücklauftemperaturen ab. Auch hier gilt es, (zu) hohe RLT zu vermeiden. Liegen die Temperaturen zu hoch, hat das nicht nur negative Auswirkung auf den Brennwerteffekt, schlimmstenfalls wird das BHKW (bei RLT über 60 °C) nicht mehr ausreichend gekühlt und es kommt zur Not­abschaltung.

Ableitung technischer ­Notwendigkeiten auf Datenbasis

Große Unternehmen, die zur Durchführung und Umsetzung von Energieaudits verpflichtet sind, verfügen über analysierte und belastbare Aussagen zur realen Leistung von Erzeugern und Verbrauchern, zu Volumenströmen und Temperaturniveaus einzelner Heizkreise. Bei den meisten energetischen Bestandssanierungen liegen diese Daten allerdings nicht vor.

Das stellt Planer und ausführende SHK-­Betriebe vor deutliche Herausforderungen. Denn ohne Informationen zu den elektrischen und thermischen Bedarfen kann keine vernünftige Einstellung der Komponenten bzw. Parameter erfolgen und die neue/modernisierte Anlage kann aus energetischer Sicht letztendlich nicht optimal laufen. Gleiches gilt für die wirksame Absenkung von Rücklauftemperaturen. Ohne genaue Kenntnis des benötigten Temperaturniveaus der unterschiedlichen Verbraucher ist beispielsweise nicht nachvollziehbar, ob und wo sogenannte „Effizienzkiller“ lauern, die ein niedriges Niveau der RLT gefährden.

Fundierte Voranalysen sind zur Ableitung (regelungs)technischer Notwendigkeiten neuer oder zu modernisierender Anlagen daher grundlegend. Wie das in der Praxis funktioniert, zeigt ein kürzlich abgeschlossenes Projekt in einem Chemieunternehmen im Landkreis Bautzen in Sachsen.

Praxisbeispiel für optimierte Versorgungskonzepte

Für den Produktionsprozess, ein chemisches Umwandlungsverfahren, das über Wärmezufuhr ausgelöst wird, benötigt das Chemie­unternehmen konstant und ausfallgesichert thermische Energie. Auslöser der Modernisierung war, dass die zwei BHKW des Unternehmens nicht mehr ausreichend effizient arbeiteten und das Risiko von Produktionsausfällen stieg. Überdies hat das nach DIN EN ISO 50001 (Systematisches Energiemanagement) zertifizierte Unternehmen den Anspruch, laufende Energiekosten, CO2-Emissionen und weitere Umweltauswirkungen nachhaltig zu reduzieren und ungenutzte Effizienzpotenziale kontinuierlich auszuschöpfen.

Eine Erstbegutachtung seitens Yados zeigte, dass einzelne Heizkreise falsch eingebunden waren, nicht isolierte BHKW-Leitungen zu hohen Wärmeverlusten führten und verbaute Kurzschlüsse das Temperaturniveau nachteilig beeinträchtigten. In einer Voranalyse wurden über Wärmezähler die spezifischen Heizlasten der Verbraucher ermittelt und anschließend ausgewertet. Für jeden Heizkreis erfolgte eine gesonderte Analyse des Lastgangs, um diese später individuell bedienen zu können.

Die detaillierte Datenauswertung ergab umfassende Modernisierungs- und Optimierungsbedarfe in der Wärmeerzeugung und -verteilung. Beide BHKW-Aggregate wurden erneuert. Heute wird das Chemieunternehmen wirtschaftlich, nachhaltig und ausfallsicher über zwei BHKW von Yados und einen Gas-Brennwertkessel von Hoval zur Spitzenlastabdeckung versorgt. Die generierte elektrische und thermische Energie wird im Unternehmen vollständig eigengenutzt. Bedarfsabhängig werden maximal 30 kW Strom aus dem öffentlichen Netz bezogen.

Die parallel geschalteten, thermisch geregelten und stromoptimierten BHKW vom Typ Yado-KWK EG-190 schöpfen rund 90 % (Wirkungsgrad) des zugeführten Erdgases aus. Die bei der Erzeugung elektrischer Energie anfallende (Ab-)Wärmeenergie wird über Wärmeauskopplungsmodule als Heizwasser mit Vorlauftemperaturen (T-VL) von 90 °C ausgekoppelt.

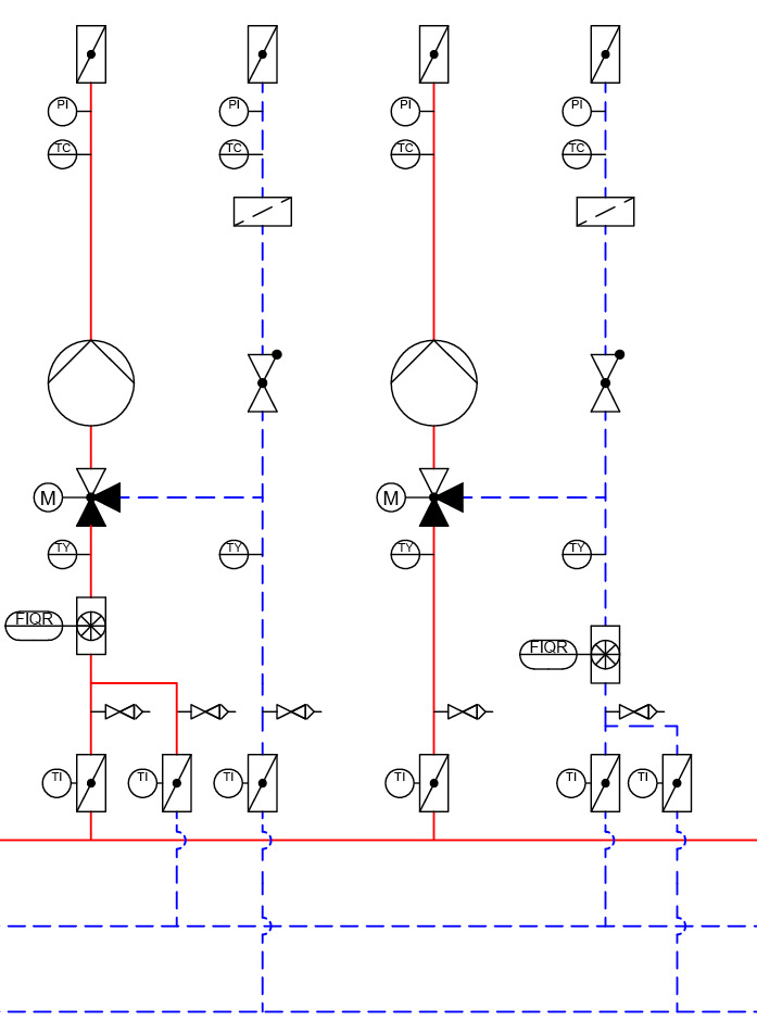
Die Wärmeverteilung übernehmen drei Energieeffizienzverteiler Yado-Share. Die Heizungsverteiler versorgen insgesamt sechs Heizkreise, eingebunden auf einem Temperaturniveau von 60 bis 80 °C (Bild 4). Die Komponenten wurden vom Hersteller exakt nach Planungsvorgaben entsprechend den erforderlichen, bedarfsspezifischen Leistungen, Temperaturen und Volumenströmen maßgeschneidert.

Die Montage und Installation von Verteilerstationen gilt bei SHK-Fachbetrieben als zeitintensive und fehleranfällige Aufgabe. Im Gegensatz zu marktüblichen Standardheizkreisverteilern sind beim Heizungsverteiler daher sämtliche Heizkreise und Bauteilgruppen (Drei-Wege-Ventil mit Stellantrieb, Hocheffizienzpumpen und Wärmezähler) fertig vormontiert. Montagezeit und -aufwand werden dadurch deutlich gesenkt und das Fehlerrisiko beim Aufziehen von Kabeln und Elektrik entfällt.

In der Ausführung mit Elektroschaltschrank sind alle Regelbausteine und elektrischen Feldgeräte (Antrieb und Fühler) anschlussfertig verdrahtet. Vor Ort kann der Verteiler dann direkt und unkompliziert mit 230 V für Schaltschrank und Busverbindung in Betrieb genommen werden.

MSR-Technik erhöht Wirtschaftlichkeit

Intelligente Leit- und Kommunikationssysteme sorgen für eine stabile und ausfallsichere Wärme- und Stromversorgung, die unterschiedliche Erzeugungstechnologien, Energieträger und Verbraucher integriert. Auf Basis systemseitig erfasster und ausgewerteter Daten lassen sich zudem weitere ökonomische und ökologische Einsparpotenziale identifizieren, die den kontinuierlichen Verbesserungsprozess der komplexen Gesamtsysteme unterstützen. Eine fortlaufende Kontrolle und Optimierung des Energieverbrauchs führt zu Einsparungen von durchschnittlich 8 bis 10 %, in energieintensiven Betrieben sind sogar bis zu 30 % realistisch.

Im Chemieunternehmen vernetzt und steuert das übergeordnete, busbasierte Regelsystem Yado-Link die Wärmeerzeuger und die Heizkreise der einzelnen Verbraucher. Die angesteuerten Anlagenteile und -parameter liefern wichtige Kennzahlen und erlauben Zugriff auf relevante Informationen wie Temperaturen, Massenströme oder Leistungen. Wesentliche Daten werden in Echtzeit überwacht, erfasst und analysiert.

Für das sächsische Chemieunternehmen macht sich die Umsetzung der ersten abgeleiteten Verbesserungsmaßnahmen bereits bezahlt. Mit dem Austausch von Wärmetauschern und der zeitlichen Verlagerung von Produktionslinien profitiert das Unternehmen von einer noch effizienteren Nutzung der eigenproduzierten thermischen und elektrischen Energie. Insgesamt haben sich Energiekosten, Gasverbrauch und CO2-Emissionen mit Modernisierung und Anlagenoptimierung um 20 bis 25 % reduziert.

Ein ausführliches Manuskript zur „Optimierung von Heizungsanlagen mit bivalenter Wärmeerzeugung mittels BHKW und BW-Kessel“ von Prof. Dr.-Ing. Alexander Floß stellt die HBC – Hochschule Biberach unter
www.bit.ly/sbz003 bereit.

Bild 4: Fließschema des Praxisbeispiels nach Modernisierung der Wärmeversorgung.

Bild: Yados

Bild 4: Fließschema des Praxisbeispiels nach Modernisierung der Wärmeversorgung.

Autoren

Prof. Dr.-Ing. ­Alexander Floß
ist Professor am Institut für Gebäude- und Energiesysteme der Hochschule ­Biberach, 88400 Biberach,

Bild: Stefan Sättele

Lutz Birnick 
ist ­Leiter Produkt­management bei der Yados GmbH, 02977 Hoyerswerda

Bild: Yados

Jetzt weiterlesen und profitieren.

+ SBZ E-Paper-Ausgabe – jeden Monat neu
+ Kostenfreien Zugang zu unserem Online-Archiv
+ Fokus SBZ: Sonderhefte (PDF)
+ Webinare und Veranstaltungen mit Rabatten
uvm.

Premium Mitgliedschaft

2 Monate kostenlos testen