Springe auf Hauptinhalt Springe auf Hauptmenü Springe auf SiteSearch
Heizkörper und Flächenheizungen besser vermarkten

Am Einrichtungsstil orientieren

Egal ob Neubau oder Modernisierung – beim Verkauf von Wärmeübergabesystemen kommt es auf die richtigen Argumente an. Und die sollten sich möglichst am individuellen Bedarf des Bauherren orientieren. Heizungsbauer sollten sich mit den Gewohnheiten bei der Raumnutzung, dem persönlichen Behaglichkeitsempfinden und dem Einrichtungsstil des Bauherrn auseinandersetzen. Ziel ist es, für jeden Raum ein individuelles Wärmekonzept zu erstellen, bei dem auch ästhetische Gesichtspunkte nicht zu kurz kommen.

Das Wohnzimmer erfüllt auch repräsentative Funktionen

Meistens ist das Wohnzimmer der Lebensmittelpunkt der Wohnung. Doch die Nutzungsgewohnheiten können individuell ganz unterschiedlich sein. Manche Menschen erholen sich hier einfach nur, andere arbeiten oder essen auch im Wohnzimmer. Entsprechend unterschiedlich ist dieser Raum von der Einrichtung her gestaltet. Das Spektrum reicht von Wohnzimmern mit herkömmlichen oder bodentiefen Fenstern über kombinierte Wohn-Ess-Zimmer bis hin zu loftähnlichen Räumen, in die auch die Küche oder ein Wintergarten integriert sein kann.

Grundsätzlich ist für diesen Raum, der oft viele Funktionen erfüllen muss und deshalb eine besonders flexible Heizung benötigt, die Kombination von Fußbodenheizung und Heizkörpern zu empfehlen. Welche Heizkörper dabei eingesetzt werden, richtet sich nach der Raumarchitektur. Für Räume mit bodentiefen Fenstern empfehlen sich Vertikalheizkörper, die neben den Fenstern installiert werden können, und/oder Konvektoren sowie Heizkörper mit sehr niedriger Bauhöhe vor den Fenstern. Die Flächenheizung erbringt die Grundlast zur Beheizung und erhöht die thermische Behaglichkeit des Raumes. Bei Einsatz von speziellen Wärmepumpensystemen kann sie im Sommer sogar zur Raumkühlung eingesetzt werden. Konvektoren oder Heizkörper decken die Spitzenlasten und heizen durch ihre geringen Regelzeiten den Raum schnell auf. Außerdem können sie einen eventuellen Kaltluftabfall durch die großen Fensterfronten abmindern.

Vor allem beim Wohnzimmer lohnt es sich, möglichst viel über den Einrichtungsstil des Bauherren herauszufinden. Da das Wohnzimmer beim Empfang von Gästen auch eine repräsentative Funktion erfüllt, sind die Bauherren bei diesem Raum für ästhetische Aspekte besonders empfänglich. Für den klassischen Flachheizkörper unter dem Fenster gibt es mittlerweile jede Menge Alternativen. Planheizkörper (plan oder feinprofiliert) passen hervorragend zu klaren, puristischen Wohnkonzepten. Röhrenradiatoren sind besonders für Altbauten interessant, deren ursprünglicher Stil erhalten bleiben soll. Daneben gibt es eine große Auswahl an dekorativen Heizkörperfronten, die den Raum ästhetisch aufwerten können.

Speziell für die Heizungssanierung gibt es Modernisierungsheizkörper, die auf die Anschlüsse alter Heizkörper passen. Die modernen Heizkörper können die Effizienz der gesamten Heizanlage verbessern, deshalb sollten die Heizkörper auch im ganzen Haus getauscht werden. Besonders im Wohnzimmer sind neue Heizkörper gegenüber mehrfach überstrichenen alten Heizkörpern ästhetisch eindeutig im Vorteil, was sich im Verkaufs­gespräch auch leicht vermitteln lässt.

Küchen erfordern platzsparende Lösungen

In Küchen schwanken die Heizlasten sehr stark. Sobald in einer Küche gekocht wird, entsteht so viel zusätzliche Wärme, dass die Raumheizung schnell reagieren muss, um den Raum nicht zu überheizen. Die Fußboden- und Wandflächen sind häufig durch Küchenzeilen verbaut, sodass wenig Platz für einen Heizkörper zur Verfügung steht.

Für diese Räume haben sich platzsparende und schnell reagierende Vertikalheizkörper bewährt, an denen meist eine Handtuchstange für Küchenhandtücher integriert werden kann. Besonders praktisch sind für Küchen auch Sockellüfterkonvektoren. Diese können in den ungenutzten Bereich der Sockelleiste einer Einbauküche integriert werden. Sie heizen schnell auf und bei fehlendem Bedarf regeln sie auch schnell wieder ab.

Im Kinderzimmer ist die Flächenheizung optimal

In Kinderzimmern wird eine konstante Raumtemperatur benötigt, da Kinder viel Zeit in ihren Zimmern verbringen. Außerdem nutzen Kinder beim Spielen oft die ganze Fläche des Fußbodens. Beides spricht für den Einsatz einer Fußbodenheizung, denn damit wird eine konstante Temperatur bei hoher Behaglichkeit erreicht und zugleich ist der Boden als Spielfläche stets angenehm temperiert.

Ein zusätzlicher Heizkörper unter dem Fenster, der schnell für Wärme sorgt, kann das Raumklima des Kinderzimmers noch verbessern. Außerdem hat die Kombination beider Systeme den Vorteil, dass die Nutzung des Raumes später ohne Einbußen bei der Behaglichkeit geändert werden kann. Wenn beispielsweise das Spielzimmer zum reinen Schlaf- oder Arbeitszimmer wird. Und noch ein Tipp: Heizkörper müssen nicht weiß sein. Ein Tupfer warmer Farbe an der Wand hebt nicht nur die Stimmung im Kinderzimmer, sondern wirkt sich auf rein psychologischer Ebene auch positiv auf das Wärmeempfinden des Nutzers aus.

Im Schlaf- und Arbeitszimmer ist Überdimensionierung sinnvoll

Schlaf- und Arbeitszimmer stellen ebenso wie Hobby- oder Partyräume ähnliche Anforderungen an die Heizung. Sie werden in der Regel nur kurzzeitig beheizt. Deshalb muss das Heizsystem eine hohe Aufheizleistung und schnelle Regelbarkeit bieten. Damit sich der Raum möglichst schnell aufheizt, empfiehlt es sich, die Heizleistung der Heizkörper etwas größer als die notwendige Heizlast zu wählen. Eine Kombination mit Fußbodenheizung kann dann Sinn machen, wenn sich die Nutzung des Raumes in absehbarer Zeit ändert. Zum Beispiel, wenn aus dem Arbeits- ein Kinderzimmer werden soll.

Gestaltungspotenziale im Badezimmer nutzen

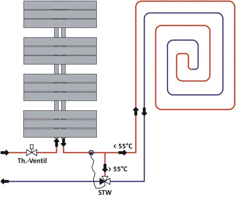
In Badezimmern hat die Behaglichkeit höchste Priorität. Hier ist die Kombination verschiedener Heizungssysteme deshalb besonders sinnvoll. Je nach Größe des Raumes und den individuellen Nutzungsgewohnheiten der Bewohner können die Systeme auf unterschiedliche Weise kombiniert werden. Zunächst gilt es zwischen Fußbodenheizung und Bodentemperierung zu unterscheiden. Während die Fußbodenheizung den gesamten oder größten Teil der Raumheizleistung deckt, dient die elektrische Bodentemperierung hauptsächlich der Behaglichkeitssteigerung, indem sie für warme Füße sorgt. Mit einem speziellen Anschlussblock (Purmo Tempco VT) können Heizkörper und Fußbodenheizung sogar in einem hochtemperaturigen System gemeinsam betrieben werden. Durch die Reihenschaltung beider Systeme wird die Vorlauftemperatur der Fußbodenheizung bereits im Heizkörper abgesenkt.

Badheizkörper bzw. Handtuchwärmer gehören aus Sicht der Behaglichkeit in jedes Badezimmer. Sie heizen den Raum kurz vor dem Duschen oder Baden schnell auf, erwärmen die Handtücher und trocknen sie anschließend schnell wieder. Die meisten Badheizkörper können mit einer elektrischen Heizpatrone ausgestattet werden. So sorgen sie an kalten Sommertagen, wenn das Heizsystem ausgeschaltet ist, für angenehme Wärme im Bad. Rein elektrische Heizkörper sind eine unkomplizierte Lösung vor allem bei der Modernisierung. Ihr Vorteil: Sie sind ganzjährig verfügbar und unabhängig von der Heizanlage.

Handtuchwärmer bieten aufgrund ihrer Formenvielfalt jede Menge Gestaltungspotenzial fürs Bad: Es gibt Heizkörper, die mit Holz veredelt werden können oder mit Chromoberflächen. Der elektrische Heizkörper kann sogar ganz aus Glas bestehen und nebenbei noch Farbakzente setzen. Wer hier mit hochwertigen Broschüren zum Beratungstermin kommt, hat gute Karten, seinen Umsatz mit einem edlen Heizkörper ein wenig zu steigern – und der Kunde hat mit einer ästhetischen Lösung einen Mehrwert.

Tipps

Heizkörper richtig vermarken

Lassen Sie sich die geplante Nutzung der Räume erläutern. Planen Sie die Heizung für jeden Raum individuell. Begründen Sie Ihre Vorschläge für den Laien verständlich.

Fragen Sie nach Zukunftsplänen der Bewohner. Wenn sich die Nutzung eines Raumes in wenigen Jahren ändern soll, spielt das bei der Heizungsplanung eine Rolle.

Heizkörper müssen nicht unbedingt weiß sein. Warme Farben können Akzente sein, die angenehme Gefühle auslösen.

Wenn Bauherren nur Heizkörper oder nur Fußbodenheizung einsetzen möchten: Erklären Sie die Unterschiede der Systeme in Sachen Behaglichkeit und Wirtschaftlichkeit. Veranschaulichen Sie, wie sich beide Systeme sinnvoll ergänzen können.

Weisen Sie im Bad auf die einfache Kombination von Handtuchwärmer und Fußbodenheizung hin. Wenn ein- und derselbe Heizkreis genutzt werden kann, bleiben die Kosten auch verhältnismäßig gering.

Bringen Sie zum Beratungstermin hochwertiges Prospektmaterial mit. Führen Sie den Bauherrn von der rein sachlichen Ebene (Heizkörper müssen bloß heizen) auf eine emotionale Ebene: Heizkörper sind wie die Möbel Teil der Einrichtung und sollten auch äußerlich zum Lebensstil passen.

Ihr Kunde vertraut Ihnen am meisten, wenn er Sie als Berater und nicht als Verkäufer erlebt. Erläutern Sie ihm die Funktionsweise der Systeme möglichst verständlich und zeigen Sie verschiedene Möglichkeiten auf.

Tipps

Beim Sanieren der Heizung

Mit dem alten Kessel sollten in der Regel auch die alten Heizkörper ausgetauscht werden. Meistens sind Bauherren jedoch schwer davon zu überzeugen.

Erklären Sie, dass neue Heizkörper die ganze Anlage effi­zienter machen und besser aussehen. Bieten Sie Modernisierungsheizkörper an, die kostengünstig auf vorhandene Anschlüsse montiert werden können.

Befassen Sie sich intensiv mit dem Einrichtungsstil des Bauherren. Machen Sie konkrete Vorschläge, wie passende Heizkörper einen ästhetischen Mehrwert bieten können. Das überzeugt vor allem im Wohnzimmer und im Bad.

Wichtig ist, dass Ihr Kunde erkennt: Es gibt keine allgemein gültige beste Lösung für die Beheizung von Räumen. Neben objektiven Faktoren wie Bauweise, Raumgröße oder Dämmungsgrad, spielen auch die individuelle Raumnutzung und das persönliche Behaglichkeitsempfinden ­eine Rolle. Deshalb sollten Heizungsbauer und Bauherr gemeinsam die beste Lösung finden.

Autor

Martin Hennemuth ist Verkaufsbereichsleiter Purmo-Dekorativheizkörper bei Rettig Germany, 38690 Vienenburg, Telefon (0 53 24) 8 08-2 40, martin.hennemuth@purmo.de , http://www.purmo.de

Tags