Springe auf Hauptinhalt Springe auf Hauptmenü Springe auf SiteSearch

Strom und Wärme aus einem System

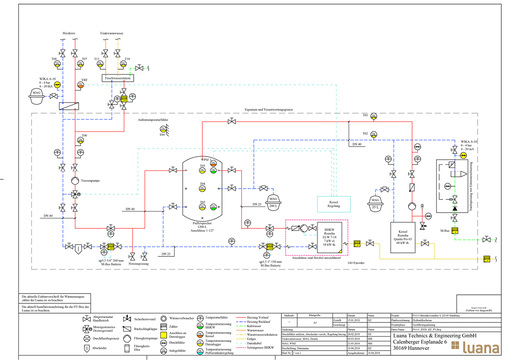
Schon im Konzeptionsstadium stand bei dem dreigeschossigen Neubaugebäude nach KfW-Standard 55 die Frage der Energieversorgung zur Debatte: Wie sollten die Eigentumswohnungen möglichst effizient und betriebssicher beheizt werden? An dieser Stelle kam ein Contracting-Modell ins Spiel, bei dem der Heiztechnikhersteller Remeha für die Auslegung der BHKW-Anlage verantwortlich war und die Luana-Gruppe die Finanzierung und Umsetzung des Projekts bis zur Inbetriebnahme übernahm. Das für den Neubau gewählte BHKW Remeha ELW erbringt 7,2 kW elektrische und 18 kW thermische Nennleistung. Dies reicht für die Grundversorgung der Wohnfläche von 765,5 m². Als Heizlast wurden 65 kW zugrunde gelegt. Die mit Gas betriebene Anlage ist damit für einen jährlichen Energiebedarf von bis zu 50 000 kWh Strom und 100 000 kWh Wärme ausgelegt. Eine Anpassung hinsichtlich des Energiebedarfs ergibt sich durch die Modulation, die hier wärmeoptimiert erfolgt, bei Bedarf aber auch stromoptimiert umgesetzt werden könnte. Grundsätzlich wird angestrebt, das BHKW kontinuierlich auf Volllast laufen zu lassen.

Zu den Merkmalen des Geräts zählen die elektronische Temperaturregelung von Motorkühlwasser und Modulinnenraum, der serienmäßige Brennwert-Abgaswärmetauscher, die kompakte Bauweise und die Bedienung via Touchbildschirm. Integriert ist zudem eine Live-Daten-Verfolgung sowie eine Datenspeicherung für Auswertungen und Statistiken. Als Wartungsintervall werden 10 000 Betriebsstunden angegeben. Das Remeha ELW 7-18 trägt das Energielabel A++.

Sicherheit durch zweite Versorgungseinheit

Neben dem BHKW wird in der Anlage ein Remeha Quinta Pro mit 65 kW zur Abdeckung von Lastspitzen eingesetzt und regelungstechnisch entsprechend eingebunden. Zur Versorgung mit Luft für die Verbrennung wurde eine entsprechende Zuluftöffnung installiert. Das wandhängende Gas-Brennwertgerät verfügt über den kompakten Wärmetauscher der Quinta-Reihe, der aus Aluminiumguss in einem Stück gefertigt wird. Remeha gibt zehn Jahre Gewährleistung auf das Bauteil. Als Normnutzungsgrad werden mehr als 109 % und als Modulationsbereich 20 bis 100 % angegeben. Damit passt sich der Quinta Pro laut Anbieter an den geforderten Wärmebedarf an. Ergänzt wird dies durch die Wärmeverteilung mittels Fußbodenheizung in allen Wohneinheiten, die mit niedrigen Vor- und Rücklauftemperaturen arbeitet.

Vorausschauend: Schalldämpfer integriert

Abgasseitig wurde eine gemeinsame Kunststoff-Abgasstrecke in der Nennweite von 100 mm aus dem Hause Atec eingesetzt, sie ist für Abgastemperaturen bis 120 °C ausgelegt. In die Leitungen aus dem Werkstoff Polypropylen sind zur höheren Sicherheit Rückstromsicherungen installiert. Ein solches Bauteil verhindert, dass Abgas in ein Gerät gelangt, wenn dieses nicht in Betrieb ist. Des Weiteren wurde für das BHKW vorsorglich ein Absorptionsschalldämpfer in DN 80 eingebaut, damit die Anlagengeräusche gering gehalten werden. Diese von vornherein eingeplante Komponente bewirkt, dass die Vorgabe der TA Lärm für Wohngebiete bzw. die DIN 4109 (Schallschutz im Hochbau) eingehalten wird. Dazu passt auch das bauseits errichtete Fundament für das BHKW, das hilft, Schallübertragung zu vermeiden. Zudem gehört zum Belüftungskonzept des BHKW ein Abluftschalldämpfer.

Als weitere Komponenten, die im 14 m² großen Heizraum untergebracht wurden, sind zu nennen: ein 1000 l fassender Pufferspeicher sowie eine Frischwasser-Schnellladestation zur Warmwasserbereitung. Diese erfolgt zentral, eine nach den gesetzlichen Vorgaben notwendige Beprobung wird turnusgemäß durchgeführt. Das Kondensat wird durch eine mit Granulat gefüllte Anlage neutralisiert, ehe es mittels Hebestation in die Abwasserleitung gelangt.

Direkte Stromabnahme möglich

Den Bewohnern der Eigentumswohnungen steht die Möglichkeit offen, den im Gebäude erzeugten Strom direkt zu beziehen, also auf kürzestem Wege und ohne Einbeziehung weiterer Netze. Alle technischen und rechtlichen Voraussetzungen wurden dafür geschaffen, etwa die Hausanschlusssicherung und die Zählerpunkte. Das Modell erfüllt die Forderung des seit 2016 geltenden Kraft-Wärme-Kopplungsgesetztes KWKG im Sinne der dort definierten Direktvermarktung. Als Arbeitspreis für Strom werden brutto 25,50 Ct/kWh angegeben. Überschüsse werden in das Netz der allgemeinen Versorgung eingespeist. Die gesamte Anlage wird durch den Contractor fernüberwacht. Dies beinhaltet auch einen Stör- und Notfalldienst. Per Funk bzw. Fernwartungsmodul findet die Ablesung der Zählerstände an den Wärmeerzeugern statt. Den Wärmeverbrauch in den Wohneinheiten ermittelt die Verwaltung.

Info

Strom aus Kraft-Wärme-Kopplungsanlagen

Für das Jahr 2017 hat der Bundesverband der Energie- und Wasserwirtschaft BDEW ermittelt, dass Kraft-Wärme-Kopplungsanlagen fast 19 % zur Nettostromerzeugung in Deutschland beigetragen haben. In Summe waren es über 116 Milliarden kWh. Damit werden pro Jahr 58 Millionen Tonnen an CO 2 -Emissionen eingespart. Laut BDEW konnte im Zeitraum von 2007 bis 2017 eine Steigerung von 86 auf 116 Milliarden kWh verzeichnet werden. Die allgemeine Versorgung liefert den größten Teil des KWK-Stroms, dann folgen die Industrie und private bzw. sonstige Anlagen.

Projektdaten

Objekt: Mehrfamilienhaus mit elf Eigentumswohnungen

Bauherr: Indu-Ban GmbH, 49681 Garrel

Architekt: Dipl.-Ing. Kai Uwe Fiene, 31177 Harsum

Partner Contracting: Luana Gruppe, 20457 Hamburg, www.luana-group.com

Installierte Komponenten: BHKW Remeha ELW mit 7,2 kW elektrischer und 18 kW thermischer Nennleistung

Gas-Brennwertgerät Remeha Quinta Pro mit 65 kW

Pufferspeicher mit 1000 l

Frischwasserstation

Hersteller: Remeha GmbH, 48282 Emsdetten, www.remeha.de