Springe auf Hauptinhalt Springe auf Hauptmenü Springe auf SiteSearch

Doppelt heizt besser

Die Produktion der KTB GmbH in Kaufbeuren besteht aus zwei Galvanikhallen mit jeweils mehr als 3000 m 2 und weiteren Hallen mit gut 5600 m 2 Nutzfläche mit Platz für Maschinen, Logistik und Büros. Um die Energiekosten deutlich zu senken, ließ das Unternehmen die Heiztechnik ausbauen. Jetzt bildet ein Buderus-Heizsystem mit zwei Blockheizkraftwerken die Basis für den Herstellungs- und Veredelungsablauf der Kunststoffteile – denn ohne Wärme und Strom keine Verchromung.

Genau geplant

Für die Buderus-Experten der Niederlassung München und die Heizungsinstallateure war es ein besonderes Projekt. Thomas Fust, Außendienstmitarbeiter bei der Niederlassung München, erinnert sich an eine ausführliche Vorbereitung: „Eine Doppel-BHKW-Anlage hat man nicht jeden Tag. Vorplanung, richtige Auslegung, Terminabsprache und Disposition waren in dem Fall besonders wichtig.“

Hintergrund war, dass KTB die Produktion in mehreren Bauabschnitten erweitert hat – die Heiztechnik war somit ebenfalls schrittweise an die jeweiligen Bedingungen anzupassen. „Unser Heizungsfachpartner, die Signum Industrie & Gebäudetechnik GmbH aus Haar bei München, hat alles genau terminiert und Teile der späteren Komplettanlage vorab montiert“, sagt Guido Frei, Leiter der Buderus-Niederlassung München.

Kraft-Wärme-Kopplung senkt Kosten

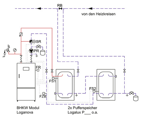
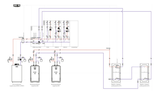
„Ein Ziel der Heizungsmodernisierung war es, den bestehenden Niedertemperatur-Gasheizkessel mit einer Leistung von rund 1,2 MW zu entlasten“, sagt Dirk Holtze, technischer Berater im Außendienst. Der Kessel hat ursprünglich die gesamte Produktion sowie den Bürobereich über eine hydraulische Weiche und einen Heizungsverteiler mit Wärme für Warmwasser und Heizung versorgt. Strom wurde komplett vom Energieversorger bezogen, entsprechend hoch fiel die jährliche Energiekostenabrechnung aus. Mittels Kraft-Wärme-Kopplung werden jetzt zugleich Strom und Wärme erzeugt: Installiert wurden zwei erdgasbetriebene Buderus-BHKW-Kompaktmodule Loganova EN140 mit einer elektrischen Leistung von je 140 kW und einer thermischen Leistung von je 212 kW. Zunächst hat der Heizungsfachbetrieb nur ein BHKW installiert – das zweite sollte folgen, sobald die neue Produktionshalle fertiggestellt war.

Die Heizungsmodernisierung durfte den laufenden Betrieb nicht beeinträchtigen: „Uns war es wichtig, dass die Produktion unterbrechungsfrei weiterläuft, und das bedeutete eine konstante Wärmeversorgung mit mindestens 75 °C, um den Galvanisierungsprozess nicht zu gefährden“, erklärt Dr.-Ing. Carsten Brockmann, Geschäftsführer der KTB. Das ließ sich durch den vorhandenen Spitzenlastkessel, der schon für den ersten Bauabschnitt installiert wurde, sicherstellen.

Um für die spätere Erweiterung der Heiztechnik mit dem zweiten BHKW gerüstet zu sein, hat Signum Industrie & Gebäudetechnik im Aufstellraum alles entsprechend vorbereitet – etwa Druckhaltung, Be- und Entlüftung sowie Abgasabführung. Zudem wurden die Zubringerleitungen vom BHKW-Raum zum Heizungsraum mit dem Bestandskessel gleich entsprechend groß dimensioniert. Nachdem das erste BHKW etwa elf Monate in Betrieb war, kam schließlich das zweite Modul hinzu. Für beide Blockheizkraftwerke wurden zusätzliche Komponenten installiert, beispielsweise für eine höhere Vor- und Rücklauftemperatur von 93/80 °C. Diese hohen Temperaturen wurden zwingend für den Galvanisierungsprozess benötigt.

Kompakte Rahmenkonstruktion

KTB hat mit den BHKWs auf eine Lösung zur kombinierten Strom- und Wärmeerzeugung gesetzt: Im Vergleich zu einer getrennten Energieerzeugung in Kraftwerk und Heizkessel sparen Blockheizkraftwerke bei gleicher Leistung nahezu 40 % der erforderlichen Primärenergie. Das Buderus-BHKW arbeitet mit seinem luftgekühlten Synchrongenerator effizient, der Gesamtwirkungsgrad im Netzparallelbetrieb beträgt 91,7 %, der elektrische Wirkungsgrad 36,5 und der Wärmewirkungsgrad 55,2 %. Von Vorteil war nicht zuletzt die kompakte Rahmenkonstruktion des BHKW-Moduls, das in seinem Gehäuse den Motor inklusive aller Anbauteile, Generator und Wärmetauscher sowie sämtliche Kühlkreisläufe verbirgt. Der Schaltschrank mit Bedienelementen ist vorne angebaut. Die schmale Bauform war ideal für die Gegebenheiten, zumal noch zwei große 10 000-l-BHKW- und Systempufferspeicher das System im Aufstellraum ergänzten. Sie dienen dazu, Wärmeangebot und -bedarf auszugleichen, und sind in Reihe geschaltet.

Die BHKW-Module werden gestartet, wenn die Temperatur am Fühler im ersten Speicher die eingestellte Einschalttemperatur von 70 °C unterschreitet. Sie werden abgeschaltet, wenn im zweiten Speicher die eingestellte Abschalttemperatur von 68 °C oder am BHKW-Zusatzfühler die Rücklauftemperatur von 70 °C überschritten wird. Dabei gilt jedoch: Je weniger BHKW-Starts, umso besser. Die Planer haben das neue Heizsystem deshalb auf Wirtschaftlichkeit optimiert, wie Guido Frei erklärt: „Wir haben die Blockheizkraftwerke in Bezug auf die Gesamtheizlast der Anlage auf die kleinste Variante ausgelegt. So stellen wir lange BHKW-Laufzeiten sicher, was die Wirtschaftlichkeit der Anlage erhöht.“ Denn je länger die BHKWs unterbrechungsfrei in Betrieb sind, umso mehr Strom wird produziert, der direkt verbraucht oder als Überschuss ins öffentliche Netz eingespeist und vergütet wird. Pro Jahr sind rund 7000 Betriebsstunden je Blockheizkraftwerk geplant. Der bestehende Niedertemperaturkessel wird deutlich entlastet, er deckt nur noch Bedarfsspitzen ab.

Energiekosten reduziert

Mit der Doppel-BHKW-Anlage ist KTB gerüstet für sämtliche Anforderungen seiner Produktion an eine zuverlässige Wärme- und Stromversorgung. Die Modernisierung des Heizsystems schlug sich bereits nach kurzer Laufzeit in deutlich niedrigeren Verbrauchswerten und Energiekosten nieder. So konnte das Unternehmen von Januar bis Dezember 2016 die Energiekosten im Verhältnis zum Umsatz konstant halten, obwohl eine neue Galvanikanlage und mehrere Großmaschinen im Spritzguss in Betrieb genommen wurden. Mithilfe der BHKWs deckt KTB nun mehr als 20 % seines Strombedarfs durch Eigenproduktion.

Info

KTB

Wenn im Auto verchromte Schalter, Knöpfe und Zierleisten glänzen, steckt womöglich die Kunststofftechnik Bernt GmbH (KTB) in Kaufbeuren dahinter. Denn in dem Unternehmen im bayerischen Ostallgäu tragen 300 Mitarbeiter unter anderem dazu bei, dass Autofahrer einen hochwertigen Eindruck von ihrem Fahrzeuginneren erhalten: KTB fertigt Spritzgussteile aus Kunststoff und veredelt auf Wunsch deren Oberfläche in den firmeneigenen Galvanikanlagen mit verschiedenen Metallschichten für Innen- und Außenanwendungen. Verschiedene Mattoberflächen gehören dabei genauso zum Produktionsspektrum wie komplexe Zwei-Komponenten-Teile. Abnehmer sind außer den Automobilherstellern auch Unternehmen aus dem Haushaltsgeräte- sowie Sanitärbereich.