Christian Sieg ist Geschäftsführer der BDR Thermea Gruppe.
Wie stellt sich die aktuelle Situation im Wärmemarkt dar und wie wird sich die Zukunft des Heizens entwickeln? Seit Januar 2023 ist Christian Sieg Geschäftsführer der BDR Thermea Gruppe in Deutschland und damit für die Marken Brötje, Remeha und SenerTec verantwortlich. SBZ hat den 41-Jährigen gefragt, wie er die Lage einschätzt.
SBZ: Herr Sieg, Sie sind seit dem letzten Jahr Geschäftsführer der BDR Thermea in Deutschland und seit kurzer Zeit auch Vorstandsmitglied im Bundesverband der Deutschen Heizungsindustrie e.V. (BDH). Wie haben Sie diese Zeit erlebt?
Christian Sieg: Sehr intensiv. Gleich zu Beginn des ISH-Jahres 2023 einzusteigen war enorm arbeitsintensiv, emotional und anspruchsvoll. Wichtige Termine reihten sich eng getaktet aneinander und ich bin froh, in allen Standorten auf sehr motivierte Teams gestoßen zu sein, die mir volle Rückendeckung geben. Die Vorstandsposten im BWP und BDH waren dann noch das Sahnehäubchen. Ich freue mich, auch auf politischer Ebene konstruktiv an der Umsetzung hin zu einem nachhaltigen Heizungsmarkt mitzuwirken.
Ein Hybridsystem bietet das Beste aus zwei Welten.
SBZ: Nachdem die Bundesregierung mit dem Gebäudeenergiegesetz GEG ja im letzten Jahr mehr zur Verunsicherung der Bürgerinnen und Bürger als zur dynamischen Wärmewende beigetragen hat, dürften Ihre Zukunftsaussichten für 2024 eher pessimistisch ausfallen, oder?
Sieg: In der Tat erzeugt die aktuelle Situation nicht unbedingt Partystimmung. Das Antragsaufkommen zur Förderung des Wärmepumpeneinbaus ist bei der BAFA im letzten Jahr um mehr als 70 Prozent im Vergleich zum Vorjahreszeitraum zurückgegangen. Ähnliche Entwicklungen waren für die Bundesförderung erneuerbare Energie zu verzeichnen. Das ist zwar alarmierend, aber ich bin mir sicher, dass die Nachfrage nach regenerativ betriebenen Heizungssystemen wieder in Gang kommt, sobald die Förderbedingungen die notwendige Verlässlichkeit bieten. Schließlich haben wir es ja auch noch mit einem riesigen Altbestand zu tun. Etwa jede dritte Heizungsanlage ist in Deutschland älter als 20 Jahre, das sagt der Bundesverband der Energie- und Wasserwirtschaft. Es gibt also ein sehr großes Feld, das wir gemeinsam mit dem verarbeitenden Fachhandwerk zu beackern haben.
SBZ: Die Wärmewende bringt ambitionierte Ziele mit sich. Kann das Handwerk das denn leisten?
Sieg: Ich bin immer wieder überrascht, wie enorm sich die Marktgröße steigern lässt, so zuletzt eindrucksvoll in 2023. Das Fachhandwerk ist wahnsinnig leistungsstark, wenn die Rahmenbedingungen ein reibungsloses Arbeiten ermöglichen. Die Struktur im deutschen Markt selbst erlaubt noch größere Absatzzahlen, aber die Komplexität um den Einbau herum wird das eher nicht fördern. Wir benötigen schnelle, reibungslose Installationen und dafür einfache Prozesse, unkomplizierte Beratungsrahmen und die passenden Produkte und Serviceleistungen.
SBZ: Sie haben kürzlich mit Ihrer Unternehmensgruppe eine Schnittstelle für bivalente Heizungssysteme auf den Markt gebracht. Erläutern Sie bitte, worum es dabei genau geht.
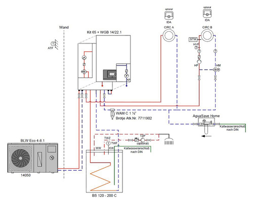
Sieg: Genau auf das eben genannte Thema zahlt das Kit 65 von Brötje ein. Es handelt sich um eine vorfertigte Montagegruppe, die als zentrale Schnittstelle für bivalente Heizungssysteme dient. Das Bauteil macht die häusliche Wärmeversorgung also hybridfähig, auch wenn die regenerativen Komponenten erst nachträglich ergänzt werden sollen oder können. Der Fokus liegt auf der Lösungsgeschwindigkeit.
SBZ: Wie funktioniert das in der Praxis?
Sieg: Von jedem Fachhandwerker kann das Kit 65 unmittelbar hinter dem neuen Gas-Brennwertkessel an der Wand angebracht und mit den bestehenden Anschlusshähnen verbunden werden. Es benötigt wenig Platz und beansprucht beim Kesseltausch nur rund 30 Minuten an zusätzlicher Montagezeit. Höhe und Breite entsprechen denen des verbundenen Brötje Gas-Brennwertkessels. Die Seitenwände sind abnehmbar, sodass der Installateur auch bei Unterbringung in Nischen und engen Heizungskellern alles gut erreichen kann. Das System wird somit montagetechnisch für den späteren oder direkten Anschluss einer Wärmepumpe vorbereitet und ist als Hybridanlage gesetzeskonform.
SBZ: Und wie sieht es in diesem Zusammenhang regelungstechnisch aus?
Sieg: Das Kit 65 fungiert auch als regelungstechnische Inneneinheit der Wärmepumpe. Auf einen externen Pufferspeicher kann meist verzichtet werden. Zudem übernimmt es die Abtaufunktion für die Wärmepumpe im Winter. Alle Komponenten des Hybridsystems lassen sich über ein einziges Display am Gas-Brennwertkessel steuern. Auf der neuen IWR-Regelungsplattform von Brötje ermöglicht das Kit 65 die Umschaltung zwischen diversen Betriebsmodi, um die Gesamtanlage CO2-reduziert oder kostenoptimiert zu betreiben. Das schafft zusätzliche Unabhängigkeit bei schwankenden Energiepreisen. Die Wärmeerzeuger laufen redundant, sodass höchste Versorgungssicherheit gewährleistet ist. Für Spitzenlasten springt die Gasheizung ein. Werden weitere energetische Sanierungen am Gebäude vorgenommen, steigt der Versorgungsanteil der Wärmepumpe und somit sinkt der CO2-Ausstoß des Gesamtsystems und der Gaskessel kann aus dem System verabschiedet werden.
Das Fachhandwerk ist wahnsinnig leistungsstark, wenn die Rahmenbedingungen ein reibungsloses Arbeiten ermöglichen.
SBZ: Sie setzen also bei BDR Thermea voll auf die Hybridtechnologie?
Sieg: Nicht nur, aber für gute Hybridlösungen gibt es klar nachvollziehbare Gründe. Etwa 80 % aller Bauten in Deutschland sind über 25 Jahre alt und damit nicht unbedingt für den optimalen Solobetrieb von Wärmepumpen prädestiniert. Ein Hybridsystem bietet da das Beste aus zwei Welten. Spitzenlasten lassen sich beispielsweise mit einem Gasgerät bedienen und die Auslegung der Wärmepumpe kann dadurch mit einer niedrigeren Nennheizleistung und somit kostengünstiger erfolgen. Weiterhin bieten wir mit unserem Kit 65 Betreibern und Fachhandwerkern die Möglichkeit des modularen Einbaus. Denken Sie an die zahlreichen Havarien, das sind immerhin etwa 20 % aller Austauschfälle. Dann muss die Wärmeversorgung schnell sichergestellt werden und erst einmal der bewährte Energieträger beibehalten werden. Die Ergänzung mit der Wärmepumpe kann durch Kit 65 später erfolgen.
SBZ: Hierdurch können Sie dem Fachhandwerker etwas Druck aus dem Geschäft nehmen, richtig?
Sieg: Richtig! Ein weiterer Pluspunkt ist die langfristige Kundenbindung, denn wer das Kit 65 installiert, wird natürlich auch später mit der Integration der Wärmepumpe in das System beauftragt. Da die Hydraulik bereits vorbereitet ist, benötigt die Installation weniger Zeit. Installationsaufwand und Investitionskosten lassen sich somit auf einen längeren Zeitraum verteilen, wodurch Planungssicherheit gewonnen wird.
Die Nachfrage nach regenerativ betriebenen Heizungssystemen wird wieder in Gang kommen, sobald die Förderbedingungen die notwendige Verlässlichkeit bieten.
SBZ: Erlauben Sie uns einen Blick in die Zukunft. Was erwarten Sie vom Geschäftsjahr 2024?
Sieg: Das 1. Quartal scheint sich schwierig darzustellen. Die gebremste Nachfrage bei den Wärmepumpen trifft auf Lagerkapazitäten und Geräte, die scheinbar nicht überall in dem Maße abfließen, wie es der Fachgroßhandel und auch lagerführende Handwerker angestrebt haben. Im Verlaufe des Jahres sollte sich der Markt aber stabilisieren und positiv entwickeln. Wir sind so weit gut aufgestellt und ich bin sehr zuversichtlich.
SBZ: Vielen Dank für das Gespräch, Herr Sieg!
Bild: Brötje
Das Brötje Kit 65: Die vorgefertigte Montageeinheit dient als zentrale Schnittstelle für bivalente Heizungssysteme. Sie wird hinter dem wandhängenden Gas-Brennwertgerät platziert und misst 17,5 cm in der Tiefe.
Bild: Brötje
Etwa 11,3 Millionen Gebäude eignen sich in Deutschland zum Einsatz hybrider Heizsysteme.