Springe auf Hauptinhalt Springe auf Hauptmenü Springe auf SiteSearch
Pumpen- und Regelungstechnik zu den Vorgaben der W 551

Hygiene in Trinkwasseranlagen

Ein 2010 abgeschlossenes Projekt, an dem fünf Forschungseinrichtungen und 17 Industriepartner unter Koordination von Prof. Dr. Hans-Curt Flemming (IWW Zentrum Wasser und Uni Duisburg-Essen) vier Jahre lang gearbeitet haben, zeigt: Nicht immer werden beim Bau von Trinkwasseranlagen die Regeln der Technik eingehalten; und vielen Betreibern fehlt es an Wissen über den hygienegerechten Betrieb ihrer Anlagen.

Nach Schätzungen des Robert-Koch-Institutes erkranken in Deutschland jährlich 25000 bis 30000 Menschen an der Legionärskrankheit. Obwohl es naheliegend ist, dass die Gefahr einer Legionellose im Geschossbau mit komplexer Haustechnik größer ist als im normalen Wohnhaus, bestätigt die Statistik diese Vermutung nicht: Gemäß einer Veröffentlichung des RKI wird bei den gemeldeten Infektionen als vermutlicher Ort der Infektion an erster Stelle der Privathaushalt (41,4 %) genannt, gefolgt von der Übernachtung in einem Hotel (35,1 %); an dritter Stelle stehen im Krankenhaus erworbene Infektionen (17,2 %). Deshalb sollte auch bei kleineren Objekten strikt auf die Hygiene-Prophylaxe geachtet werden. Dies erfordert in der Regel:

  • Vermeiden jeglicher Überdimensionierung
  • Einsatz von Installationswerkstoffen, die möglichst geringe Mengen an verwertbaren Nährsubstraten abgeben
  • keine Stagnation des Trinkwassers
  • Vermeidung von Temperaturbereichen, bei denen Bakterienwachstum, insbesondere das von Krankheitserregern, gefördert wird.

Hygiene-Prophylaxe: Eine Verteilungsaufgabe

Für alle Trinkwasser-Installationen in öffentlich und privat genutzten Gebäuden gilt das Arbeitsblatt DVGW W551 („Trinkwasser­erwärmungs- und Trinkwasserleitungsanlagen; Technische Maßnahmen zur Verminderung des Legionellenwachstums; Planung, Errichtung, Betrieb und Sanierung von Trinkwasser-Installationen“). Diese allgemein gültige Verpflichtung zur Einhaltung der technischen Regeln kommt übrigens auch z.B. in älteren Gebäuden zum Tragen. In diesem Arbeitsblatt werden die Maßnahmen beschrieben, die notwendig sind, um eine massenhafte Vermehrung von Legionellen in Warmwassersystemen der Trinkwasser-Installation zu verhindern. Wichtige Vorgaben sind unter anderem:

  • regelmäßiges Erwärmen des Warmwassers im Boiler auf größer 60°C, möglichst einmal am Tag, am Boileraustritt müssen ständig 60°C eingehalten werden können (höhere Temperaturen wären zur ­Legionellenabtötung zwar effektiver, würden aber eine erhöhte Kalkablagerung und Korrosion begünstigen)
  • die Zirkulationstemperatur im Netz soll permanent mindestens 55°C betragen
  • es ist eine möglichst gleichmäßige Durchströmung zu gewährleisten (hydraulischer Abgleich),
  • Vermeidung von langen, weit verzweigten Heißwassersystemen und Toträumen
  • wo dies möglich ist, sollte eine dezentrale Trinkwassererwärmung installiert werden (z. B. Durchlauferhitzer an weit entfernten oder selten benutzten Entnahmestellen)
  • Vermeidung unnötiger Wasseranschlüsse; keine „stehende“ Leitungsabschnitte
  • Isolierung der Kaltwasserleitungen gegen Aufwärmung (Legionellenwachstum bei höheren Temperaturen!).

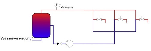
Ausgangspunkt jeder Hygiene-Prophylaxe sind die zumindest in größeren Gebäuden stets installierten Zirkulationsleitungen (Rohrleitungsvolumen größer drei Liter). Solche Zirkulationssysteme schützen das Warmwassersystem gegen Legionellen und gewährleisten Warmwasser bis nahe zur Zapfstelle (erhöhter Komfort), so dass Ausstoßverluste gering sind. Das DVGW-Arbeitsblatt W553 gibt Hinweise zur Auslegung solcher Zirkulationssysteme.

Die Trinkwasserzirkulation besteht aus einer Versorgungsleitung (Vorlauf) und der ­Zirkulationsleitung (Rücklauf). Zirkulations­leitungen und Zirkulationspumpen sind gemäß W551 so zu bemessen, dass im zirkulierenden Warmwassersystem die Warmwassertemperatur um nicht mehr als 5 K gegenüber der Speicheraustrittstemperatur unterschritten wird. Demzufolge sind Rohrleitungen für erwärmtes Trinkwasser zur Begrenzung des Wärmeverlustes zu dämmen (mindestens nach den Vorgaben der EnEV). Wichtig auch dies: In die Zirkulationsleitung wird die Zirkulationspumpe mit Förderrichtung zum Trinkwassererwärmer eingebaut, also im Rücklauf.

Geregelte Hygiene

Anzustreben ist eine gleichmäßige Durchströmung der Leitungen. Dafür ist ein hydraulischer Abgleich durchzuführen (DVGW-Arbeitsblatt W553). Bei Einhaltung der W553 und bei sachgemäßem und ausreichendem hydraulischen Abgleich ist sichergestellt, dass die Abkühlung an keiner Stelle des zirkulierenden Warmwassersystems 5 K übersteigt. Regulierventile gewährleisten dabei, dass die verschiedenen Entnahmestellen in gleicher Weise mit Warmwasser versorgt werden. Dabei dürfen 0,5 m/s als Fließgeschwindigkeit nicht überschritten werden (Hintergrund ist die Gefahr einer Erosionskorrosion, insbesondere in Kupferleitungen).

Rechnerisch wird die Voreinstellung so ermittelt, dass in allen Strömungswegen vom Austritt der Warmwasserleitung aus dem Trinkwassererwärmer bis zum Wiedereintritt der Zirkulationsleitung der gleiche Druckverlust herrscht. Und so funktioniert die „geregelte Hygiene“ in der Praxis: Das DVGW-­geprüfte Drossel- und Absperrventil Alwa-Kombi-4 regelt nicht nur modulierend die Zirkulationswassertemperatur; zusätzlich ermöglicht das Ventil über den thermischen ­Regelaufsatz, der eine schnelle thermische Desinfektion ermöglicht, auch während der Desinfektion weiterhin den hydraulischen Abgleich.

Ausgehend von der Mindestdurchflussmenge öffnet das Ventil zur Desinfektion bei ca. 63°C und die Durchflussmenge wird erhöht. Bei weiterer Temperaturerhöhung wird bei 72°C die Wassermenge abgedrosselt. Dies hat den Vorteil, dass eine schnellere Bereitstellung des heißen Wassers in den Strängen erfolgt, wobei das hydraulische Gleichgewicht erhalten bleibt. Nach Beendigung der thermischen Desinfektion durch Absenken der Boiler-Temperatur fährt das Regelventil mit dem thermischen Regelaufsatz in seine ursprüngliche Regelfunktion ­zurück.

Funktionalität und Design der Zirkulationspumpe

Aus Sicht der Pumpe geschieht folgendes: Wird die Vorlauftemperatur auf Grund einer thermischen Desinfektion angehoben, öffnet das Regelventil vollständig und der Pumpe wird Höchstleistung abgefordert, damit das erwärmte Wasser jede Ecke des Trinkwarmwasser-Netzes erreicht. Für diesen Zeitraum muss die Pumpe aus dem Normalbetrieb auf „Max.-Betrieb“ geschaltet werden. Das kann durch Aktivierung eines digitalen Schaltbefehls über die zentrale Gebäudeleittechnik oder direkt am Display der Pumpe erfolgen. Auch bei maximaler hydraulischer Leistung arbeitet die Zirkula­tionspumpe Magna durch die Permanentmagnet-Motortechnologie hoch­effizient. Die Grenztemperatur zur thermischen Desinfektion wird so lange gehalten, bis sie auch am weitest entfernten Punkt des Netzes gemessen wird. Nach dem anschließenden Absenken der Warmwassertemperatur schließt das Regulierventil automatisch. Der „Max.-Betrieb“ der Pumpe wird jetzt deaktiviert und sie arbeitet wieder im Normalbetrieb.

Nicht nur die Funktionalität der Zirkula­tionspumpe muss passen; auch das Design muss daraufhin überprüft werden, ob es unter hygienischen Aspekten „Stand der Technik“ ist. Dabei ist die Wahl des Werkstoffs von großer Bedeutung: Edelstahl besitzt von Hause aus eine hohe Korrosionsbeständigkeit und hat besonders glatte Oberflächen. Eine entsprechend gestaltete Hydraulik vermeidet Stagnationszonen, die unter Hygienegesichtspunkten immer kritisch sind. Vorteil: Glatte, strömungsgünstige Oberflächen und ein optimales Design der hydraulischen Bauteile wirken einer Biofilmbildung entgegen.

Gemäß W551 muss eine Trinkwasser-Zirkulationspumpe mindestens 16 Stunden pro Tag in Betrieb sein. Die maximale Abschaltdauer der Zirkulationspumpe von 8 Stunden pro Tag ist aber nur dann möglich, wenn durch regelmäßige Beprobung einwandfreie hygienische Zustände in der Anlage nachgewiesen werden. Denn selbstverständlich gilt: Hygiene geht immer vor Energieeinsparung.

Lernende TrinkwarmwasserZirkulationspumpe

Ein besonderer Fall liegt vor bei Kleinanlagen (beispielsweise in Ein- und Zweifamilienhäusern) mit Speichergrößen unter 400 l und einem Leitungsvolumen kleiner 3 l, für die keine Pflicht besteht, aus Hygieneüberlegungen eine Zirkulationsleitung einzubauen. Vielfach wünscht der Betreiber dennoch aus Komfortgründen eine Trinkwarmwasser-Zirkulation. Für diese Betreiber ist die lernende Zirkula­tionspumpe Comfort AutoAdapt eine interessante Lösung, um den Komfort von rasch verfügbarem Warmwasser mit weniger Energieeinsatz zu realisieren.

Dazu passt sich diese Zirkulationspumpe selbstlernend automatisch an das individuelle Verbrauchsverhalten an. Das Bereitstellen von Warmwasser beschränkt sich weitestgehend auf die Zapfzeiten der Nutzer. Im Vergleich zu herkömmlichen Zirkulationspumpen – selbst solchen mit Hocheffizienzantrieb und Zeitschaltuhr – spart die AutoAdapt-Funktion nicht nur elektrische Energie zum Antrieb des Pumpenmotors ein, sondern zudem auch Energie zur Trinkwassererwärmung (aufgrund der geringeren Wärmeverluste der Leitung).

Wie bisher wird die Zirkulationspumpe in die Trinkwarmwasser-Zirkulationsleitung eingebaut; zudem wird ein Temperatursensor installiert. Über diesen Sensor und dem in der Zirkulationspumpe ohnehin integrierten Sensor erkennt die AutoAdapt-Funktion, wann warmes Wasser entnommen wird. Alle Entnahmeereignisse speichert die Pumpe in einem Entnahmekalender und steuert mit diesen Informationen über einen speziellen Algorithmus den Betrieb in Abhängigkeit der Zapfgewohnheiten der Nutzer. Nach 8 h Stillstand spült die Pumpe für 15 min die Zirkulationsleitung.

Fazit

Trinkwasser ist ein empfindliches und verderbliches Lebensmittel. Der korrekte hydraulische Abgleich der Warmwasserzirkula­tion über Regulierventile ist für die Hygiene-Prophylaxe unabdingbare Basis. Die Zirkulationspumpe muss zudem regelungstechnisch ausreichend flexibel sein, um den Normal­betrieb (gleichmäßige Zirkulation) ebenso zu meistern wie die Phasen der thermischen Desinfektion (maximaler Druck, hoher Volumenstrom).

INFO

Desinfektion: Nur als Not- und Übergangslösung

Jeder Betreiber oder Eigentümer sollte dafür Sorge tragen, dass die Trinkwasser­anlage bestimmungsgemäß betrieben wird, dass an allen Zapfstellen regelmäßig Wasser entnommen wird. Vor allem sollten auch die für die Trinkwasserhygiene notwendigen Wartungs- und Inspektionsintervalle und, wenn notwendig, Instandsetzungsarbeiten gemäß DIN 1988 bzw. VDI 6023 „Hygiene in Trinkwasser-Installationen – Anforderungen an Planung, Ausführung, Betrieb und Instandhaltung“ durchgeführt werden.

Was aber ist zu tun, wenn ein Legionellen-Problem vorliegt? Jeder Legionellen-Fall ist ein Einzelfall, der individuell zu lösen ist. Man muss stets die Situation vor Ort im Gebäude analysieren und untersuchen, welche Fehler zu dem Problem geführt haben. Denn das ist klar: Es sind immer Fehler – im Verhalten der Betreiber/Nutzer oder in der Installationstechnik – die zu einem nicht akzeptablen Legionellenwachstum führen.

„State of the Art“ zur Lösung eines Legionellen-Problems ist diese Vorgehensweise: Analyse des vorliegenden Falles und als Lösung eine Kombination aus bautechnischen, betriebstechnischen und verfahrenstechnischen Maßnahmen (in genau dieser Reihenfolge!).

Eine Desinfektion gemäß den anerkannten Regeln der Technik bewirkt, dass unerwünschte Mikroorganismen entfernt und/oder abgetötet werden. Das kann durch physikalische oder chemische Verfahren erfolgen. Physikalisch wirken die Erhöhung der Temperatur und die UV-Bestrahlung; chemische Desinfektionsmittel sind Ozon, Chlor und Chlordioxid. Insbesondere eine chemische Desinfektion sollte nur als Not- und Übergangslösung zum Einsatz kommen.

SBZ Tipp

Gleich zum Webinar anmelden

Wasser, das der kommunale Wasserversorger zur Verfügung stellt, ist zwar frei von Gesundheitserregern, aber es ist nicht keimfrei (steril). Es enthält Organismen, die sich in Trinkwasseranlagen selbst bei geringem Nährstoffgehalt vermehren können. Welchen Beitrag die Pumpen- und Regelungstechnik zu den Vorgaben der W551 bietet, erfahren Sie im Gentner-Webinar „Hygiene in Trinkwasseranlagen“. Die SBZ bietet Ihnen dazu zwei Termine an:

12. Mai 2011, 18.00 Uhr

09. Juni 2011, 18.00 Uhr

Die kostenlosen Webinare dauern etwa 60 Minuten. In einem anschließenden Chat (ca. 15 Minuten) beantworten die Referenten Fragen, die von den Teilnehmern während des Webinars eingereicht worden sind. Zusätzlich erhalten sie im Nachgang eine Zusammenfassung aller Fragen und Antworten. Zur Teilnahme benötigen Sie lediglich einen PC mit Internetanschluss, Lautsprecher oder Kopfhörer und den kostenlos verfügbaren Adobe Flash Player. Einen Download-Link finden Sie unter: https://www.haustec.de/academy

Autor

Oliver Jung ist Staatlich geprüfter Techniker Fachrichtung Elektrotechnik/ Elektronik. Seit 2004 ist er Service-Trainer in der Abteilung Marketing/Schulung bei der Grundfos GmbH in 40699 Erkrath; Tel. (02 11) 9 29 69-0, Fax (02 11) 9 29 69-37 99, https://www.grundfos.com/de

Autor

Arnd Bürschgens ist Zentralheizungs- und Lüftungsbauermeister sowie Gas- und Wasserinstallateurmeister. Seit 2004 ist er Schulungsleiter der Honeywell GmbH und zuständig für den Bereich Trinkwasserarmaturen; Telefon (0 62 61) 81-0, Telefax (0 62 61) 8 18 24 69, https://www.honeywell.com/de/de