Springe auf Hauptinhalt Springe auf Hauptmenü Springe auf SiteSearch
Solargestützte Wärmepumpe

Mit Sonne und Erde effizient heizen

Zunächst einmal gilt auch für das solargestützte Wärmepumpensystem von Thermosolar dieselbe Beschränkung wie prinzi­piell für alle Wärmepumpensysteme: Je niedriger die Vorlauftemperatur der Heizungsanlage im Auslegungspunkt ist, desto effizienter und somit wirtschaftlicher arbeitet das System. Vorlauftemperaturen von maximal 55 °C sind erreichbar; anzustreben sind jedoch eindeutig 30–45 °C.

Bis zu 60 % geringere Betriebskosten als mit Sole-Wasser-WP

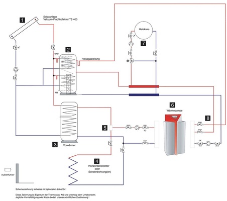
Geht man jedoch von gleichen Umgebungsbedingungen aus, dann läuft die solargestützte Wärmepumpe mit 30–60 % geringeren Betriebskosten, als eine Sole-Wasser-Wärmepumpe gleicher Leistung. Doch wie geht das? Um diese Frage zu beantworten, muss man sich zunächst mit der Anlagenfunktion vertraut machen. Das Gesamtsystem besteht aus einer Sole-Wasser-Wärmepumpenanlage, die mit einer Solaranlage gekoppelt ist. (siehe oben stehendes Schema). Der Vakuum-Flachkollektor (1) lädt seine Wärmeenergie direkt auf drei priorisierte Ebenen ab, die im folgenden Text beschrieben werden.

Die jeweils passende Ebene wird – je nach Jahreszeit und Betriebszustand der Anlage –automatisch ermittelt und priorisiert. Das bedeutet, dass die Anlage immer die Ebene bevorzugt, die für das Gesamtsystem „das meiste bringt“. Der Kollektor läuft so automatisch im optimalen Betriebspunkt. Dies wird über mehrere Regelalgorithmen gesteuert und optimiert. Dabei wird keinerlei Rücksicht auf die Taupunktunterschreitung im Kollektor genommen, da dies bei einem Vakuum-­Kollektor auch nicht nötig ist – die häufige Taupunktunterschreitung führt sogar zu einer deutlichen Wirkungsgradverbesserung. Ebenfalls überflüssig sind Ablaufrinnen im Kollektor oder spezielle „Rücklaufhochhaltungen“. Weitere Vorteile:

– besonders geringer Druckverlust durch Mäanderverrohrung und integrierte Sammelrohre

– das kalte und verhältnismäßig zähe Glykol kann von der Solarpumpe noch problemlos umgewälzt werden.

– der Vakuum-Flachkollektor verfügt über ein außergewöhnlich hohes Brutto-/Netto-Verhältnis: rd. 2 m² Brutto-Fläche stehen 1,8 m² Absorberfläche gegenüber.

Doch nicht nur die große Absorberfläche sorgt für deutlich bessere Leistungen bei diffusem Licht. Mit der speziellen AlOx-Beschichtung von Thermosolar wird im Winter der Ertrag im Wärmepumpensystem um rund 25 % gesteigert, im Vergleich zur ebenfalls lieferbaren „blauen“ Beschichtung im ansonsten baugleichen Kollektor.

Solarladung im Sommer und Herbst geht meist in den Puffer

Die Solarladung erfolgt im Sommer und Herbst überwiegend auf den Hygiene-Schicht-Kombi-Puffer (HSK) (2), der mit zwei großzügig dimensionierten Wärmetauschern gute Voraussetzungen auch für die Anbindung größerer Solaranlagen mitbringt. Aus dem HSK heraus wird durch ein besonders großes Edelstahl-Wellrohr der Warmwasserbedarf und in der Übergangszeit auch die Heizungsunterstützung durch die Solaranlage bedient.

Möglich sind zudem bi- oder multivalente Installationen mit Kachelofen und/oder mehreren anderen Wärmeerzeugern.

Der serienmäßig in die Wärmepumpe integrierte Heißgaswärmetauscher wird im oberen Drittel des HSK angeschlossen und sorgt für einen sehr hohen Warmwasserkomfort: Ohne nennenswerte Verschlechterung der Arbeitszahl der Wärmepumpe lässt sich die WW-Temperatur bei Bedarf auch auf 60 °C einstellen und führt durch die Konstruktion des HSK zu hohen Zapfmengen.

Sollte im Sommer noch mehr Solarertrag möglich sein, wird dieser bis zu einer Grenztemperatur auch im Vorwärmer (3) eingebracht. Bei Überschreitung der Grenztemperatur erfolgt eine Art Zwangskühlung über den Erdkollektor. So kommt die Solaranlage nie in eine Stagnationsphase, wodurch die übermäßige Belastung des Wärmeträgers vermieden wird. Die Kühlung erfolgt jedoch auf einem so niedrigen Niveau, dass es keine Erdbodenaustrocknung gibt.

Statt zähem Glykol zirkuliert eine Wasser-Ethanol-Mischung

Die Wärmepumpe (6) bildet zusammen mit dem Vorwärmer (3), Erdkollektor (4) und dem Solemischer (5) einen weiteren Kreislauf, in dem statt dem (relativ) zähen Glykol eine Wasser-Ethanol-Mischung zirkuliert. Die Vorteile liegen auf der Hand: bessere Wärmeübertragung, leichter in turbulente Strömung zu versetzen und vor allem wesentlich bessere Viskosität und dadurch eine deutlich kleiner dimensionierte Solepumpe, was der Jahresarbeitszahl (JAZ) zu Gute kommt.

Die Verlegung des Erdkollektors (4) erfolgt geringfügig anders, als sonst üblich. Hier kommt ein 20er PE-Rohr der Güte PE100 RC (RC = Resistance to Crack) zum Einsatz, das eine Verlegung direkt im steinigem Boden und ohne Sandbett ermöglicht. Je nach Gelände wird es mit einem Verlegeabstand von 20 bis 40 cm in etwa 1,20 m Tiefe vergraben. So können die Entzugsleistung kurzzeitig wesentlich stärker und die Regeneration deutlich schneller stattfinden.

Solaranlage läuft auch bei tiefen Temperaturen

Der dritte Kreislauf im System besteht aus dem HSK, der Sekundärseite der Wärmepumpe und dem gemischten Heizkreis (7), der – ebenso wie das komplette System – von einem Gesamtregler in der Wärmepumpe angesteuert wird. Damit sind immer alle Komponenten optimal im Zusammenspiel aufeinander abstimmt.

Die Wärmepumpe (6) zieht ihre Energie im Wesentlichen aus dem Erdkollektor. Fällt dort jedoch das Temperaturniveau unter 15 °C und die Solaranlage kann via Vorwärmer gleichzeitig ein höheres Temperaturniveau liefern, wird über den Solemischer (5) die Eintrittstemperatur in die Wärmepumpe „hochgemischt“.

Da der Sole in der Wärmepumpe prinzipbedingt nur soviel Energie entzogen wird, dass die Austrittstemperatur etwa 3 K unter der Eintrittstemperatur liegt, hat dies mehrere Konsequenzen: Der Vorwärmer wird so weit heruntergekühlt, bis er die Quelltemperatur der Sole annimmt. Somit läuft die Solaranlage bei geringstem Eintrag und auch bei tiefen Temperaturen an. Es hat sich gezeigt, dass die Solaranlage – je nach Entzugsleistung der Wärmepumpe – ab 70–100 W/m² Einstrahlung mit 10 K Spreizung durchläuft.

40–60 % weniger Erdkollektor­fläche als bei Standardauslegung

Ein weitere Vorteil des „Hochmischens“ ist, dass die Austrittstemperatur der Sole aus der Wärmepumpe sehr oft über der Quelltemperatur, also der Soletemperatur vor dem Solemischer, liegt. Dies führt während der Betriebszeit des Solemischers automatisch zu einer Regeneration des Erdkollektors durch die sonst nicht nutzbare Rücklauftemperatur. Vorteile sind u.a., dass der der Erdkollektor nicht vereisen kann, und eine Permafrostbildung ausgeschlossen ist. Auch das Erdreich verschlammt nicht mehr.

Zudem werden Vegetationsverzögerun­gen ausgeschlossen, da die ursprüngliche, sommerliche Erdtemperatur bereits mit dem „Erstarken“ der Sonne ab Anfang März hergestellt ist. Außerdem kann die Entzugsfläche des Erdkollektors nicht nur durch den hohen Solareinfluss (= direkte solare Heizungsunterstützung) verringert werden. Sondern auch dadurch, dass zum einen die Wärmepumpe durch die höhere Eintrittstemperatur eine höhere Leistung und somit kürzere Laufzeit hat. Zum anderen ist die Fläche auf eine hohe momentane Entzugsleistung und eine schnelle Regeneration hin optimiert. Dies führt insgesamt zu einer durchschnittlichen Reduk­tion der Erdkollektorfläche um 40–60 % im Vergleich zur „Standardauslegung“ entsprechend dem momentanen Stand der Technik.

In welchen Größenvarianten ist das System lieferbar?

Lieferbar sind folgende System-Varianten:

1. Standardvariante wie oben beschrieben für Heizung und Warmwasserbereitung

2. Passive Kühlung wie oben beschrieben, optional: Raumfühler und Raumfeuchtefühler sowie weitere Ausrüstungen zur passiven Kühlung über Flächenheizung oder Fan-Coils unter Berücksichtigung der Taupunktkurve.

3. Bivalenter Betrieb: Einbindung weiterer Wärmequellen, wobei der Systemregler wahlweise ein- oder zweistufig, als Kaskadenregler oder gleitend (0–10 V Schnittstelle) eingesetzt werden kann.

4. Erhöhter Warmwasserbedarf: wie oben beschrieben, jedoch zusätzlich mit Umschaltungen, um den gehobenen Warmwasserbedarf ohne Komforteinbußen decken zu können.

Quasi „von der Stange“ ist das System in den Leistungen 5, 7, 9, 12, 15 und 18 kW lieferbar. Im Prinzip ist aber das gesamte System und die Hydraulik beliebig skalierbar. Die endgültige Leistungsgröße wird eigentlich nur durch den verfügbaren Platz begrenzt. Das größte bisher gebaute System hat 40 kW.

Effizienz, Kosten, Fördergeld

In modernen Gebäuden mit Flächenheizung liegt die Jahresarbeitszahl des Systems ohne weitere Optimierungen i. d. R. bei 4,3 bis 5 – bei gut gedämmten Gebäuden teilweise auch höher. Bei Altbauten ist die Arbeitszahl sehr stark von der Bausubstanz abhängig und kann nicht ohne Weiteres verallgemeinert werden.Je nach Leistung und Ausstattungsvariante wird das System ab 20000 bis 35000 Euro (netto) über den Fachhandel angeboten. Für die Installation muss mit einem Zeitaufwand von ca. fünf bis sieben Werktagen für eine Montagegruppe gerechnet werden. Berücksichtigt ist hierbei die Verlegezeit für den Erdkollektor, nicht jedoch die Baggerarbeit.

Wie wird das System gefördert? Momentan gibt es eine besonders attraktive Förderung durch das BAFA. Hier belaufen sich die Fördermittel je nach Anlage und Gebäudestandard auf etwa 4000 Euro. In speziellen Fällen können es sogar weit über 10000 Euro sein.

Hinweise zur Installation

Nachfolgend noch einige allgemeine Hinweise zur Auslegung und zur Installation: Ist die Heizlast bekannt, lässt sich in der Thermosolar-Systemtabelle der benötigte Platz für die Solarkollektoren ermitteln. Die Ausrichtung sollte Süden +/–45° sein. Die zu verlegende Erdkollektorfläche ergibt sich (gerundet) aus der zu beheizenden Wohnfläche etwa im Verhältnis 1:1. Damit ist der SHK-Fachhandwerker mit der Vorbereitung schon fast fertig. ­Alle funktionsrelevanten Bauteile, außer Verrohrung, Dämmung und Heizflächen, werden komplett geliefert und sind optimal aufeinander abgestimmt.

Bei der Erstinstallation wird grundsätzlich vorab eine erste Einweisung durch den Außendienst und eine Installationsschulung durch den Werkskundendienst vor Ort kostenfrei durchgeführt. Zunächst befristet bis Ende 2009 will Thermosolar auch die Werksinbetriebnahme kostenfrei durchführen.

Tipp

Weitere ausführliche Informationen, eine anschauliche Animation, bebilderte Referenzobjekte sowie herunterladbare Unterlagen zur Technik und zur Montage gibt es im Internet unter

http://www.solare-waermepumpe.de

Hintergrund

Solargestütztes Wärmepumpensystem im jahreszeitlichen Verlauf

Frühjahr/Herbst


Bei entsprechender Witterung wird das Haus durch die Solaranlage (1) beheizt. Bei schlechtem Wetter oder hohem WW-Bedarf heizt die Wärmepumpe (5) nach. Dazu dient überwiegend die Solaranlage als Wärmequelle. Die Rücklauftemperatur zum Kollektor liegt in der Regel unter der Außentemperatur.

Sommerbetrieb


Die Sonne erwärmt die Kollektoren (1). Die Solaranlage beginnt zu arbeiten. Der HSK-Speicher (2) und der Vorwärmer (3) werden erwärmt. Der Warmwasserbedarf ist für 2–4 Tage gedeckt. Überschüssige ­Wärme fließt in den Erdkollektor (4). Dieser wird mäßig durchströmt und so seine ­Temperatur etwas angehoben. Ein Stillstand der Solaranlage wird verhindert, das Wärmeträgermedium ­geschützt.

Winter


Das Gebäude wird durch die WP beheizt. Die WW-Bereitung erfolgt als „Nebenprodukt“ durch die serienmäßige Heißgas-Auskoppelung. Die Solaranlage liefert regelmäßig Temperaturen von 10–30 °C mit denen die Soletemperaturen (0–5 °C) auf rund 15 °C angehoben werden. Die Arbeitszahl der Wärmepumpe steigt, die Laufzeit reduziert sich. Durch die gleichzeitig hohe Rücklauftemperatur der WP von 5–12 °C wird der Erdkollektor permanent regeneriert. Vereisung, Permafrost, Verschlammen oder Vegetationsverzögerung im Garten sind nicht möglich.

1 Kollektoren 2 HSK-Speicher 3 Vorwärmer 4 Erdkollektor 5 Wärmepumpe

Autor

Patrick Becker ist technischer Leiter der Abteilung ­Wärmetechnik bei der Thermosolar AG und auch für Forschung und Weiterentwicklung von Komponenten verantwortlich, http://www.thermosolar.com

Tags