Springe auf Hauptinhalt Springe auf Hauptmenü Springe auf SiteSearch

Change-over-Systeme sicher betreiben

Seit einigen Jahren lässt sich in der Gebäudetechnik ein neuer Trend beobachten: In immer mehr gewerblich genutzten Immobilien werden Wärme-Kälte-Wechsellastsysteme eingesetzt. Experten schätzen, dass mittlerweile nahezu jedes zweite neue Bürogebäude mit diesen sogenannten Change-­over-Systemen ausgestattet ist.

Die Gründe dafür sind vielfältig. So ist einerseits in den vergangenen Jahren der Kühlbedarf gestiegen, in vielen modernen Immobilien übersteigt dieser inzwischen die Heizlast. Das liegt unter anderem an den gesetzlichen Vorgaben z. B. zur Dämmung sowie an aktuellen architektonischen Trends wie beispielsweise geschlossenen Glasfassaden.

Andererseits können moderne Change-­over-Systeme mit 6-Wege-Ventilen ein Gebäude gleichzeitig mit Wärme und Kälte versorgen. Die Leistungsabgabe findet dabei unabhängig vom Modus über dieselbe Abgabefläche bzw. dasselbe Register statt. Das ist ein entscheidender Vorteil gegenüber Systemen, bei denen je nach Jahreszeit die Betriebsart zwischen Heizen und Kühlen gewechselt wird und bei denen die Wärme- bzw. Kälteversorgung über verschiedene Innengeräte oder Fan Coils mit getrennten Registern erfolgt.

Darüber hinaus gewährleistet die Change-­over-Technologie hohen Komfort für die Nutzer durch die individuelle Temperierung der Räume. Das ist besonders in den Übergangsjahreszeiten von Vorteil, wenn ein Teil der Räume noch beheizt werden muss, während z. B. in nach Süden gelegenen Büros bereits Kühlbedarf besteht. Ein weiterer Aspekt ist das Energieeinsparpotenzial, das sich durch die bedarfsgerechte Versorgung des Gebäudes ergibt.

Für die ausführenden Fachhandwerker gibt es zusätzlich zu den Aspekten Effizienz und Komfort weitere wichtige Faktoren für eine gut geplante hydraulische Anlage. Neben Installationszeit und -aufwand gehört dazu der sichere Betrieb, denn der Fachhandwerker ist für die Wartung und die ­ Behebung eventueller Störungen verantwortlich.

Eine bedeutende Komponente für die einwandfreie Funktion nahezu jedes hydraulischen Systems ist die Druckhaltung. Bei den meisten Lösungen zur Kälte- und Wärmeversorgung eines Gebäudes wird auf beiden Seiten jeweils eine separate Druckhalteeinrichtung eingeplant und realisiert. Dabei kommen häufig Kompressordruckhaltung und Pumpendruckhaltung zugleich zum Einsatz. Viele Planungen sehen zum Beispiel im Heizungssystem die Kompressordruckhaltung vor und im Kühlsystem die Pumpendruckhaltung, weil dort eventuell auch eine Entgasung nötig ist.

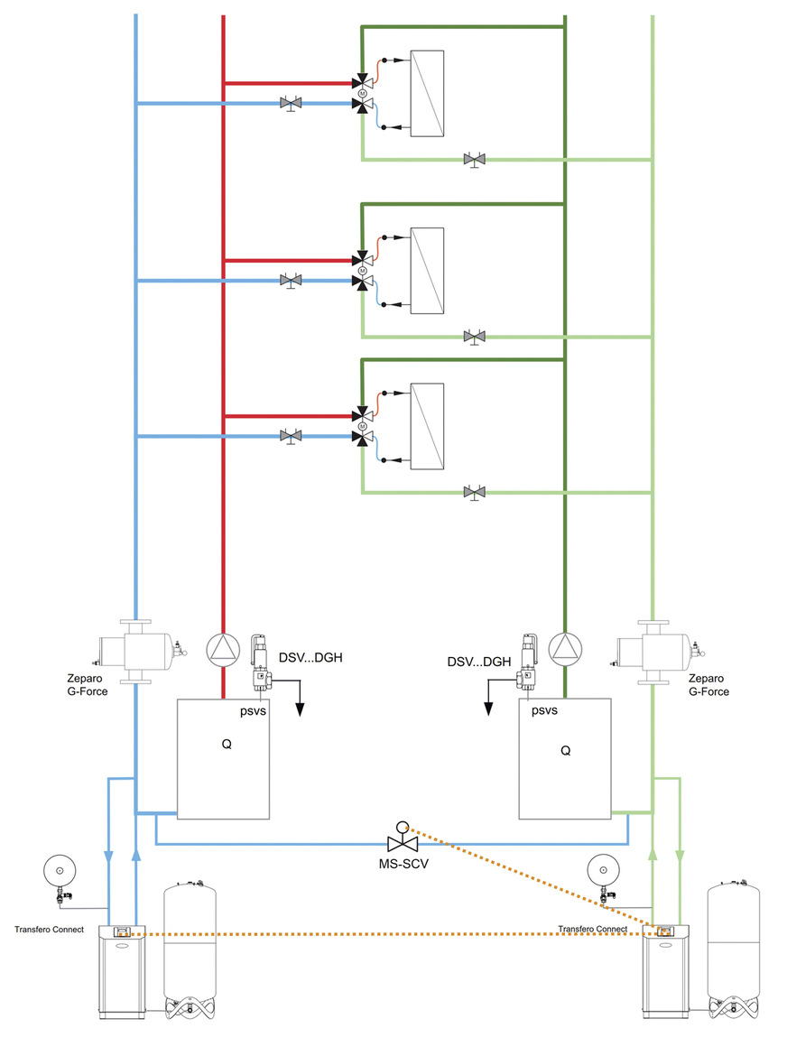
Mit einer hydraulischen Verbindungsleitung mit Motorventil lassen sich Funktionsstörungen durch den sogenannten Wassertransport vermeiden. Voraussetzung dafür ist allerdings, dass die beiden Druckhaltestationen untereinander und mit dem Systemverbindungsventil in der Zusatzleitung kommunizieren können.

Bild: IMI Hydronic Engineering

Mit einer hydraulischen Verbindungsleitung mit Motorventil lassen sich Funktionsstörungen durch den sogenannten Wassertransport vermeiden. Voraussetzung dafür ist allerdings, dass die beiden Druckhaltestationen untereinander und mit dem Systemverbindungsventil in der Zusatzleitung kommunizieren können.

Mögliche Probleme bei der Druckhaltung

Getrennte Druckhaltsysteme stellen in Anlagenkombinationen mit unterschiedlichen Registern zum Heizen und Kühlen in den Abgabeflächen oder Innengeräten üblicherweise kein Problem dar. Etwas anders verhält es sich bei Change-over-Systemen mit 6-Wege-Ventil, denn hier besteht das Risiko eines sogenannten Wassertransports zwischen dem Kälte- und dem Wärmekreislauf.

Wenn beispielsweise im Frühjahr oder Herbst am frühen Morgen die Räume beheizt werden, dehnt sich das Wasser in den Verbrauchern und in der Heizungsanlage aus. Dieses Ausdehnungsvolumen wird daraufhin vom dort installierten Druckhaltesystem aufgenommen. Im Laufe des Vormittags steigen dann die Außentemperaturen und es beginnt die sogenannte „Tot-Zone“, in der weder geheizt noch gekühlt wird. Und ab der warmen Mittagszeit setzt schließlich die Kühlung ein. Dadurch zieht sich das Wasser in den Übergabeflächen zusammen, sodass aus dem Kältesystem Wasser entnommen werden muss, um den Druck zu halten.

Während dieses Prozesses fließt aus dem gemeinsamen Verbraucher nach und nach auch immer eine kleine Menge Wasser von der Kälteanlage in das Heizungssystem. Dieser Wassertransport stoppt erst, wenn das Ausdehnungsgefäß auf der Wärmeseite überfüllt oder auf der Kälteseite komplett leer ist. Die Folge sind Fehlermeldungen und Funktionsstörungen, die sich nur vom Fachhandwerker beheben lassen und somit den Wartungsaufwand erhöhen.

Automatische ­Wasserrückführung als Lösung

Eine zuverlässige Lösung für dieses Problem stellt eine hydraulische Verbindungsleitung mit Motorventil dar, über die das Wasser aus dem Wärmesystem kontrolliert zurückgeführt wird. Voraussetzung dafür ist allerdings, dass die beiden Druckhaltestationen untereinander und mit dem Systemverbindungsventil in der Zusatzleitung kommunizieren können.

Auf diese Weise arbeitet die Druckhaltung im Kältesystem so lange, bis das Ausdehnungsgefäß fast leer ist. Dann öffnet sich das Ventil automatisch und die Anlage wechselt in den Level-Control-Betrieb (Volumenausgleich), bis der gewünschte Füllstand im Ausdehnungsgefäß auf der Kälteseite wieder erreicht ist. Ein manuelles Eingreifen durch einen Techniker ist dadurch nicht mehr nötig.

Sind beide Druckhaltungssysteme vom selben Hersteller, erleichtert dies die erwähnte Kommunikation deutlich, da in diesen Fällen häufig eine Vernetzung über serienmäßig integrierte, herstellereigene Steuerungen möglich ist. IMI Hydronic Engineering hat beispielsweise seine Produkte mit dem Steuerungssystem Braincube Connect ausgestattet. So lässt sich die Druckhalteeinrichtung in Echtzeit von jedem internetfähigen Gerät aus über eine webbasierte Benutzeroberfläche oder ohne Internetzugang über ein internes Serverinterface bedienen und überwachen.

Auf diese Weise können Anlagenanalyse, Fehlersuche oder sogar Inbetriebnahme und Wartung aus der Ferne erfolgen und dadurch Zeitaufwand und Kosten deutlich verringert werden. Darüber hinaus ist es möglich, die Steuerung über die Modbus-fähigen RS-485- und Ethernet-Schnittstellen nahtlos in die Gebäudeleittechnik einzubinden. Eine zusätzliche USB-Schnittstelle stellt zudem eine zuverlässige und schnelle Verbindung für Datendownloads und Softwareupdates vor Ort sicher.

Druckhaltung und ­Vakuumentgasung verbinden

Um zusätzliche Sicherheit zu gewährleisten, macht es Sinn, auf der Wärme- und der Kälteseite die gleiche Art der Druckhaltung einzusetzen, sprich sich entweder für eine reine Kompressor- oder eine reine Pumpendruckhaltung zu entscheiden. Die Multifunktionslösung Transfero TV Connect der Marke IMI Pneumatex verbindet laut Hersteller erstmals auf dem Markt Pumpendruckhaltung und Vakuumentgasung in einem Gerät.

Auf diese Weise wird platzsparend in parallel verlaufenden Prozessen der Anlagendruck mit hoher Präzision konstant gehalten sowie das Anlagenwasser von gelösten Gasen befreit. Dies erfolgt dabei mindestens doppelt so effektiv wie bei einer alternativen Pumpendruckhaltung mit atmosphärischer Entgasung.

Das reduziert die Korrosion und fördert somit die Langlebigkeit von Anlagen durch eine hohe Wasserqualität. Zudem ist die Station mit einer automatischen Nachspeisung mit kontrollierter Überwachung der Nachspeisemenge sowie einer Vakuumentgasung des Nachspeisewassers ausgestattet. Optional lassen sich ebenfalls Enthärtungs- oder Entsalzungsmodule zur Wasseraufbereitung integrieren und überwachen.

Mit dem Druckhaltungssystem Compresso Connect steht darüber hinaus eine Lösung des Herstellers zur Präzisionsdruckhaltung mit Kompressoren für Heiz- und Kühlwassersysteme zur Verfügung. Die Steuerung Braincube Connect ist hier in die sogenannte Tecbox integriert, die auch alle nötigen Komponenten der Pneumatik wie Kompressor, Ablass- und Sicherheitsventil beinhaltet. Das erleichtert die Montage wesentlich.

Unterstützung bei der Installation

Damit die erwähnte automatische Wasserrückführung funktionieren kann, müssen bei der Planung und Ausführung die nötigen Verbindungen zwischen den Systemen beachtet werden. Da eine Rückführung über die 6-Wege-­Ventile nicht möglich ist, wird eine eigene Rohrleitung benötigt, durch die das Wasser zurück ins Heizsystem fließen kann. Außerdem sind diverse elektrische Verbindungen zu legen.

Egal ob bei Planung oder Installation: Auf Wunsch steht der Hersteller Planern und Fachhandwerkern unterstützend zur Seite, um eventuelle Schwierigkeiten leicht zu lösen und Probleme zu vermeiden. So stehen neben kompetenten Ansprechpartnern auch verschiedene Softwareprogramme wie Hyselect oder die App Hytools zur Verfügung.

Letztere vereinfacht hydraulische Berechnungen und ermöglicht so eine komfortable Optimierung von Heiz-, Kühl- und Solarsystemen. Der Hydronikrechner kann sowohl in der vorbereitenden Planungsphase als auch in konkreten Handlungssituationen vor Ort genutzt werden. In der neuen Kategorie Druckhaltung können Anwender in wenigen Schritten entsprechende Systeme auslegen, indem sie die anlagenspezifischen Parameter wie Vor- und Rücklauftemperatur, die Gebäudehöhe, die Art der Sicherheitsventile und den Systeminhalt eingeben. Die App schlägt aufgrund der genannten Werte passende Produkte vor, mit der Wahlmöglichkeit zwischen statischer oder dynamischer Druckhaltung über Kompressor oder Pumpe.

Die Steuerung Braincube Connect bietet ­umfangreiche Möglichkeiten zur Daten­kommunikation und Anlagen­überwachung, u. a. von Druckhaltesystemen.

Bild: IMI Hydronic Engineering

Die Steuerung Braincube Connect bietet ­umfangreiche Möglichkeiten zur Daten­kommunikation und Anlagen­überwachung, u. a. von
Druckhaltesystemen.

Autor

Alfred Brenner
ist Hydronic College Manager Central ­Europe bei IMI ­Hydronic ­Engineering, 59597 Erwitte,

Bild: IMI Hydronic Engineering

Jetzt weiterlesen und profitieren.

+ SBZ E-Paper-Ausgabe – jeden Monat neu
+ Kostenfreien Zugang zu unserem Online-Archiv
+ Fokus SBZ: Sonderhefte (PDF)
+ Webinare und Veranstaltungen mit Rabatten
uvm.

Premium Mitgliedschaft

2 Monate kostenlos testen