Springe auf Hauptinhalt Springe auf Hauptmenü Springe auf SiteSearch
Dimensionierung von Kalt- und Warmwasserleitungen

Kleine Rohrweiten berücksichtigen

Die Ermittlung der Rohrweiten bei Wasserleitungsanlagen wird nach DIN 1988-3 für den zu ermittelnden Spitzendurchfluss Q S in l/s vorgenommen. Dabei ist zunächst der Summendurchfluss Q R , d.h. aus der Summe der Berechnungs-Durchflusswerte Q R nach den in Bild 1 zusammengestellten Richtwerten für Mindestfließdrücke und Berechnungsdurchflüsse der angeschlossenen Wasserentnahmestellen zu bewerten. Zu beachten sind „wassersparende“ Entnahmearmaturen (Bild 2).

Durchflussberechnung

Nach der Arbeitsstätten-Richtlinie unter 5.6 gilt die Forderung „Die Waschgelegenheiten müssen das Waschen unter fließendem Wasser zulassen. Jede Zapfstelle soll so ausgelegt sein, dass sie die Entnahme von 3,5 Liter Wasser pro Minute ermöglicht.“ Das entspricht einem Berechnungsdurchfluss von 0,06 l/s, gegenüber einem solchen von 0,07 l/s für Waschtische in der Norm. Bei Reihenwaschanlagen hat sich innerhalb von Jahrzehnten ein Durchfluss je Entnahme­armatur von etwa 3,5 Liter pro Minute als notwendig und ausreichend erwiesen. Dieser Durchfluss hat beim Waschvorgang unter fließendem Wasser (Bild 3) den Vorteil, dass der auf die Hand auftreffende Wasserstrahl sich in Tropfen auflöst, die spritzfrei nach unten in die Waschreihe fallen. Ein Durchfluss von 4,5 Liter pro Minute und mehr lässt dagegen einen horizontal spritzenden Strahlenkranz entstehen, der bis in den Nachbarstand reicht. Diese Problemstellung gilt natürlich nicht nur für Waschanlagen in Arbeitsstätten, sondern genau so für Waschtische im privaten Bereich, für öffentliche Bauten und dergleichen. Zu berücksichtigen ist, dass nach DIN 1988-3 „Die Gleichzeitigkeit der Wasserentnahme abhängig von der Nutzung, beispielsweise in Wohnungen und Gemeinschaftsanlagen, ist. Im allgemeinen ist nicht damit zu rechnen, dass sämtliche angeschlossenen Entnahmestellen gleichzeitig voll geöffnet sind“. Unter 6.1 Wohngebäude heißt es: „Ein zusätzliches Waschbecken, Sitzwaschbecken, Urinal sowie eine Brause­einrichtung (zusätzlich zur Badewanne) sind bei der Ermittlung des Summendurchflusses nicht zu berücksichtigen, wenn die Art der Benutzung keine höhere Gleichzeitigkeit erwarten lässt“. In dem Kommentar zu DIN 1988 wird hierzu festgestellt: „Befinden sich in einem großen Badezimmer ein Waschtisch mit zwei Waschbecken, zusätzlich zur Badewanne noch eine Brausewanne sowie zu einem WC noch ein Sitzwaschbecken, so dürfen diese „zusätzlichen“ Sanitäreinrichtungsgegenstände bei der Berechnung außer acht gelassen werden. Bei der Ermittlung der Berechnungsdurchflüsse werden also zweites Waschbecken, Brausewanne und Sitzwaschbecken nicht berücksichtigt.“ Diese Regelung gilt neben Wohngebäuden auch für andere Gebäude, d.h. auch für Krankenhausbauten. Sie betrifft dabei Stationsbäder und die mit mehreren Sanitäreinrichtungen ausgestatteten den Krankenzimmern vorgeschalteten Sanitärzonen sowie Pflegearbeitsräume.

Fließgeschwindigkeiten

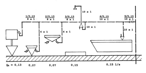
Bei den zum Einsatz kommenden Rohrsystemen spielt die Abstufung der lichten Rohrweiten in Bezug auf den Wasserinhalt, Wärmeverluste, Dämmung und Investitionskosten eine nicht unbedeutende Rolle. Bild 4 zeigt eine Übersicht der kleinsten Rohrweiten in den Nennweiten DN 4 bis DN 15 der handels­üb­lichen Rohrsysteme. Diese sind mit einem ­lichten Innendurchmesser von d i = 4 mm bis 17,4 mm wählbar. Dabei spielt die Nennweite der Entnahmestelle, die nach Bild 1 für Auslaufventile und Mischbatterien mit DN 15 beginnt, keine Rolle. Entscheidend für die Bemessung der Anschlussleitungen von Entnahmearmaturen ist der nach Bild 1 oder ausgewählter Wasserspararmaturen geforderte Berechnungsdurchfluss. Kupferrohre mit dem kleinsten Rohrinnendurchmesser von d i = 4 mm und der günstigsten Abstufung auf d i = 6,0 – 8,0 – 13,0 – 16,0 mm besitzen von allen aufgeführten Rohrsystemen die günstigsten Bemessungsvoraussetzungen. Nach DIN 1988-3 ist bei der Auswahl der Rohrdurchmesser zu überprüfen, ob die rechnerischen Fließgeschwindigkeiten nach Bild 5 bei den zugeordneten Spitzendurchflüssen nicht überschritten werden. Danach gilt bei Teilstrecken mit druckverlustarmen Durchgangsarmaturen mit ζ ≤ 2,5 und bei einer Fließdauer ≤ 15 Minuten eine maximale rechnerische Fließgeschwindigkeit von 5 m/s. Die Anschlussleitungen von „wassersparenden“ Entnahmearmaturen mit einem Berechnungsdurchfluss von 3,5 l/min (= 0,06 l/s) liegen bei einem Rohrinnendurchmesser von d i = 4 mm mit 4,80 m/s knapp unter dieser Fließgeschwindigkeit. Für den Berechnungsdurchfluss von 0,07 l/s bei Waschbecken nach der DIN 1988-3 wird bei einem Rohrinnendurchmesser von d i = 6 mm eine Fließgeschwindigkeit von 2,50 m/s erreicht. Klosettspülkästen mit einem Berechnungsdurchfluss von 0,13 l/s erreichen bei einem Rohrinnendurchmesser von d i = 8 mm eine Fließgeschwindigkeit von 2,60 m/s. Das Beispiel der Kaltwasserinstal­lation für die Stockwerksleitung eines Wohnungsbades in Bild 6 zeigt eine entsprechende Dimensionierung der Einzel- und Sam­melzuleitung. Als so genannte „zusätzliche“ ­Sanitäreinrichtungsgegenstände wurden Klosettspülkasten, Bidet, Waschtisch und Brausestand nicht bewertet. Die einzelnen Teilstrecken wurden unter dieser Voraussetzung für die zugeordneten Berechnungsdurchflüsse in den Nennweiten DN 4 (6 x 1 mm) bis DN 8 (10 x 1 mm) dimensioniert.

Die nach effektiven Entnahmemengen mit möglichst kleinen Rohrweiten dimensionierte Wasserinstallation, das danach auszuwählende Rohrsystem und die Verwendung wassersparender Entnahme­armaturen ergeben geringe Investitions- und Betriebskosten. Erreicht werden gleichzeitig die geringsten Ausstoßverluste bei Warmwasser-Stockwerksleitungen, die allgemein ohne Zirkulation ausgeführt werden. Auch an die Dämmung werden geringste Anforderungen gestellt. Zu beachten ist dabei, dass alle Ausführungsbestimmungen einen übergreifenden Einfluss besitzen und nicht einseitig, z.B. weil sie für Arbeitsstätten oder Wohnungsbäder festgelegt wurden, beschränkt ausgelegt werden.

Weitere Informationen

Unser Autor Dr.-Ing. Hugo Feurich ist Inhaber eines ­Ingenieurbüros. Darüber hinaus hat er sich unter ­anderem als Autor unzähliger Fachpublikationen und Fachbücher einen Namen gemacht. 13465 Berlin, ­Telefon (0 30) 4 06 20 77, Telefax (0 30) 4 06 20 77.

Tags