Springe auf Hauptinhalt Springe auf Hauptmenü Springe auf SiteSearch
Die Hydraulik entscheidet über Effizienz

Einbindung der Solarthermie

Wasser ist eine träge Masse. Mitunter ist die Rückbesinnung auf Grundsätze wie diese nötig, wenn die Reklamationen über die installierte Heizungsanlage kein Ende nehmen wollen. So wie bei einem Passivhaus im österreichischen Rankweil, in dem insgesamt 200m 2 Wohnfläche zu beheizen sind. Gravierende Fehlfunktionen hatten Bauherr wie Installateur, der die Anlage anhand einer ingenieurmäßigen Planung eingebaut hatte, an den Rand der Verzweiflung gebracht: Die Wärme des Pelletkessels konnte kaum genutzt werden, mit der Solaranlage war die Warmwasserbereitung nur im Hochsommer möglich und die Wärmeverteilung funktionierte bestenfalls nach dem Zufalls­prinzip.

Nach vier Jahren teurer, aber ergebnisloser Nachbesserungsversuche wurde die Heizraum-Installation komplett umgebaut. Ein neuer, zentraler Hauptbestandteil ist ein Zortström-Verteiler für den hydraulischen Teil der Anlage. Das Ziel der Umbaumaßnahme war, die Massenströme mit den benötigten Temperaturen dorthin zu bekommen, wo sie mit einem Minimum an zusätzlicher Energie ein Maximum an Wärmekomfort und Behaglichkeit erzeugen sollten.

Warmwasserbereitung erfolgte überwiegend mit Heizstäben

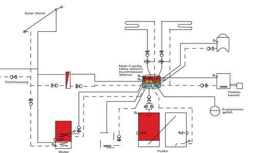
Die Ausgangssituation im Rückblick: Dem zugrundeliegenden Energiekonzept entsprechend sollte die installierte Solarwärmeanlage mit 56m 2 Kollektorfläche zusammen mit der kontrollierten Wohnraumlüftung den Wärmebedarf möglichst komplett abdecken. Als Zusatzheizung für Zeiten mit sehr kalten Außentemperaturen wurden ein Wohnraum-Heizkamin mit 2,5kW sowie im Nebengebäude ein Pellet-Primärofenkessel mit 10kW (davon 80 % Wärmeabgabe an den Wasserkreislauf) eingesetzt. Zwei Pufferspeicher mit je 1500l bevorraten die produzierte Heizwärme. Die Warmwasserbereitung sollte über integrierte Wellrohr-Wärmetauscher erfolgen. Von den Pufferspeichern aus erfolgt die Wärmeabgabe zur ­Beheizung der Wohnräume über Betonkernaktivierung. Zusätzlich ist noch eine Schwimmteich-Beheizung mit eingebunden, die bei Bedarf zunächst von der Solaranlage versorgt werden sollte.

Bald nach der Inbetriebnahme der Anlage zeigten sich deutliche Mängel, die den Bauherrn zur Beanstandung veranlassten. Die beiden Pufferspeicher erreichten kaum die notwendige Temperatur für die nach dem Durchlaufprinzip konzipierte Warmwasserbereitung. Denn die Wärme aus der Solaranlage wurde komplett den Pufferspeichern zugeführt, um von dort direkt die Betonkernaktivierung zu versorgen. Für die Durchfluss-Warmwasserbereitung blieb jedoch keine Wärme mehr übrig. Die hydraulische Pufferspeicher-Schaltung hatte eine effiziente Nutzung des solaren Ertrags verhindert. Die Verrohrung ermöglichte keine Vorrangschaltung für die Warmwasserbereitung, sodass zusätzlich Elektro-Heizstäbe eingebaut werden mussten. Im Grunde hatte der Betreiber damit fast eine reine Elektro-Warmwasserbereitung. Von dem im Wohnraum aufgestellten Heizkamin mit Wasser-Wärmetauscher konnte keine nennenswerte Wärmemenge eingespeist werden. Ebensowenig konnte die Wärme des im Nebenhaus installierten Pellet-Primärofens für die Heizung des Hauptgebäudes mit genutzt werden. Die Beheizung für den Schwimmteich aber setzte noch einen obenauf: Dieser wurde immer wieder über die Solaranlage beheizt, obwohl dies nur dann geschehen sollte, wenn gerade ein Solarwärme-Überschuss vorhanden war.

Starke Pumpen und zahlreiche Ventile komplettierten das Chaos

Durch vergebliche Korrekturversuche mit zahlreichen Umschaltventilen und einer maßlos überdimensionierten 400-V-Umwälzpumpe im Solarkreislauf war eine schlicht undefinierbare Anlagenhydraulik entstanden, bei der auch die elektronischen Regelsysteme nichts mehr ausrichten konnten. Der ausführende Heizungsfachmann wandte sich schließlich an Rembert Zortea im benachbarten Hohenems, dessen patentierte Zortström-Technologie bereits 1994 mit dem Energie-Oscar und Innovationspreisen ausgezeichnet worden war. Nach einer gemeinsamen Begehung der Anlage stand fest, dass nur ein grundlegender Umbau der Installa­tion Abhilfe schaffen konnte.

Zunächst war ein Rückbau der Verteilerinstallation nötig, um die Verrohrung neu aufbauen zu können. Ein dreistufiger Zortström-Multi mit einem Durchmesser von 300mm bildet jetzt das Kernstück im hydraulischen Teil der Heizungsanlage. Die Pumpen für die Heizkreise wurden nur noch nach der tatsächlich benötigten Leistung ausgewählt, sodass auch hier ein Einspareffekt erzielt werden konnte. Zusätzlich wurde ein separater 500-Liter-Warmwasserspeicher mit zwei Wärmeübertragern nachgerüstet, damit die beiden Pufferspeicher ausschließlich ihre Funk­tion als Puffer erfüllen können. Die Wellrohr-Wärmetauscher in den Pufferspeichern wurden dafür abgekoppelt.

Schon rein optisch vermittelt die Installation im Heizraum nach dem Umbau ein aufgeräumtes Bild. Alle Wärmeerzeuger speisen zunächst in den Zortström ein, ebenso erfolgt die Be- und Entladung der beiden Pufferspeicher ausschließlich über dieses zentrale Element.

Das Energiekonzept ging nach den Änderungsmaßnahmen auf

Nach dem Umbau wird der Wärmebedarf für Heizung und Trinkwassererwärmung fast ausschließlich durch die Solaranlage und die Wärmerückgewinnung der kontrollierten Wohnraumlüftung gedeckt. Den Holzpellet-Verbrauch beziffert der Bauherr als minimal; elektrischer Strom werde für die Anlage fast nur noch als Antriebsenergie benötigt und kaum mehr zur Wassererwärmung. „Besonders freuen wir uns darüber, dass wir bei der jetzt erreichten Lösung das zugrundegelegte Energiekonzept beibehalten konnten“, sagt Bauherr Werner Abrederis.

Der geschilderte Fall ist leider keineswegs als typisches Problem von Niedrigenergie- und Passivhäusern anzusehen. „Bei der Kombination von konventioneller Heiztechnik mit regenerativen Energien sind die zur Verfügung stehenden sowie die benötigten Temperaturstufen ein grundlegender Planungsansatz“, erklärt Rembert Zortea, der Erfinder der Zortström-Technologie. Deren wesentliche Funktionsweise besteht darin, die Wasserströme voneinander zu entkoppeln und zum Beispiel auch zu verhindern, dass unterschiedlich starke Pumpen sich gegenseitig beeinflussen können.

„Wasser ist Masse und kein elektrischer Strom. Der Zortström bildet den Nullpunkt der Anlage und sorgt für ausgeglichene Wasserströme“, beschreibt Rembert Zortea die Wirkungsweise seiner Entwicklung. Ein Nebeneffekt ist, dass die zylinderförmige Grundkonstruktion mit kreisförmig angeordneten Anschlüssen gleichzeitig eine platzsparende, übersichtliche und optisch ansprechende Installation ergibt, was auch die Fotos aus den Heizräumen zeigen.

INFO

Zortström-Technologie

Eine der Hauptfunktionen der Zortström-Technologie ist die Möglichkeit, das Heizsystem mit mehr als nur zwei Temperaturstufen zu fahren. Mit der Ausführung Zortström-Multi lassen sich drei bis fünf unterschiedliche Temperaturebenen verwalten. Das Zortström-Sammel- und Verteilsystem bildet den Nullpunkt der Anlage und wirkt gleichzeitig als hydraulische Weiche. Damit strömt dem Wärmeerzeuger unabhängig von den tatsächlichen Pumpenleistungen nur der Volumenstrom zu, der aufgrund der Dimensionierung abhängig von der vorgegebenen Temperaturdifferenz erforderlich ist.

Grundlegende Fragen für die Planung des Zortström-Sammel- und Verteilsystems:

Welche Temperaturstufen werden von den (ggf. mehreren) Wärmeerzeugern bereitgestellt, d.h. welche Vorlauftemperaturen stellen diese zur Verfügung und welche Rücklauftemperatur ist einzuhalten?

Welche Temperaturstufen werden auf der Abnehmerseite benötigt und welche Temperaturdifferenzen sind gefordert (z.B. bei der Kombination von Radiatoren- und Fußbodenheizung)?

An welcher Stelle ergibt sich eine geeignete Einbaumöglichkeit? Hierbei erweist sich die runde Bauform als sehr flexibel: Da jeder Zortström anlagenspezifisch geplant und gefertigt wird, können die Anschlussstutzen so platziert werden, dass eine weitgehend kreuzungsfreie Rohrleitungsführung ermöglicht wird.

Herstellerkontakt: Zortea Gebäudetechnik GmbH, A-6845 Hohenems, Telefon (00 43) 55 76-7 20 56, Telefax (00 43) 55 76-7 20 56-6, https://www.zortea.at/

Autor

Wolfgang Heinl schreibt als Fachjournalist für die SHK-Branche, 88239 Wangen, Telefon (0 75 22) 90 94 31, wolfgang.heinl@t-online.de

Tags